EasyManua.ls Logo

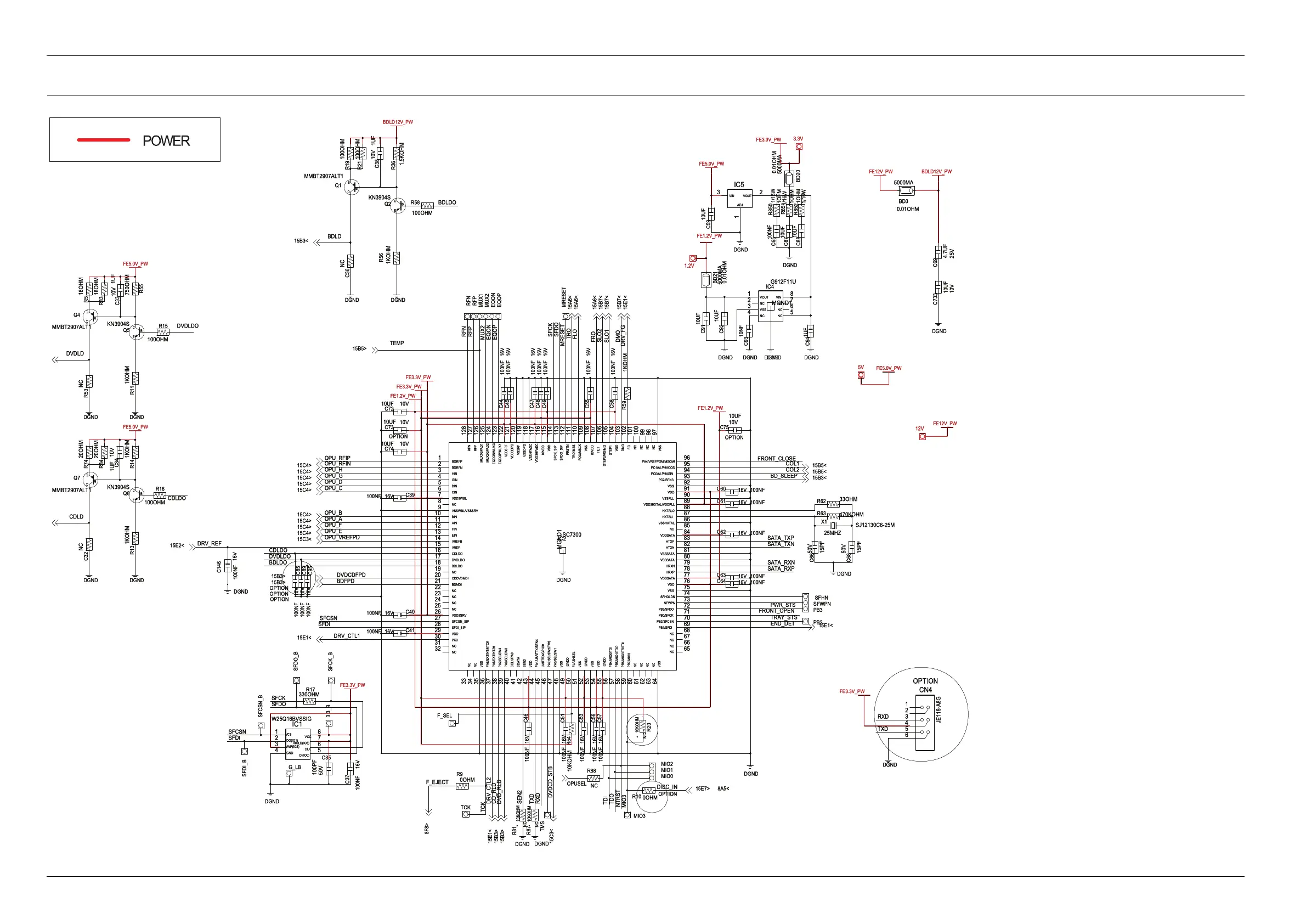
Samsung HT-E5550 - 6.17. F_END_SC7300

Samsung HT-E5550
92 pages
Print Icon
To Next Page IconTo Next Page
To Next Page IconTo Next Page
To Previous Page IconTo Previous Page
To Previous Page IconTo Previous Page
Loading...
6.SchematicDiagram
6.17.F_END_SC7300
FE 1.2V_P W
FE 3.3V_P W
FE 3.3V_P W
FE 3.3V_P W
FE3.3V_P W
FE 1.2V_P W
FE12 V_P W
12V
5V
FE 5.0V_P W
1.2V
FE 1.2V_P W
BDLD12V_P WFE12V_PW
3.3 V
FE3. 3V_P W
FE5. 0V_P W
BDLD12V_P W
FE5. 0V_P W
FE5. 0V_P W
SFD I
SFC SN
CDLD
DRV_REF
CDLDO
BDLDO
SFD O
CDLDO
DVDLDO
SFC K
SFD I
DRV_CTL1
SFC SN
F_EJEC T
TCK
DVD_RLD
DRV_CTL2
CD_RLD
SEN 2
BDFPD
TEMP
OPU _RF IP
OPU _H
OPU _G
OPU _D
DVDCDFPD
OPU _C
OPU _VREF PD
OPU _E
OPU _F
OPU _A
OPU _B
OPU _RF IN
EQO P
MUX2
RF P
RF N
EQO N
DVDLD
DVDLDO
BDLD
BDLDO
OP USE L
MIO3
TDI
TDO
NTRST
DVDCD_STB
RXD
TXD
DISC _IN
SATA_TXN
SATA_TXP
BD_SLEEP
TRAY_STS
SATA_RXP
SATA_RXN
END_DET
FR ONT_OPEN
PWR_STS
COL2
COL1
FR ONT_CLOSE
TXD
RXD
DRV_FG
DMO
SLO1
SLO2
FR O
FLO
TRO
MRESET
SF DO
SF CK
DGND
SF DI_B
SF CSN _B
W25Q16 BVSSIG
IC1
1
2
3
4 5
6
7
8
DGND
NC
C32
DGND
1KOHM
R13
MMBT2907 ALT1
Q7
DGND
KN3904S
Q8
20OHM
R74
20OHM
R84
1UF
10V
C34
1KOHM
R14
DGND
15E 2<
DGND
16 V
10 0NF
C146
10 0OHM
R16
G_ LB
100 PF
50V
C35
3.3_ B
10 0NF 16 V
C37
33 0OHM
R17
SF DO_B
SF CK_B
15E 1<
16V100 NF
C41
100 NF 16V
C40
8F8 >
0OHM
R9
TCK
F_S EL
15 E1 <
15 B3>
15 B3>
DGND
*
NC
10 KOHM
R81
10 KOHM
*
NC
R87
16 V10 0NF
C46
SC730 0
IC2
1
2
3
4
5
6
7
8
9
10
11
12
13
14
15
16
17
18
19
20
21
22
23
24
25
26
27
28
29
30
31
32
33
34
35
36
37
38
39
40
41
42
43
44
45
46
47
48
49
50
51
52
53
54
55
56
57
58
59
60
61
62
63
64
65
66
67
68
69
70
71
72
73
74
75
76
77
78
79
80
81
82
83
84
85
86
87
88
89
90
91
92
93
94
95
96
97
98
99
100
101
102
103
104
105
106
107
108
109
110
111
112
113
114
115
116
117
118
119
120
121
122
123
124
125
126
127
128
MGND1
16 V
OP TION
10 0NF
C85
OP TION
16 V10 0NF
C89
16 V10 0NF
OP TION
C95
15B 3>
15B 3>
15C4>
15C3<
15C4>
15C4>
15C4>
15C4>
15C4>
15C4>
15C4>
16V100 NF
C39
15C4>
10 UF 10V
C74
10 UF
10 V
OP TION
C73
10 UF 10V
C72
15B 5>
10 0NF 16 V
C44
10 0NF 16 V
C45
10 0NF 16 V
C47
MMBT2907 ALT1
Q4
NC
R53
1KOHM
R11
18OHM
R5
18OHM
R83
KN3904S
Q5
1UF
10V
C33
750 OHM
R55
10 0OHM
R15
15B 3<
DGND DGND
NC
C36
1KOHM
R56
MMBT29 07 ALT1
Q1
100 OHM
R19
100 OHM
R21
KN3904 S
Q2
10V
1UF
C38
1.5KOHM
R36
RFN
RFP
MUX1
MUX2
EQ ON
EQ OP
10 0OHM
R58
DGND
TMS
15 C3<
16 V10 0NF
C51
NC
R88
10KOHM
R54
10 0NF 16 V
C53
10 0NF 16 V
C56
MIO3
OP TION
0OHM
R10
10 0NF 16 V
C57
MIO1
MIO0
MIO2
NC
*
10 KOHM
R20
8A5<15E 7>
DGND
DGND
16 V10 0NF
C48
16 V10 0NF
C49
16 V10 0NF
C55
16 V10 0NF
C58
1KOHM
R59
100 NF16V
C64
100 NF16V
C63
100 NF16V
C62
16V 100 NF
C61
16V 100 NF
C60
DGND
OP TION
10 UF
10 V
C75
DGND DGND
15E 1<
SFWPN
PB 3
PB 2
SFHN
DGND
OPT ION
JE118 -A8G
CN4
1
2
3
4
5
6
15PF
50V
C66
DGND
15B 3<
15B 5<
25 MHZ
SJ121 30 C6-25M
X1
47 0KOHM
R63
33 OHM
R62
15PF
50V
C68
15B 5<
DGND
MRES ET
15 A6<
15 A6<
15 A6<
15 B7<
15 B7<
15 B7<
15 E1 <
10 UF
C91
500 0MA
0.01 OHM
BD21
10 UF
C59
10 UF
C92
10 NF
C93
G912 F11U
IC4
1
2
3
4 5
6
7
8
MGND1
DGND
10 0NF
C65
1O HM
1/16 W
R850
IC5
1
23
1UF
C94
DGND
10 UF
C87
10 UF
C88
1/16 W
1O HM
R851
1O HM
1/16 W
R852
500 0MA
0.01 OHM
BD20
DGND
10 UF
10 V
C733
4.7UF
25V
C69
0.0 1OHM
50 00MA
BD3
E
B
C
E
B
C
E
B
C
VIN VOUT
ADJ
CLK
DI(IO0)
VCC
/HOLD(IO3)
GND
/WP (IO2)
DO(IO1)
/CS
VSS
FLASHS EL
IOVDD
VSS
PA3/SE LSW1
PA7/SE LSW2/TMS
UARTRX/GPI O0
PA1/UARTTX/S EN4
VDD
SE N2
NC
NC
NC
VSS
PA4/VREF PDM/MSOMI
PC1/A LPHACOS
PC0/A LPHASIN
PC2/S EN3
VSS
VDD
VSS PLL
VDD3HXTAL/VDDPLL
HXTALO
HXTALI
VSS HXTAL
NC
VDDSATA
HTXP
HTXN
VSS S ATA
SDATA
NC
NC
NC
BDMDI
CDDVDMDI
NC
BDLDO
DVDLDO
CDLDO
VREF
VREFB
EIN
FIN
AIN
VSS WBL/VSS SRV
NC
CIN
DIN
GIN
HIN
BDRFN
NC
PB 7/MIO3
PB 6/MIO2/TRST #
PB 5/MIO1/TDO
PB 4/MIO0/TDI
IOVDD
VDD
VSS
IOVDD
VDD
VSS
SF HOLDN
SF WP N
PB 3/S FDO
PB 0/S FCK
PB 2/S FCS N
PB 1/S FDI
NC
NC
NC
NC
VSS
NC
NC
NC
SCLK/P A0
PA0/SE LSW3
PA2/SE LSW4
PA5/EX TINT2#
PA6/EX TINT#/TCK
VSS
NC
NC
NC
NC
PC3
VDD
SF DI_SIP
SF CSN_SI P
VDD3SRV
NC
VDD3DPD
VDD3RF
EQDOP /MUX1
EQDON/MUX3
MUX2GPA D2
MUX1GPAD1
RFP
RFN
VSS RF
VSS DPD
VSS HFADC
VDD3HFADC
IOVDD
VDD
SF CK_SI P
SF DO_ SIP
PRS TN
TRO/ MSS
FOO/ MSCK
VSS
IOVDD
TILT
ST EP 2/MSIMO
ST EP 1
VDD
DMO
FG
NC
VSS S ATA
HRXN
HRXP
VDDSATA
BIN
BDRFP
VDD3WBL
NC
NC
VIN
NC
NC
VSS
NC
VOUT
E
B
C
E
B
C
E
B
C
FE
1.2V_P W
FE 3.3V_P W
FE 3.3V_P W
FE 3.3V_P W
FE3.3V_P W
FE 1.2V_P W
FE12 V_P W
FE5. 0V_P W
FE 1.2V_P W
BDLD12V_P WFE12V_PW
FE 3.3V_P W
FE5. 0V_P W
BDLD12V_P W
FE5. 0V_P W
FE5. 0V_P W
DGND
W25Q16 BVSSIG
DGND
NC
DGND
1KOHM
MMBT2907 ALT1
DGND
KN3904S
20OHM
20OHM
1UF
10V
1KOHM
DGND
DGND
16 V
10 0NF
10 0OHM
100 PF
50V
10 0NF 16 V
33 0OHM
16V100 NF
100 NF 16V
0OHM
DGND
*
NC
10 KOHM
10 KOHM
*
NC
16 V10 0NF
SC730 0
16 V
OP TION
10 0NF
OP TION
16 V10 0NF
16 V10 0NF
OP TION
16V100 NF
10 UF 10 V
10 UF
10 V
OP TION
10 UF 10 V
10 0NF 16 V
10 0NF 16 V
10 0NF 16 V
MMBT2907 ALT1
NC
1KOHM
18OHM
18OHM
KN3904S
1UF
10V
750 OHM
10 0OHM
DGND DGND
NC
1KOHM
MMBT29 07 ALT1
100 OHM
100 OHM
KN3904 S
10V
1UF
1.5KOHM
10 0OHM
DGND
16 V10 0NF
NC
10KOHM
10 0NF 16 V
10 0NF 16 V
OP TION
0OHM
10 0NF 16 V
NC
*
10 KOHM
DGND
DGND
16 V10 0NF
16 V10 0NF
16 V10 0NF
16 V10 0NF
1KOHM
100 NF16V
100 NF16V
100 NF16V
16 V 100 NF
16 V 100 NF
DGND
OP TION
10 UF
10 V
DGND DGND
DGND
OPT ION
JE118 -A8G
15PF
50V
DGND
25 MHZ
SJ121 30 C6-25M
47 0KOHM
33 OHM
15PF
50V
DGND
10 UF
500 0MA
0.01 OHM
10 UF
10 UF
10 NF
G912 F11U
DGND
10 0NF
1O HM
1/16 W
1UF
DGND
10 UF
10 UF
1/16 W
1O HM
1O HM
1/16 W
500 0MA
0.01 OHM
DGND
10 UF
10 V
4.7UF
25V
0.0 1OHM
50 00MA
12V
5V
1.2V
3.3 V
SF DI_B
SF CSN _B
IC1
C32
R13
Q7
Q8
R74
R84
C34
R14
C146
R16
G_ LB
C35
3.3_ B
C37
R17
SF DO_B
SF CK_B
C41
C40
R9
TCK
F_S EL
R81
R87
C46
IC2
C85
C89
C95
C39
C74
C73
C72
C44
C45
C47
Q4
R53
R11
R5
R83
Q5
C33
R55
R15
C36
R56
Q1
R19
R21
Q2
C38
R36
RFN
RFP
MUX1
MUX2
EQ ON
EQ OP
R58
TMS
C51
R88
R54
C53
C56
MIO3
R10
C57
MIO1
MIO0
MIO2
R20
C48
C49
C55
C58
R59
C64
C63
C62
C61
C60
C75
SFWPN
PB 3
PB 2
SFHN
CN4
C66
X1
R63
R62
C68
MRES ET
C91
BD21
C59
C92
C93
IC4
C65
R850
IC5
C94
C87
C88
R851
R852
BD20
C733 C69
BD3
15E 2<
15E 1<
8F8 >
15 E1 <
15 B3>
15 B3>
15B 3>
15B 3>
15C4>
15C3<
15C4>
15C4>
15C4>
15C4>
15C4>
15C4>
15C4>
15C4>
15B 5>
15B 3<
15 C3<
8A5<15E 7>
15E 1<
15B 3<
15B 5<
15B 5<
15 A6<
15 A6<
15 A6<
15 B7<
15 B7<
15 B7<
15 E1 <
SFD I
SFC SN
CDLD
DRV_REF
CDLDO
BDLDO
SFD O
CDLDO
DVDLDO
SFC K
SFD I
DRV_CTL1
SFC SN
F_EJEC T
TCK
DVD_RLD
DRV_CTL2
CD_RLD
SEN 2
BDFPD
TEMP
OPU _RF IP
OPU _H
OPU _G
OPU _D
DVDCDFPD
OPU _C
OPU _VREF PD
OPU _E
OPU _F
OPU _A
OPU _B
OPU _RF IN
EQO P
MUX2
RF P
RF N
EQO N
DVDLD
DVDLDO
BDLD
BDLDO
OP USE L
MIO3
TDI
TDO
NTRST
DVDCD_STB
RXD
TXD
DISC _IN
SATA_TXN
SATA_TXP
BD_SLEEP
TRAY_STS
SATA_RXP
SATA_RXN
END_DET
FR ONT_OPEN
PWR_STS
COL2
COL1
FR ONT_CLOSE
TXD
RXD
DRV_FG
DMO
SLO1
SLO2
FR O
FLO
TRO
MRESET
SF DO
SF CK
1
2
3
4 5
6
7
8
1
2
3
4
5
6
7
8
9
10
11
12
13
14
15
16
17
18
19
20
21
22
23
24
25
26
27
28
29
30
31
32
33
34
35
36
37
38
39
40
41
42
43
44
45
46
47
48
49
50
51
52
53
54
55
56
57
58
59
60
61
62
63
64
65
66
67
68
69
70
71
72
73
74
75
76
77
78
79
80
81
82
83
84
85
86
87
88
89
90
91
92
93
94
95
96
97
98
99
100
101
102
103
104
105
106
107
108
109
110
111
112
113
114
115
116
117
118
119
120
121
122
123
124
125
126
127
128
MGND1
1
2
3
4
5
6
1
2
3
4 5
6
7
8
MGND1
1
23
E
B
C
E
B
C
E
B
C
VIN VOUT
ADJ
CLK
DI(IO0)
VCC
/HOLD(IO3)
GND
/WP (IO2)
DO(IO1)
/CS
VSS
FLASHS EL
IOVDD
VSS
PA3/SE LSW1
PA7/SE LSW2/TMS
UARTRX/GPI O0
PA1/UARTTX/S EN4
VDD
SE N2
NC
NC
NC
VSS
PA4/VREF PDM/MSOMI
PC1/A LPHACOS
PC0/A LPHASIN
PC2/S EN3
VSS
VDD
VSS PLL
VDD3HXTAL/VDDPLL
HXTALO
HXTALI
VSS HXTAL
NC
VDDSATA
HTXP
HTXN
VSS S ATA
SDATA
NC
NC
NC
BDMDI
CDDVDMDI
NC
BDLDO
DVDLDO
CDLDO
VREF
VREFB
EIN
FIN
AIN
VSS WBL/VSS SRV
NC
CIN
DIN
GIN
HIN
BDRFN
NC
PB 7/MIO3
PB 6/MIO2/TRST #
PB 5/MIO1/TDO
PB 4/MIO0/TDI
IOVDD
VDD
VSS
IOVDD
VDD
VSS
SF HOLDN
SF WP N
PB 3/S FDO
PB 0/S FCK
PB 2/S FCS N
PB 1/S FDI
NC
NC
NC
NC
VSS
NC
NC
NC
SCLK/P A0
PA0/SE LSW3
PA2/SE LSW4
PA5/EX TINT2#
PA6/EX TINT#/TCK
VSS
NC
NC
NC
NC
PC3
VDD
SF DI_SIP
SF CSN_SI P
VDD3SRV
NC
VDD3DPD
VDD3RF
EQDOP /MUX1
EQDON/MUX3
MUX2GPA D2
MUX1GPAD1
RFP
RFN
VSS RF
VSS DPD
VSS HFADC
VDD3HFADC
IOVDD
VDD
SF CK_SI P
SF DO_ SIP
PRS TN
TRO/ MSS
FOO/ MSCK
VSS
IOVDD
TILT
ST EP 2/MSIMO
ST EP 1
VDD
DMO
FG
NC
VSS S ATA
HRXN
HRXP
VDDSATA
BIN
BDRFP
VDD3WBL
NC
NC
VIN
NC
NC
VSS
NC
VOUT
E
B
C
E
B
C
E
B
C
POWER
6-20Copyright©1995-2012SAMSUNG.Allrightsreserved.

Table of Contents

Other manuals for Samsung HT-E5550

Related product manuals