EasyManua.ls Logo

Sanyo PLC-XU106

Sanyo PLC-XU106
110 pages
To Next Page IconTo Next Page
To Next Page IconTo Next Page
To Previous Page IconTo Previous Page
To Previous Page IconTo Previous Page
Loading...
-50-
PW190
CPU
SCALER
A
/D
Converter
VIDEO
Decoder
IC301
R
G
B
EEPROM
SENSOR (3)
KEY SW
R/C
RS232C
LCD
Panel
( R )
LCD
Panel
( B )
LCD
Panel
( G )
LCD
Audio
Control
NJW1156
AV
A
udio
A
MP
LM4889MMP
LAMP BALLAST
POWER UNIT
16V
6V
D7+
SP 1W
FANCon
FAN(6)
Lamp
S-VIDEO
VIDEO
D-sub
Analog IN2
Component
ǂ
ǂ
A
udio
IN
COMPUTER 1
A
udio
ǂ
OUT
A
udio
IN
COMPUTER 2
L3E07111
K
Digital
Gamma
ǂ˄
B
˅
L3E06170P0A
ǂ˄
G˅
L3E06170P0A
R
L3E06170P0A
Network
FROM NETWORK
IC801
FLASH ROM
IC9885
SUB-CPU
A[1-23]
Analog SW
Buffer
D-sub
Analog OUT
IC5001
IC5031
IC401
IC561
IC531
IC501
LED
D-sub
Analog IN1
Component
ǂ
IC2301
PW610-10GM
KEY STONE
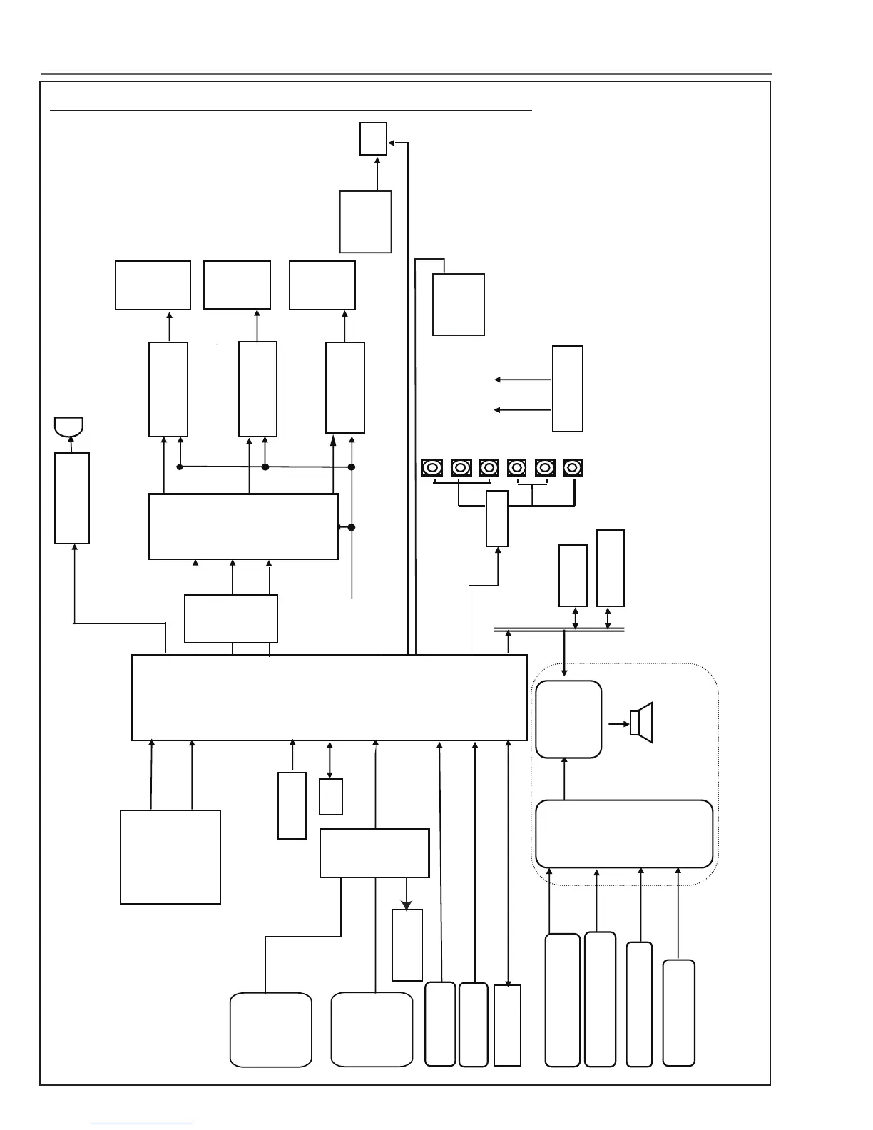
Chassis over view
Chassis Block Diagrams

Table of Contents

Other manuals for Sanyo PLC-XU106

Related product manuals