EasyManua.ls Logo

Sanyo PLC-XU106

Sanyo PLC-XU106
110 pages
To Next Page IconTo Next Page
To Next Page IconTo Next Page
To Previous Page IconTo Previous Page
To Previous Page IconTo Previous Page
Loading...
-51-
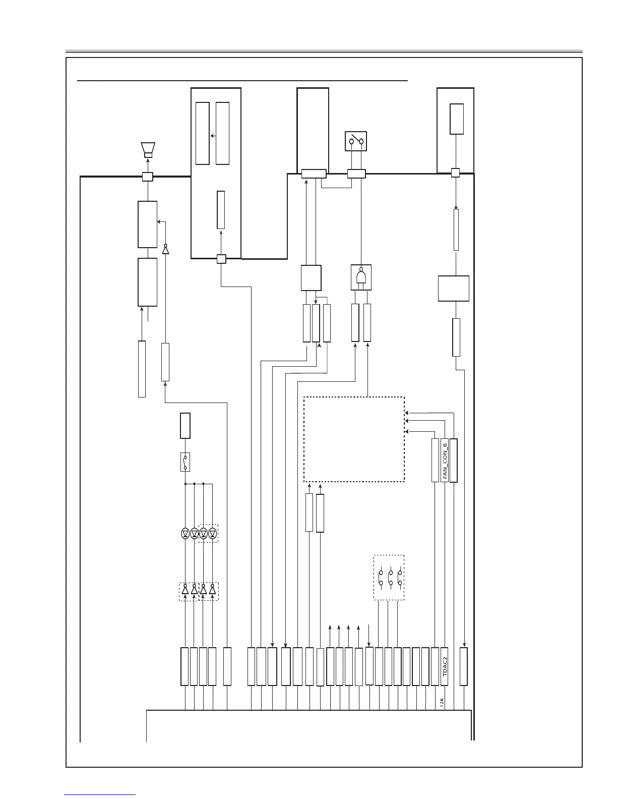
Chassis Block Diagrams
FAN_CON_C
373
POWER
LAMP BALLAST
IC5031
AUDIO-OUT
<LMP4889MMP>
IC5001
AUDIO-CONTOL
<NJW1156>
RC
RECEIVER
POWER SUPPLY
SW901
LAMP
COVER
SWITCH
P.F. CONTROL
SP901
SPEAKER
MUTE
LAMPDC_ON
RC
MAIN
R/C
IC9882
INVERTER
<HD74LVC14T>
3
4
ON:H
ON:H
ON:H
ERROR:H
P-ON:H
P.Fail:L
ON:H
6
2
1
1
Mute On:H
Mute On:H
Power On:H
Power On:L
L/R
VOLUME
POWER_LED
BLAST_AC
BLAST_AC
FAN_ERR
TEMP_LED
ON_33V
ON_150V
353
284
276
190
LAMP_DET
185
420
ON_50V
352
97
READY_LED
P_FAIL
215
FAN_SW1
FAN_SW1
285
Power On:H
LAMP_DC_ON
89
99
CHO_TXD
CHO_RXD
CHO_TXD
CHO_RXD
MUTE
KEY1
295
26
344
28
KEY2
126
POW_KEY
R/C-PW
R/C
SCL1/SDA1
SCL2/SDA2
268
214
211,294
SCL0/SDA0
293,212
290,208
FAN_CON_A
TDAC1
30
IC301
SYSTEM CONTROL
Q6843
D6833
Q5038
Q6841
ON:H
LAMP_LED
D6831
D6832
LAMP REPLACE
WARNING
POWER
IC4891
NAND
2
13
1
10
IC9882
INVERTER
K8R K6R
K8S
3
1
K8H
4
5
1
K8D K29D
3
S3.3V
Q6861
FAN
CONTROL
CIRCUIT
KEY SWITCH
SCL2_5V/SDA2_5V
9
K8F
1
3
LAMP_DET
ON_18V
410
FAN_SW2
FAN_SW2
345
System control

Table of Contents

Other manuals for Sanyo PLC-XU106

Related product manuals