EasyManua.ls Logo

Sanyo PLC-XU106

Sanyo PLC-XU106
110 pages
To Next Page IconTo Next Page
To Next Page IconTo Next Page
To Previous Page IconTo Previous Page
To Previous Page IconTo Previous Page
Loading...
-54-
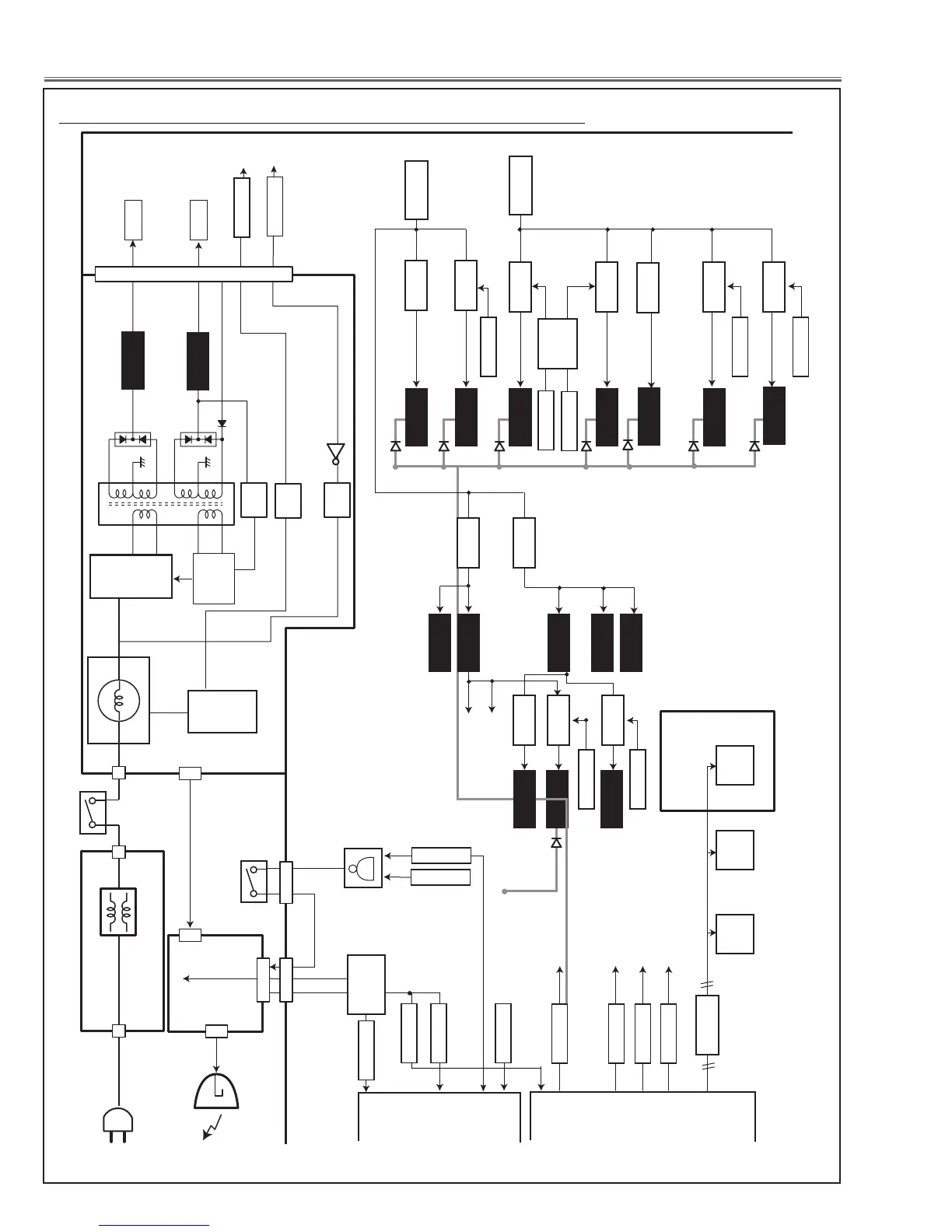
Chassis Block Diagrams
IC301
SYSTEM CONTROL
CHO_RXD
P_FAIL
ON_33V
FAN_ERR
ON_16V
Lamp-SCI
IC9885
Sub-CPU
5V
1.0V
S6V
IC5081
D5622/D5623/D5624
D3606
D3601
S3.3V
LINE FILTER
BOARD
LAMP
BALLAST
1 4 5
5
4
1
X2
K8H
1 3
K8S
K6D
X1
K6CK6AB
LAMP
AC CORD
K6R K8R
POWER
MAIN
IC621
P.F.CONTROL
<FA550>
6
5
1
8
4
3
2
9
11
7
8
10
2
10 1
1
4
T651
D662
D661
D663
Q661
PC671
Power-On:H
Power-On:H
Power-On:H
Power-On:H
Power-On:H
P-Fail:H
LAMP_DET
(Power-On:L)
LAMP_SW
(Power-On:L)
P-Fail:L
PC663
PC661
IC631
POWER OSC.
<MR4010>
Feedback
S6V
S16V
ON_150V
LAMP_DC_ON
IC4891
NAND
S6V
S16V
1
2
5
6
9
IC8831
TEMP. SENSOR3
<QXXAVC978P>
(LAMP) (PANEL) (OUT SIDE)
IC8821
TEMP. SENSOR2
<QXXAVC978P>
IC4831
TEMP. SENSOR1
<QXXAVC978P>
16
14
LAMP_DET
285
2
215
96
ON_50V
97
LAMPDC_ON
89
293,212
SCL0
SDA0
IC9882
INVERTER
SW901
S16V
FAN_A
Q7812
D3613
D5703/D5704
11
12
IC5621
1.8V_PW
IC5821
2.5V_PW
IC5841
1.8V
IC5861
5V_AUDIO
IC5061
15V_PWL
ON_50V
FAN_CON_A
FAN_B
Q7862
IC7811
IC592
D3614
12V
IC5542
D3602/D3611
FAN_CON_B
ON_33V
3.3V
Q3582
ON_33V
ON_50V
LF601
SW902
Thermal SW
Lamp Cover SW
S3.3VA_PW
S3.3VD_PW
D3615
FAN_C
IC7841
Power-On:H
POWER_SW
LAMP_DET
15
Power supply & protection circuit

Table of Contents

Other manuals for Sanyo PLC-XU106

Related product manuals