EasyManua.ls Logo

Sanyo PLC-XU106

Sanyo PLC-XU106
110 pages
To Next Page IconTo Next Page
To Next Page IconTo Next Page
To Previous Page IconTo Previous Page
To Previous Page IconTo Previous Page
Loading...
-53-
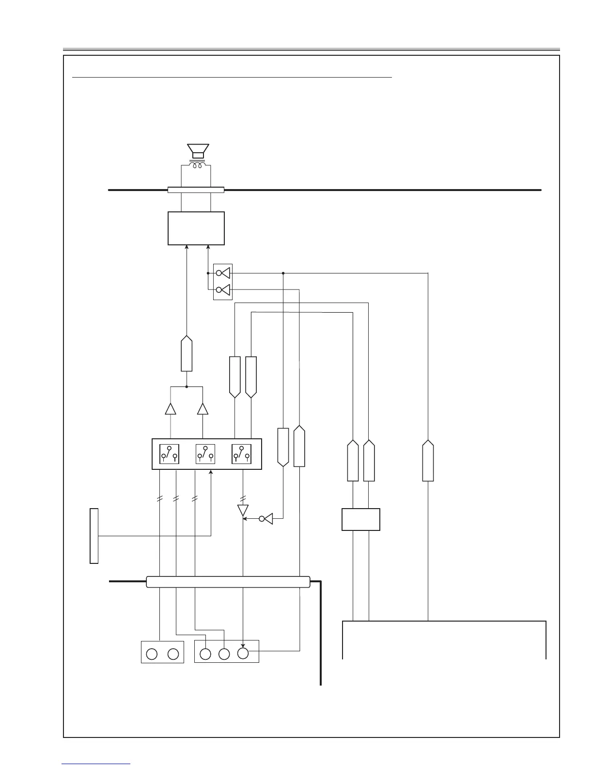
Chassis Block Diagrams
PC
AUDIO2-IN
VIDEO
AUDIO-IN
IC5001
AUDIO-SW
<QNJW1156AV--M>
AV
MAIN
IC1303
BUS-SW
SPEAKER
SP901
L,R
L,R
5,17
7
15
10
9
4
1
2,20
AUDIO
OUT
L,R 7,15
3
5
2
6
Q5031
K300 K200
Q5032
Q5061/Q5063
Q5035Q5035
Q5062
Q5064
IC5031
AUDIO
OUT
<LM4889MMP>
1
3
K8F
IC301
SCALER
SCL2_5V
OUT_DET
SDA2_5V
SCL2_5V
SDA2_5V
211
294
344
AUDIO
MUTE
MUTE
Mute On: H
K8W
L,R 3,19
L,R
6,16
PC
AUDIO1-IN
8
5
Audio circuit

Table of Contents

Other manuals for Sanyo PLC-XU106

Related product manuals