EasyManua.ls Logo

Sanyo PLC-XU106

Sanyo PLC-XU106
110 pages
To Next Page IconTo Next Page
To Next Page IconTo Next Page
To Previous Page IconTo Previous Page
To Previous Page IconTo Previous Page
Loading...
-65-
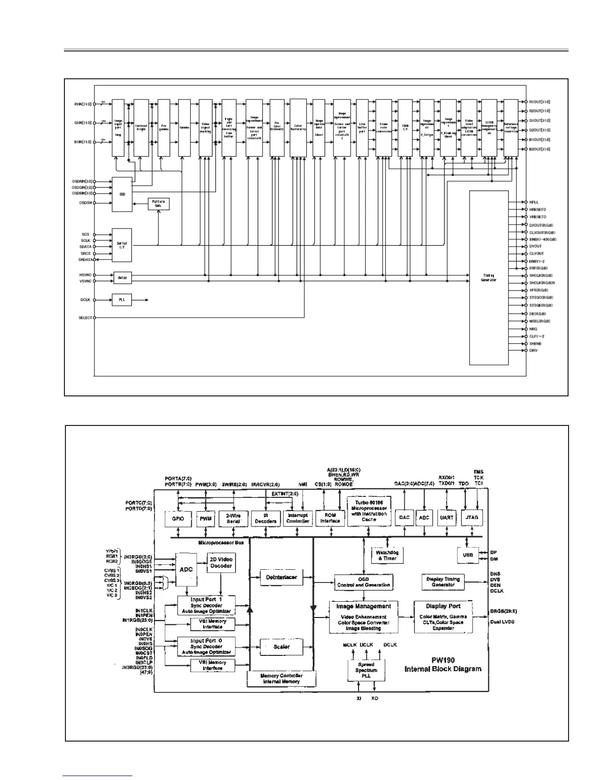
IC Block Diagrams
L3E07111 <LCD Driver & Gamma Correction, IC401>
PW190 <Scaler, IC301>

Table of Contents

Other manuals for Sanyo PLC-XU106

Related product manuals