EasyManua.ls Logo

Sanyo PLC-XU116

Sanyo PLC-XU116
120 pages
To Next Page IconTo Next Page
To Next Page IconTo Next Page
To Previous Page IconTo Previous Page
To Previous Page IconTo Previous Page
Loading...
-66-
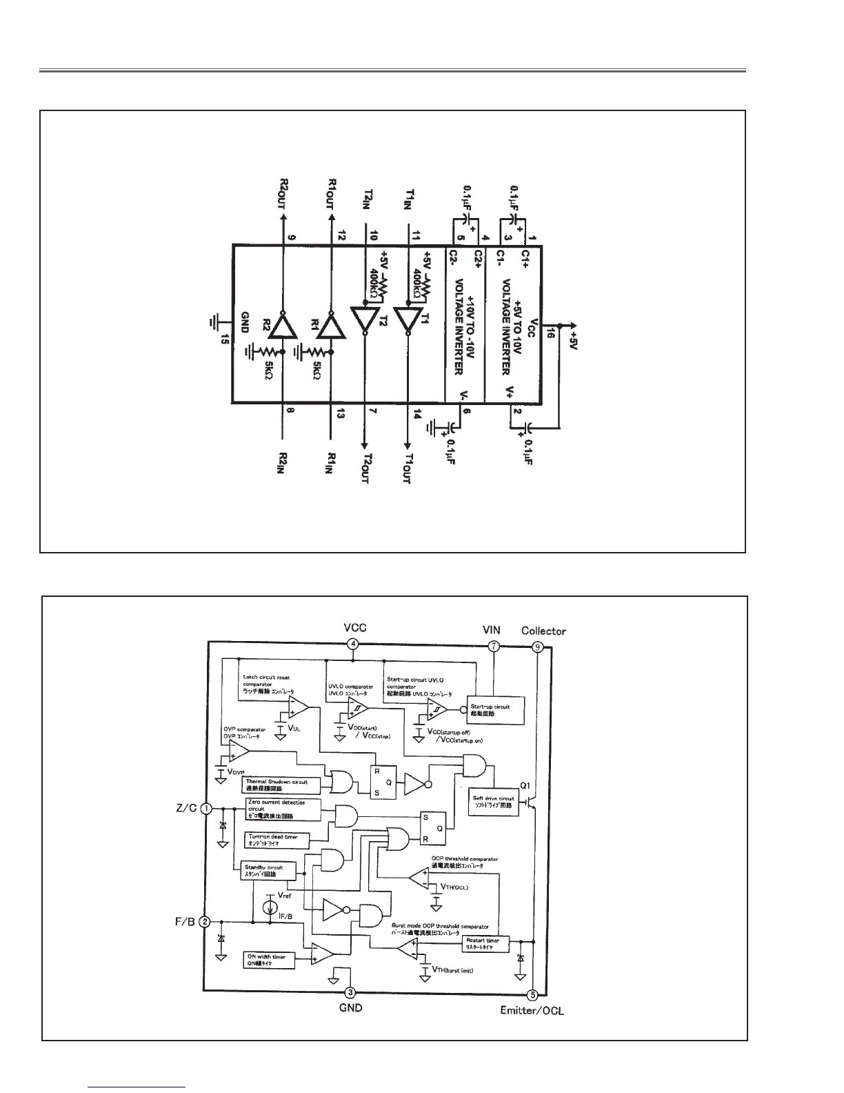
IC Block Diagrams
SP3232ECYP <RS-232C Driver, IC3801>
MR4010 <Power OSC, IC631>

Table of Contents

Other manuals for Sanyo PLC-XU116

Related product manuals