EasyManua.ls Logo

Sanyo PLC-XU116

Sanyo PLC-XU116
120 pages
To Next Page IconTo Next Page
To Next Page IconTo Next Page
To Previous Page IconTo Previous Page
To Previous Page IconTo Previous Page
Loading...
-65-
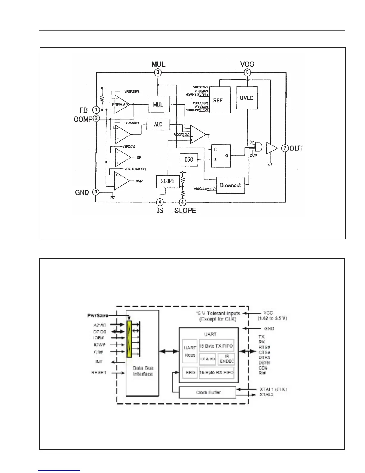
IC Block Diagrams
FA5550NG <P.F. Control, IC621>
IC87F2G08A5AT6 <UART, IC9885>

Table of Contents

Other manuals for Sanyo PLC-XU116

Related product manuals