EasyManua.ls Logo

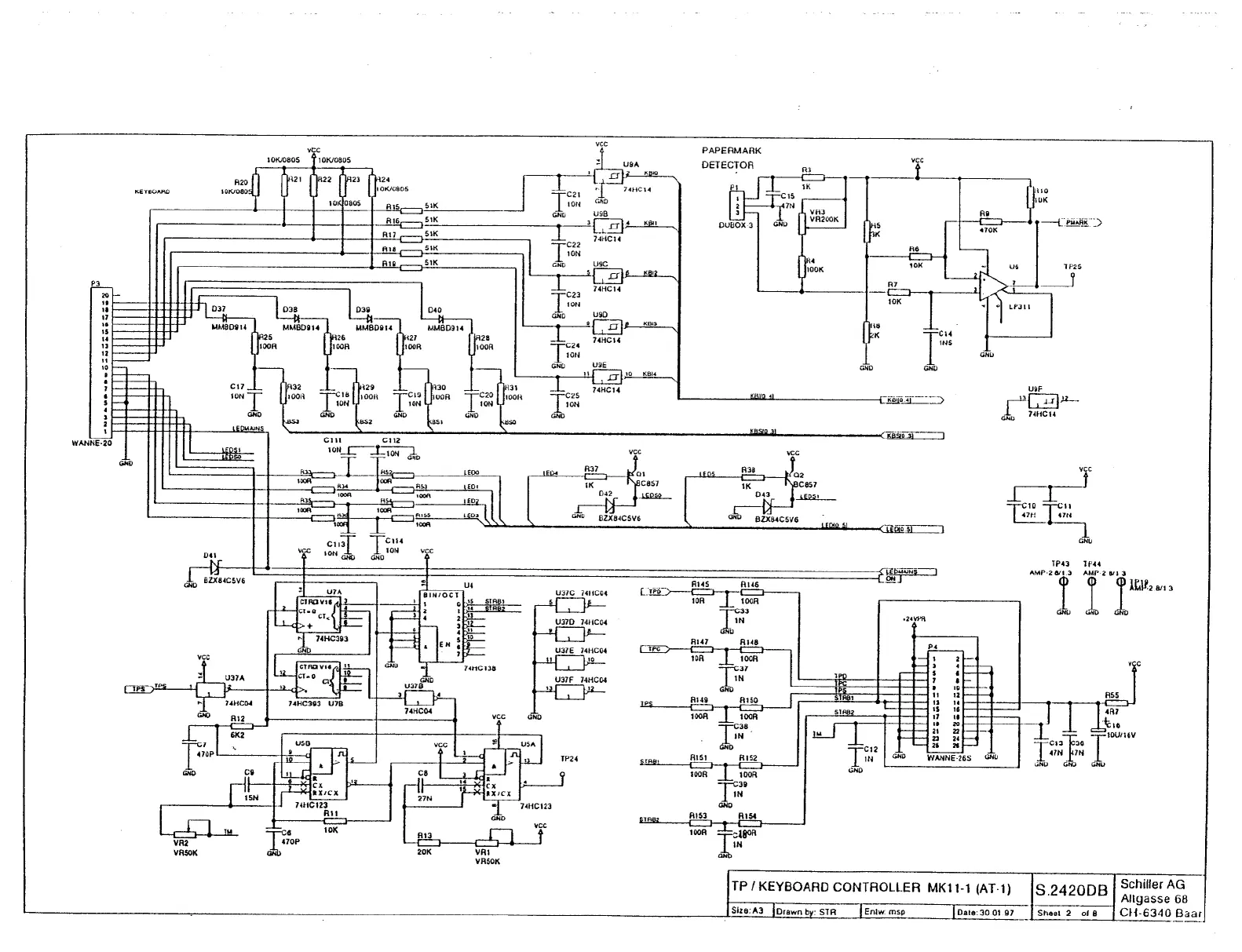
Schiller AT-1 - TP;Keyboard Controller

Default Icon
114 pages
Print Icon
To Next Page IconTo Next Page
To Next Page IconTo Next Page
To Previous Page IconTo Previous Page
To Previous Page IconTo Previous Page
Loading...
"CC
VtC
PAPERMARK
mcc
DETECTOR
VR50K
8/13
-
TP /KEYBOARD
CONTROLLER
MKI
1-1
(AT-1)
Altyasse
68
-_
Slle
A3
IDrswnby
STR
(Enlw
rnsp

Table of Contents