EasyManua.ls Logo

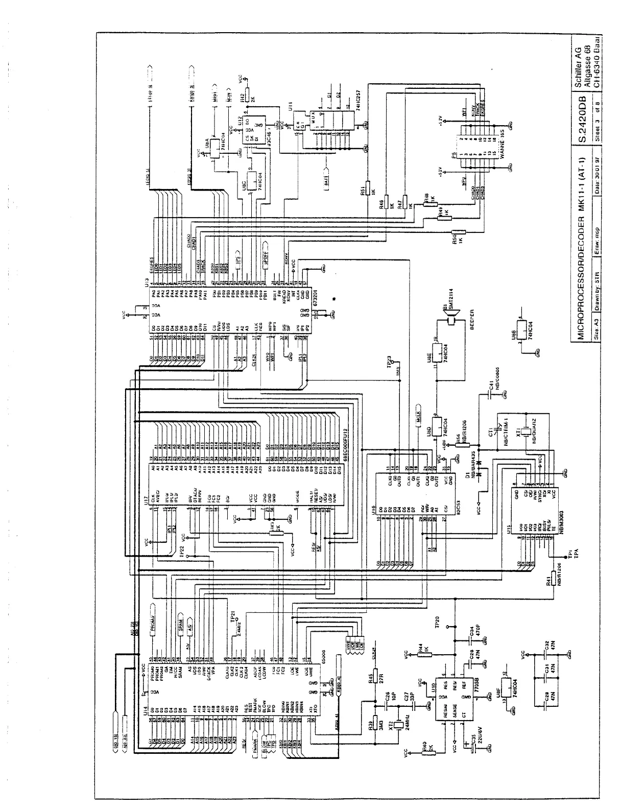
Schiller AT-1 - Microprocessor;Decoder

Default Icon
114 pages
Print Icon
To Next Page IconTo Next Page
To Next Page IconTo Next Page
To Previous Page IconTo Previous Page
To Previous Page IconTo Previous Page
Loading...
I
I
Ill

Table of Contents