EasyManua.ls Logo

Schuler HF255 - Page 44

Schuler HF255
68 pages
Print Icon
To Next Page IconTo Next Page
To Next Page IconTo Next Page
To Previous Page IconTo Previous Page
To Previous Page IconTo Previous Page
Loading...
- 12 -
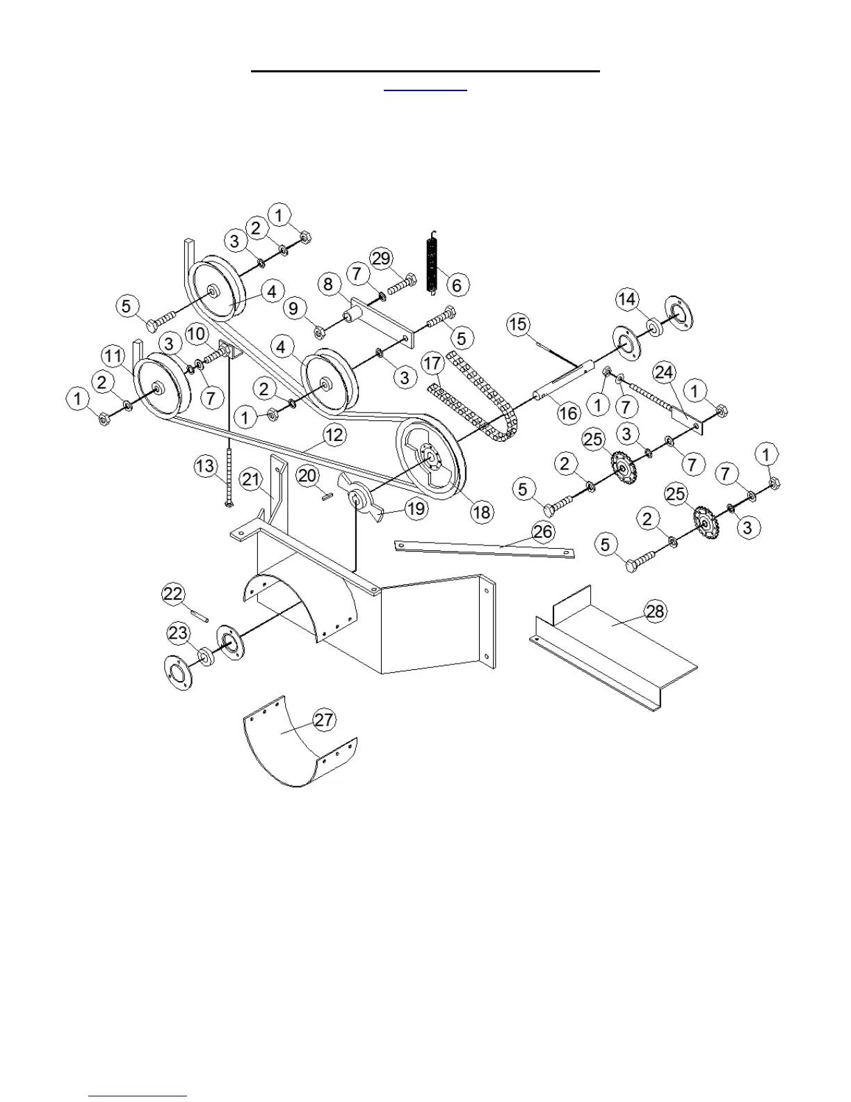
PTO INPUT SHAFT AND DRIVE HF255
HF-000070