EasyManua.ls Logo

Scotchman 6509-24FF - Electrical Requirements

Scotchman 6509-24FF
161 pages
Print Icon
To Next Page IconTo Next Page
To Next Page IconTo Next Page
To Previous Page IconTo Previous Page
To Previous Page IconTo Previous Page
Loading...
Page 14
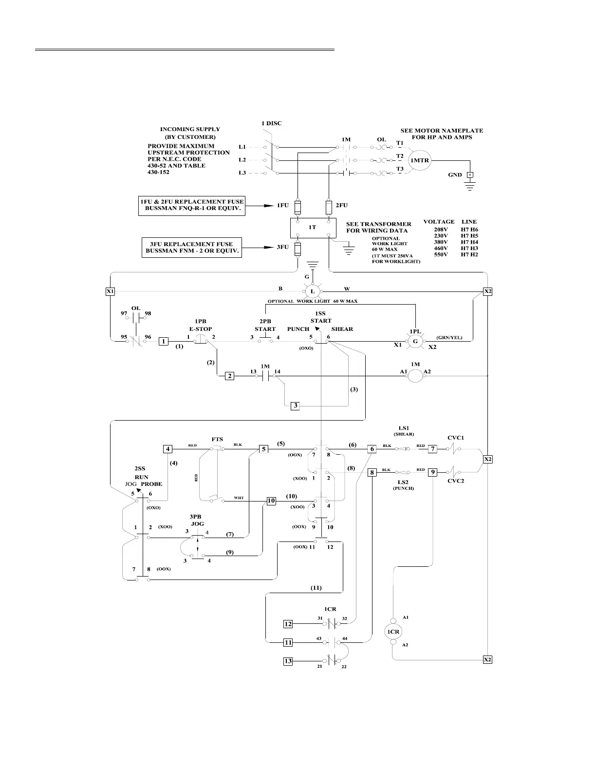
4.4 ELECTRICAL REQUIREMENTS
FIGURE 4

Table of Contents

Related product manuals