EasyManua.ls Logo

Scotchman 6509-24FF - Page 73

Scotchman 6509-24FF
161 pages
Print Icon
To Next Page IconTo Next Page
To Next Page IconTo Next Page
To Previous Page IconTo Previous Page
To Previous Page IconTo Previous Page
Loading...
Page 73
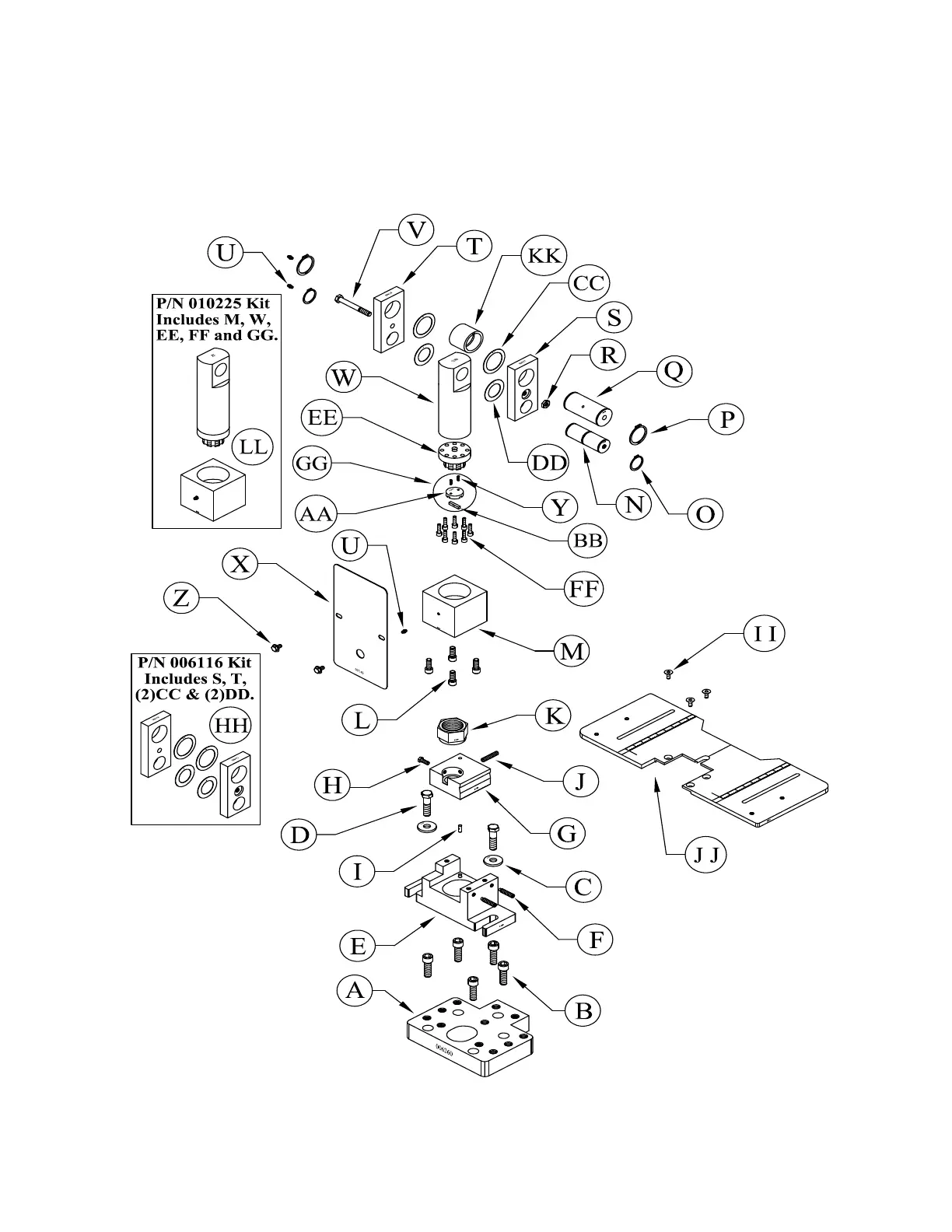
JJ 1 026713 Punch Table w/Scale - 9”
KK 1 006164 Upper Punch Pin & Bushing
LL 1 010225 Kit -
(Includes M, W, EE, FF & GG)
FIGURE 31

Table of Contents

Related product manuals