EasyManua.ls Logo

Scotchman 6509-24FF - Page 85

Scotchman 6509-24FF
161 pages
Print Icon
To Next Page IconTo Next Page
To Next Page IconTo Next Page
To Previous Page IconTo Previous Page
To Previous Page IconTo Previous Page
Loading...
Page 85
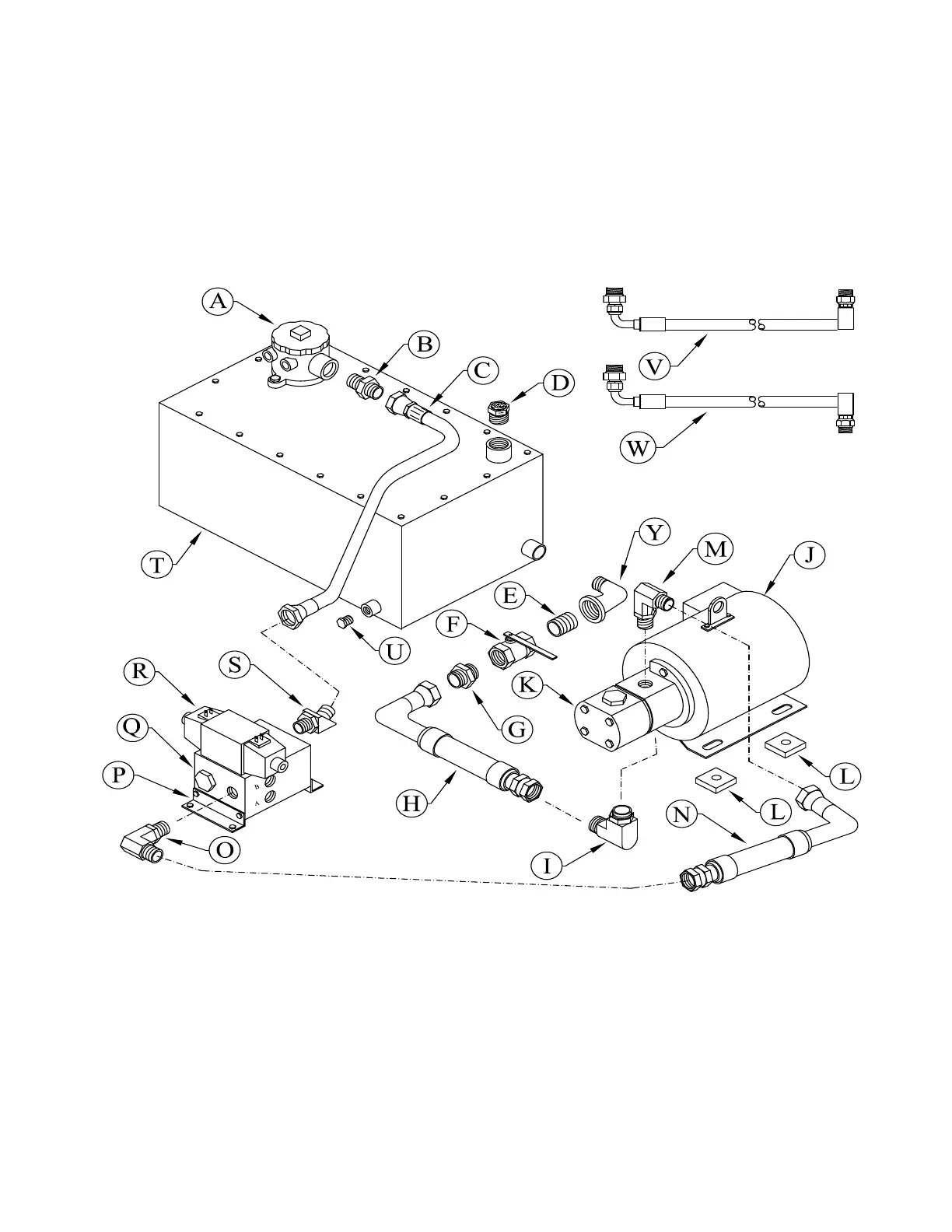
FIGURE 38

Table of Contents

Related product manuals