EasyManua.ls Logo

Selectronic SP PRO - Page 9

Selectronic SP PRO
22 pages
Print Icon
To Next Page IconTo Next Page
To Next Page IconTo Next Page
To Previous Page IconTo Previous Page
To Previous Page IconTo Previous Page
Loading...
IN0016 Revision 12 Part # 004573 9 of 22
POWER PERFORMANCE PASSION
SP PRO Three Phase
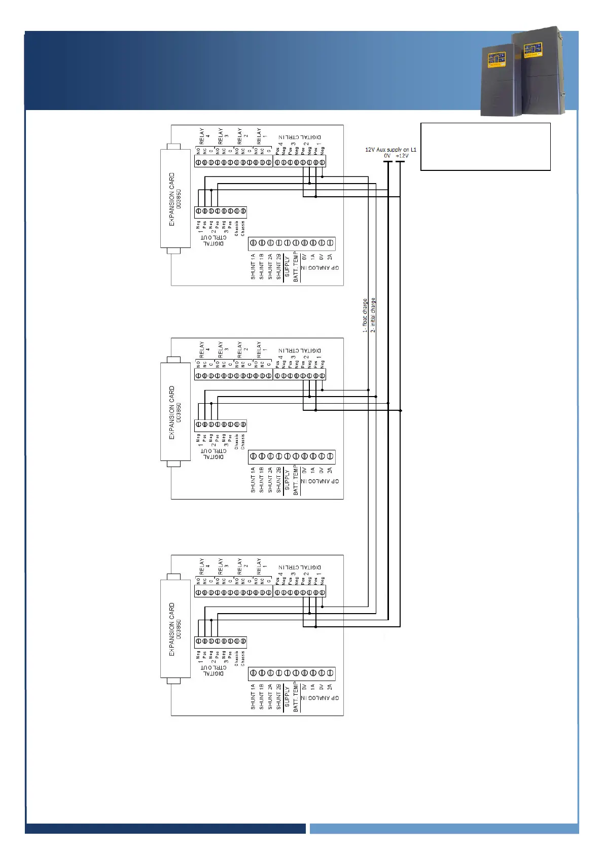
Installation Notes
Charge stage link wiring between SP PRO units
SP PRO 3
SP PRO 2
SP PRO 1
Signal power comes from 12V,
1 amp aux output supply on L1
(adjacent to the SYNC 1
connector within the SP PRO).

Other manuals for Selectronic SP PRO

Related product manuals