EasyManua.ls Logo

Shibaura SX21 - Page 28

Shibaura SX21
314 pages
Print Icon
To Next Page IconTo Next Page
To Next Page IconTo Next Page
To Previous Page IconTo Previous Page
To Previous Page IconTo Previous Page
Loading...
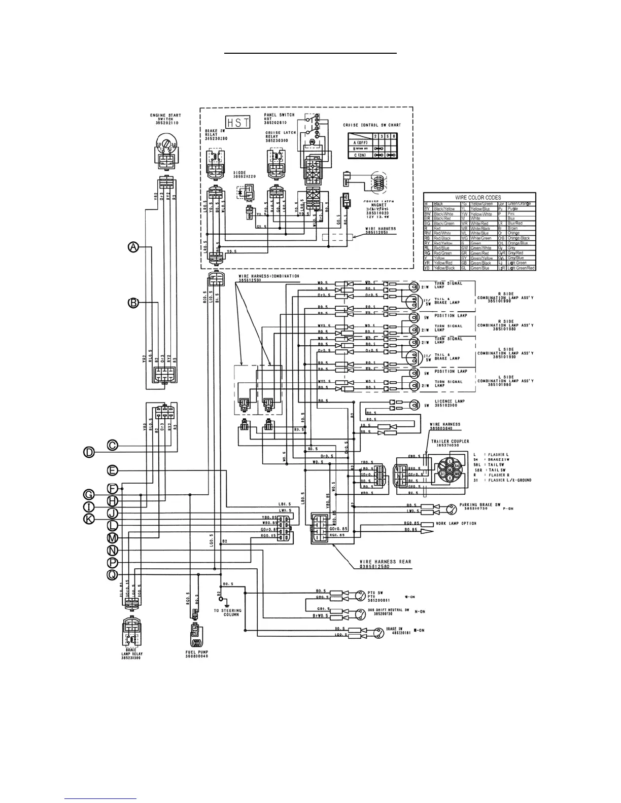
SPECIFICATION & STRUCTURE
27
20-1

Table of Contents

Other manuals for Shibaura SX21

Related product manuals