EasyManua.ls Logo

Si-tex SP-70 - Connecting a Second Location or Second Station Options; Second Location Kit

Si-tex SP-70
80 pages
Print Icon
To Next Page IconTo Next Page
To Next Page IconTo Next Page
To Previous Page IconTo Previous Page
To Previous Page IconTo Previous Page
Loading...
APPENDIX C
Connecting a Second Location or Second Station Options
Your Autopilot system can support remote autopilot operation in one of two ways:
1) The first option is to install one or more Second Location Kits (part #10080034). This allows
the user to connect and use an SP-70 Control head at several locations. If you chose this method,
it is important to note that only one SP-70 Control Head can be connected at any given time. You
are in fact only moving your Control Head from one location to another.
2) The second option is to install a Second Station Kit (part #10080035). This allows the user to
connect two fully functional Control Heads at different locations. Only one of the two Control
Heads can be in command at any time, but transferring command from one to the other is as
simple as holding down the Red & Green Dodge Keys for 2 seconds.
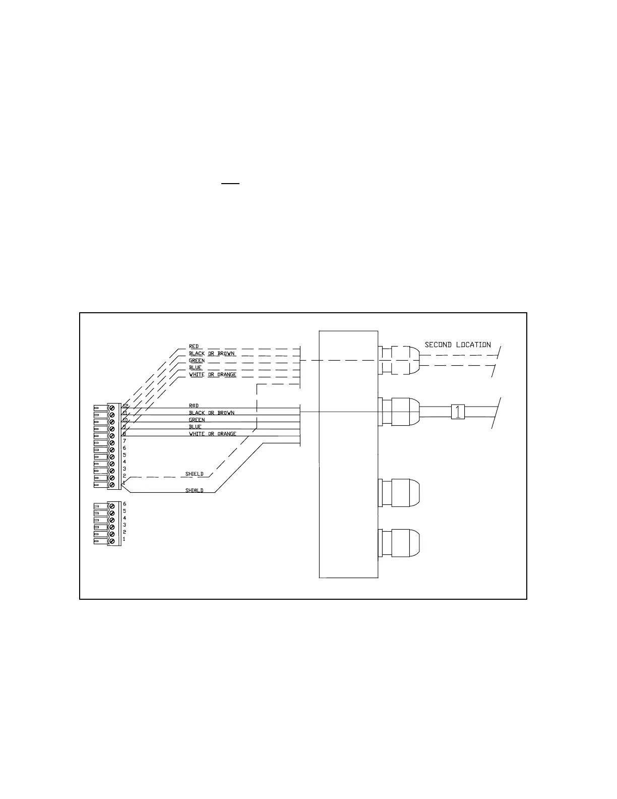
Second Location Kit
Part Number 10080034
The Second Location Kit contains all the items you will require to install a second location outlet for
your autopilot. The kit should contain the following items:
1.
1 only Mounting Clip for the SP-70 Control Unit.
2. 1 only Cable Gland and Nut.
3.
1 only Receptacle and Cap with 30 foot cable.
4.
1 only Stainless Steel mounting washer.
Right-hand side showing optional second location connections

Related product manuals