EasyManua.ls Logo

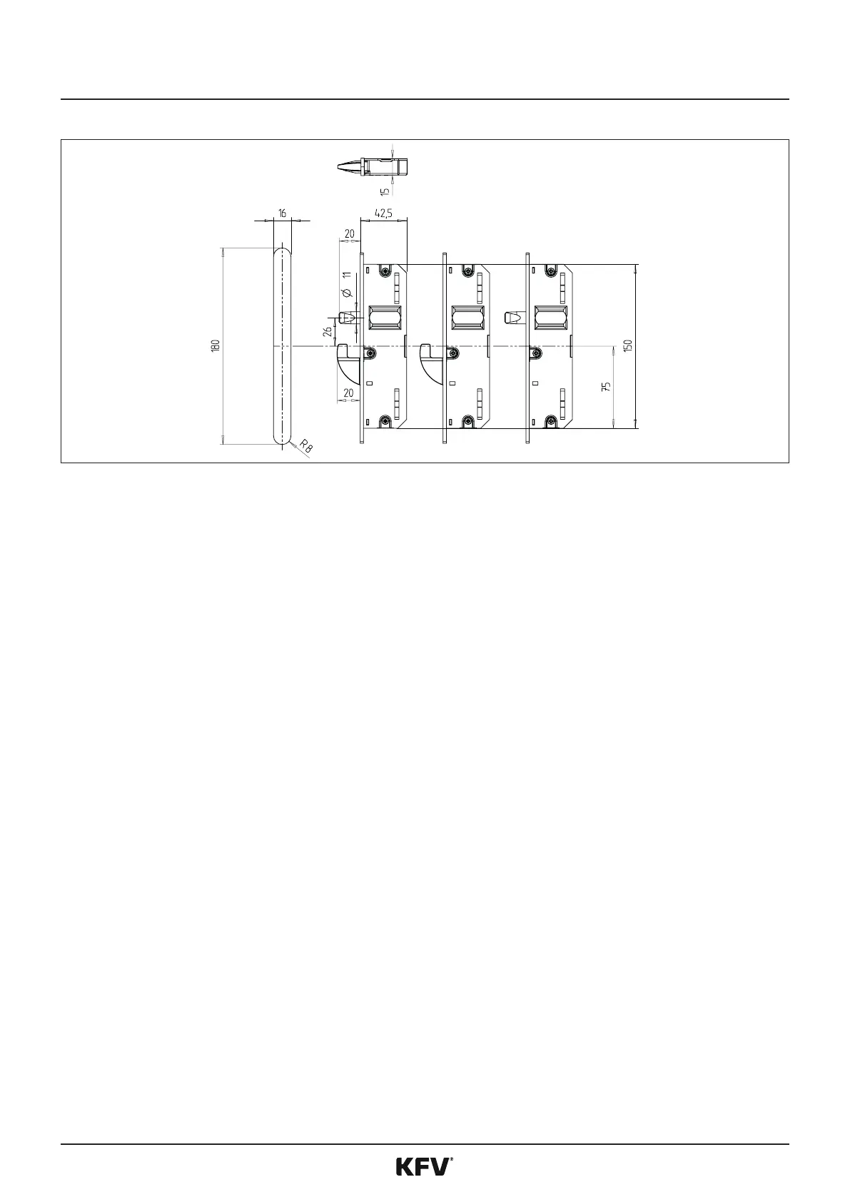
Siegenia KFV GENIUS 2.2 PANIC - Dimensions of the Auxiliary Boxes

Siegenia KFV GENIUS 2.2 PANIC
45 pages
Print Icon
To Next Page IconTo Next Page
To Next Page IconTo Next Page
To Previous Page IconTo Previous Page
To Previous Page IconTo Previous Page
Loading...
13/4513/4501.2020H39.ELEKS014EN-00

GENIUS 2.2 PANIC, Electromechanical mul-point lock
 

Table of Contents

Related product manuals