EasyManua.ls Logo

Siemens SIMOTION D410-2 - Page 52

Siemens SIMOTION D410-2
94 pages
Print Icon
To Next Page IconTo Next Page
To Next Page IconTo Next Page
To Previous Page IconTo Previous Page
To Previous Page IconTo Previous Page
Loading...
Interfaces
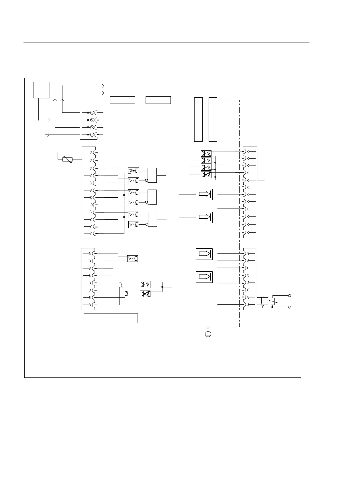
3.5 Digital I/Os / temperature sensor / analog input
SIMOTION D410-2
52 Manual, 02/2012
Connection examples with Safety Integrated extended functions
287
287
287
287
1HFHVVDU\IRUVXSSO\LQJWKHGLJLWDORXWSXWV'2WR'2
8VHVKLHOGHGFDEOHIRUPRWRUWHPSHUDWXUHVHQVRULQSXW
7KHLQYHUVLRQFDQEHSDUDPHWHUL]HG
-XPSHURSHQHOHFWULFDOLVRODWLRQIRUGLJLWDOLQSXWV',
8VHVKLHOGHGFDEOHVIRUIDVWLQSXWV
8VHVKLHOGHGFDEOHIRUDQDORJ,QSXWVKLHOGHG
$,DVYROWDJHLQSXW
([W
9
'5,9(&/L4VRFNHW
(QFRGHULQWHUIDFH
&RPSDFW)ODVK&DUG
)'2
9
9
9
9
;
;
7HPS
7HPS
;
; ;
˽
''3
;
;
0
352),%86
9
0
9
0
;
0
0
0
',
',
',
',
',
',
',
',
0
',
',
',
0
0
0
9
'2
$,
$,
0
0
','2
','2
','2
','2





0
0
0
0
',
','2
','2
','2
','2





',
',
',



',
',
',
',
s9



;
352),%86
'2
9
)',

)',

)',





Figure 3-4 Internal connections of the SIMOTION D410-2 DP with a safety function

Table of Contents

Related product manuals