EasyManua.ls Logo

Siemens SIRIUS 3RW40 - Reversing Circuit; 3 RW30 Reversing Circuit

Siemens SIRIUS 3RW40
204 pages
To Next Page IconTo Next Page
To Next Page IconTo Next Page
To Previous Page IconTo Previous Page
To Previous Page IconTo Previous Page
Loading...
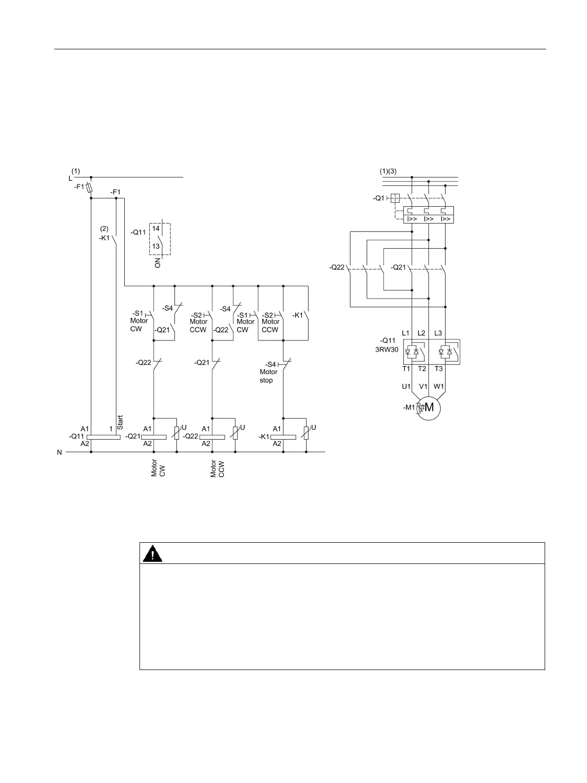
Typical circuit diagrams
16.7 Reversing circuit
SIRIUS 3RW30 / 3RW40
Manual, 10/2018, NEB535199502000/RS-AB/005
177
16.7
Reversing circuit
16.7.1
3RW30 reversing circuit
Figure 16-17 Wiring of the 3RW30 control and main circuits
(1) For permissible main and control voltage values (dependent on article number), refer to
chapter Technical data (Page 127).
WARNING
(2) Automatic restart. Can result in death, serious injury, or property damage.
Faults caused by incorrect control voltage, a missing load, or a phase failure (refer to
chapter 3RW30: LEDs (Page 57)) are automatically reset when the system returns to
normal. An automatic restart is initiated and the 3RW restarted if a start command is
present at the input.
If you do not want the motor to start automatically, you must integrate suitable additional
components, e.g. phase failure or load monitoring devices, into the control and main
circuits.

Table of Contents

Other manuals for Siemens SIRIUS 3RW40

Related product manuals