EasyManua.ls Logo

Siemens SIRIUS 3RW40 - Page 43

Siemens SIRIUS 3RW40
204 pages
To Next Page IconTo Next Page
To Next Page IconTo Next Page
To Previous Page IconTo Previous Page
To Previous Page IconTo Previous Page
Loading...
Functions
5.3 Motor protection / intrinsic device protection (3RW40 only)
SIRIUS 3RW30 / 3RW40
Manual, 10/2018, NEB535199502000/RS-AB/005
43
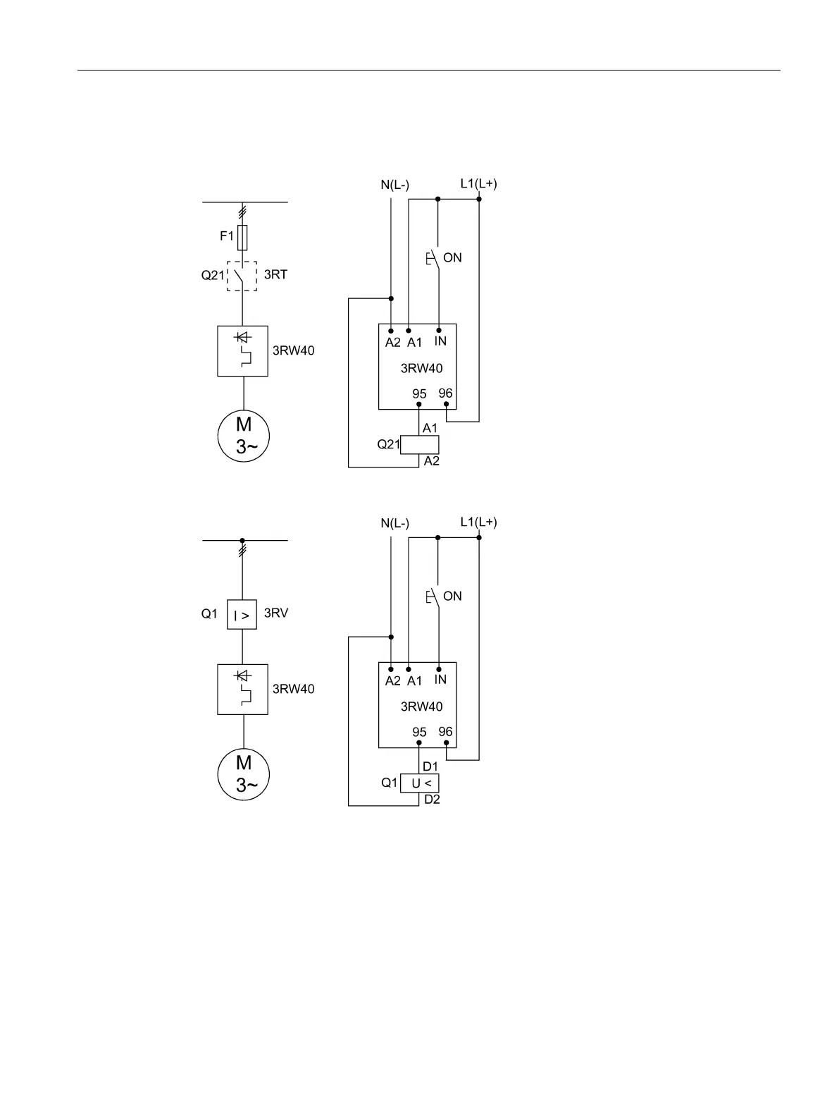
Wire the fault output (95 96) to an upstream switching device in such a way that if a fault
occurs, this device disconnects the feeder (refer to Fig. "3RW40 wiring fault with 3RV").
Figure 5-5 3RW40 wiring fault
Figure 5-6 3RW40 wiring fault with 3RV

Table of Contents

Other manuals for Siemens SIRIUS 3RW40

Related product manuals