EasyManua.ls Logo

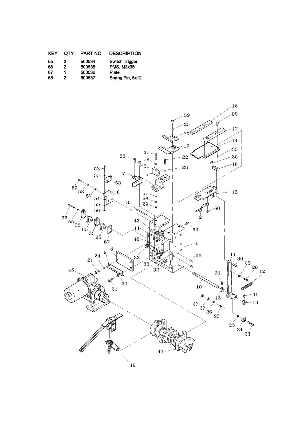
Signode TABLE-TYER - Control Head Assembly - Exploded View; Trigger and Plate Components; Assembly Diagram

Signode TABLE-TYER
42 pages
Print Icon
To Next Page IconTo Next Page
To Next Page IconTo Next Page
To Previous Page IconTo Previous Page
To Previous Page IconTo Previous Page
Loading...
12/14/10
17

Related product manuals