EasyManua.ls Logo

Siruba PK511 - Page 55

Siruba PK511
67 pages
Print Icon
To Next Page IconTo Next Page
To Next Page IconTo Next Page
To Previous Page IconTo Previous Page
To Previous Page IconTo Previous Page
Loading...
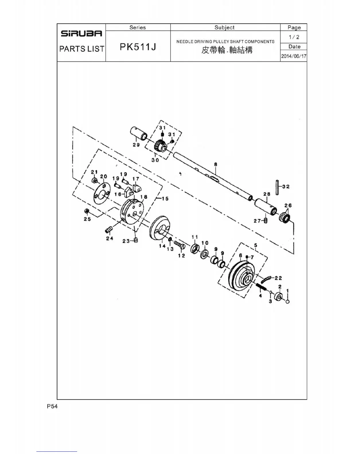
P54
Sii=IUaA
PARTS
LIST
Ser
ies
PK511 J
Sub
·
ect
__
_
LLEY
SHAFT
COMPONENTS
NEEDLE
DRIVING
PU;t;.6. il;rh}':±fl
$ ~
ffl
.
.!j!IIJ
iJICl
1 / 2
Date
2014
/06/
17
From the library of Superior Sewing Machine & Supply LLC • www.supsew.com

Table of Contents

Related product manuals