EasyManua.ls Logo

Skipper EML224 - JB60 CD Connection Methods

Skipper EML224
68 pages
Print Icon
To Next Page IconTo Next Page
To Next Page IconTo Next Page
To Previous Page IconTo Previous Page
To Previous Page IconTo Previous Page
Loading...
OpInMan EML224/DL1 Compact Speed Log System
Page 20 of 68
Date: 2017-01-12
Electronics AS
A
A
B
B
C
C
D
D
E
E
F
F
G
G
H
H
1 1
2 2
3 3
4 4
5 5
6 6
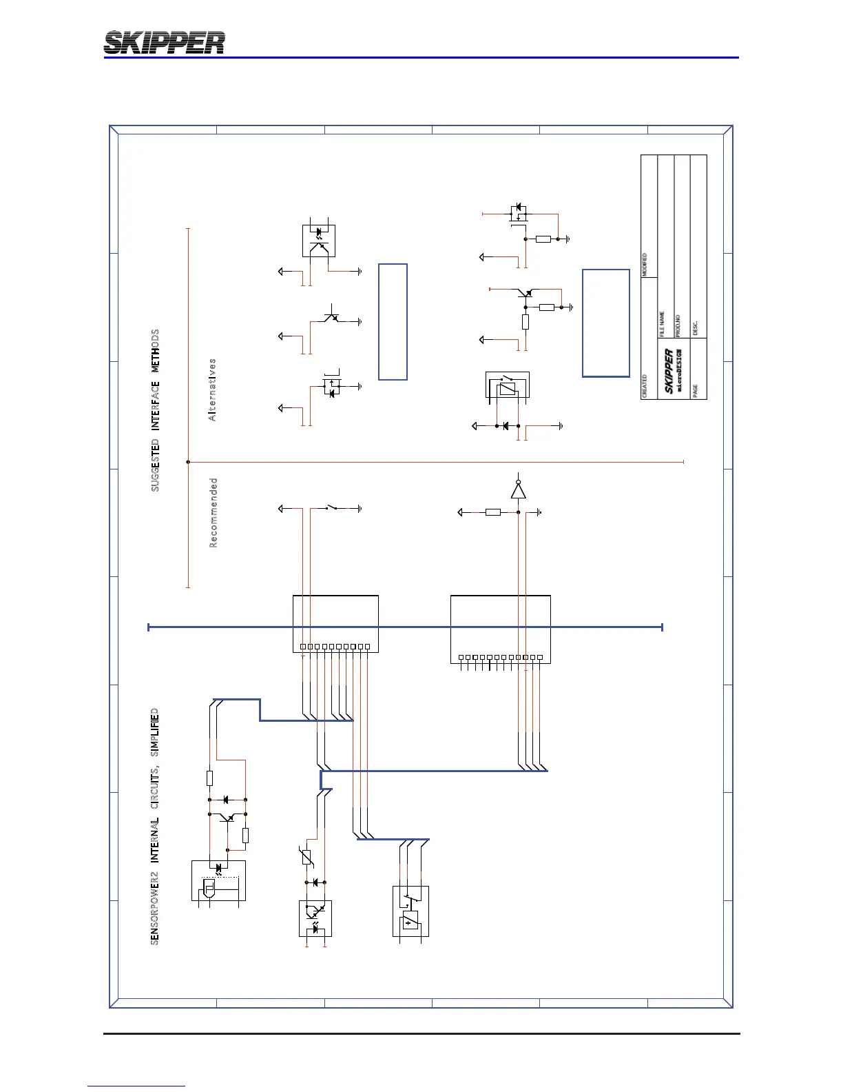
All Pulse Outputs PULSA/B_x
Optocoupler Outputs:
Max 30 V
Max 150 mA
All Digital Inputs 24VINPA/B_x
Input Voltage VCC 5 - 24 V
SENSORPOWER2 INTERNAL CIRCUITS, SIMPLIFIED
A l t e r n a ti v e s
Re com men ded
SUGGESTED INTERFACE METHODS
2008.11.13 ØK 2010.05.14 ØK
Misc_IO_Examples
NA
SensorPower23/5
A
DIMDWN
ALARMCOM
ALRSTA
DIMCOM
DIMUP
ALARMNC
ALARMNO
ALRSTB
FITOUTA
FITOUTB
1
2
3
4
5
6
7
8
9
10
J400
5*COB5_2
B
E
C
BC847A
T400
0805
21
100R
R400
A
CA
a
BAV99
D400
2
3
8
7
5
HCPL0201
PH400
1
2
4
3
PC853XI
PH403
CA
C
b
BAV99
D403
PTC
FS400
miniSMDC014
24VINPA_3
24VINPA_2
24VINPB_2+3
+
1
8
4
2
3
FU_FTRB3_GA45Z
RL400
ALNC
ALNO
ALCOM
ALCOM
ALNO
ALNC
1206
1K0
R401
24VINPB_x
24VINPA_x
24VINPB_1
24VINPA_1
PULS1A
+5VREF
NMEAINA
NMEAOUT1A
GNDREF
NMEAINB
NMEAOUT1B
NMEAOUT2A
NMEAOUT2B
PULS1B
PULS2A/NMEA
PULS2B/NMEA
1
2
3
4
5
6
7
8
9
10
11
12
J301
6*COB5_2
PULSB_1
PULSA_1
PULSB_x
PULSA_x
PULSB_2
PULSA_2
PULSB_3
PULSA_3
B
E
C
G
D
S
0805
B
E
C
G
D
S
VCC
0805
0805
0805
VCC VCC
1
2
4
3
VCC VCC VCC VCC
5
1
2
6
VCC
A
C
JB60CD CONNECTION METHODS

Table of Contents