EasyManua.ls Logo

Skyjack SJ 4632 - Platform Control Console Diagram (with Rotary Switch)

Skyjack SJ 4632
130 pages
Print Icon
To Next Page IconTo Next Page
To Next Page IconTo Next Page
To Previous Page IconTo Previous Page
To Previous Page IconTo Previous Page
Loading...
SKYJACK, Page 14 SJIII Conventional Series
143911
Service and Maintenance Section 3 - System Component Identification and Schematics
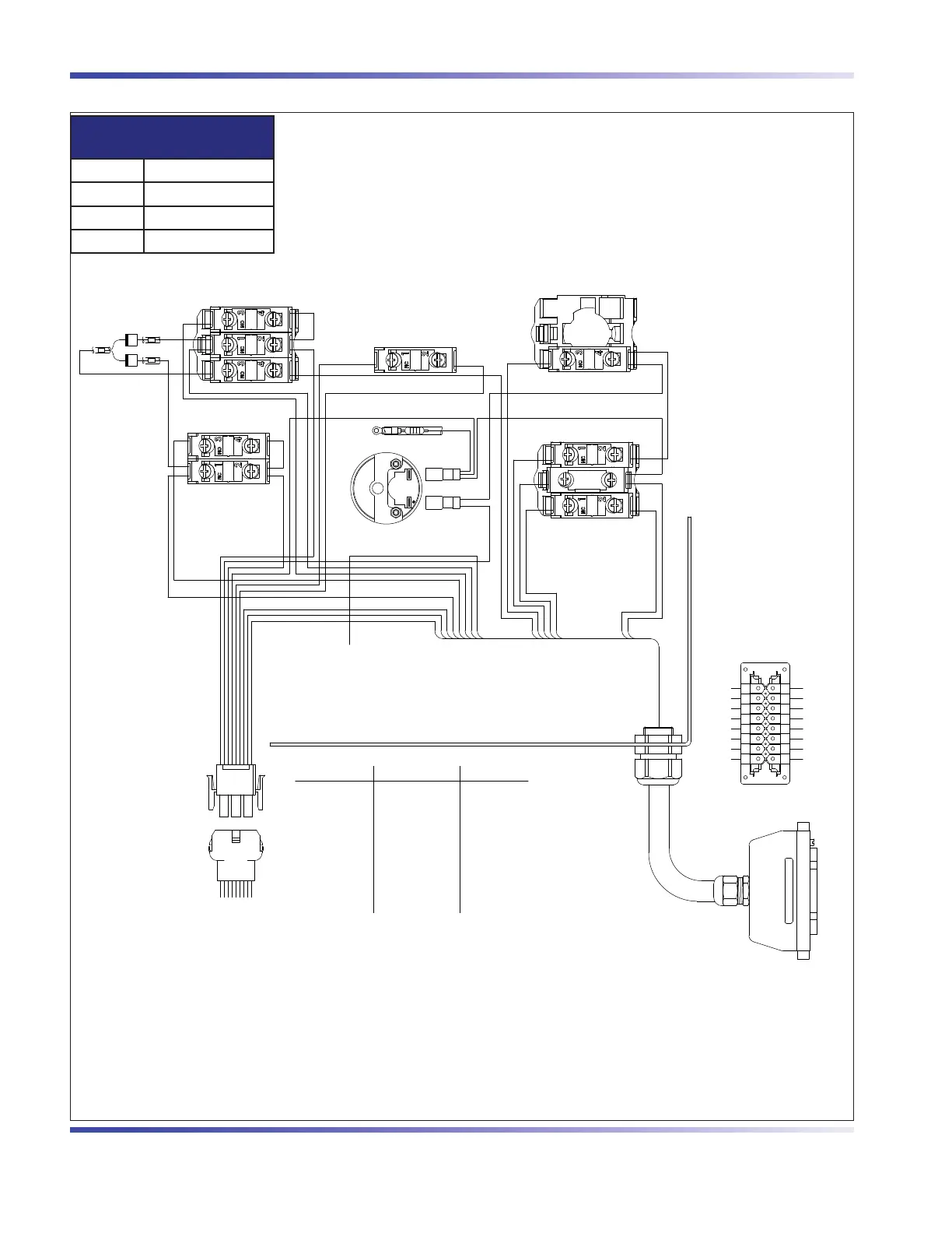
3.7b Platform Control Console Diagram (with Rotary Switch)
M146621AA
X2
X1
BLUE BLACK (24)
RED WHITE (60/7A)
BLACK WHITE (23)
GREEN BLACK (21B) (OPT)
ORANGE BLACK (59)
WHITE BLACK (16)
MALE
CRD1
RED BLACK (18)
(NOT USED)
BACK VIEW
7
6
3
4
5
8
(13) ORANGE
(14) BLACK
(07) RED
(8C) BLUE WHITE
(49) GREEN WHITE
(7A) GREEN
91
(02) WHITE
(15) BLUE
2 10
16
13
11
12
15
14
21B GREEN/BLACK - TIED BACK
02
07
7A
08
60/7A
8C
49
08
08
12B
18
7B
8A
13
15
A
16
14
B
16
15
D15D16
7B
02
08
00
RST1
PIN # - FUNCTION CTRL BOX HARNESS JOYSTICK HARNESS
PIN 1 - LEFT 24 BLUE/BLACK WHITE/RED
PIN 2 - STEERING VS+ 12B BROWN/RED WHITE/GREEN
PIN 3 - RIGHT 23 BLACK/WHITE WHITE
PIN 4 - FWD/UP B RED YELLOW
PIN 5 - JOYSTICK VS+ 08 BLUE WHITE/BLACK
PIN 6 - REV/DOWN A PURPLE/WHITE GREY
PIN 7 - PWM 59 ORANGE/BLACK BLUE
PIN 8 - GND 02 WHITE BLACK
PIN 9 - ENABLE VS+ 8A BLUE WHITE/BLUE
CTRL BOX
JOYSTICK HARNESS
HARNESS
B
A
XX
HYDRAULIC PROPORTIONAL
118711-0
S8 - HORN
S4 - EMERGENCY STOP
LED-1
S3 - LIFT/DRIVE SELECTOR
TOP SECTION
S3 - LIFT/DRIVE SELECTOR
BOTTOM SECTION
S3 - LIFT/DRIVE SELECTOR
MIDDLE SECTION
Serial Breakdown
Reference Chart
Model Serial Number
SJ3 3220 60002137 & below
SJ3 3226 27006058 & below
SJ3 46XX 70006693 & below
AC

Table of Contents

Other manuals for Skyjack SJ 4632

Related product manuals