EasyManua.ls Logo

Skyjack SJ 4632 - Platform Control Console with Toggle Switch - Powered Extension Platform Modification Diagram

Skyjack SJ 4632
130 pages
Print Icon
To Next Page IconTo Next Page
To Next Page IconTo Next Page
To Previous Page IconTo Previous Page
To Previous Page IconTo Previous Page
Loading...
SKYJACK, Page 15SJIII Conventional Series
143911
Section 3 - System Component Identification and Schematics Service and Maintenance
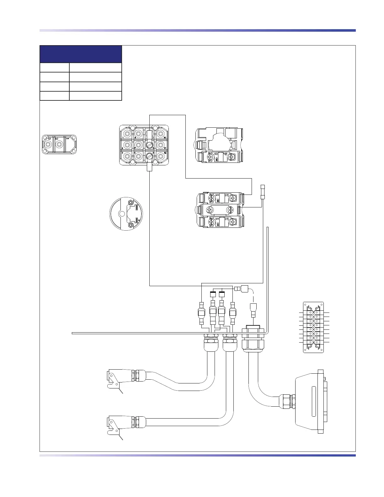
3.8a Platform Control Console with Toggle Switch - Powered Extension Platform Modification Diagram
02
S8 - HORN
S4 - EMERGENCY STOP
S3 - LIFT/OFF/DRIVE
S27 - TORQUE
TO PWR DECK
CONTROL BOX
TO PWR DECK
SOLENOID VALVES
D27D26
PIN 1 - 27 BLACK
PIN 2 - 02 WHITE
PIN 3 - 26 GREEN
PIN 4 - N / U
PIN 5 - N / U
PIN 1 - 27 BLACK
PIN 4 - N / U
PIN 5 - N / U
PIN 3 - 26 GREEN
PIN 2 - 09 WHITE
08
21B
21B
2726
02
09
BLUE BLACK (24)
RED WHITE (60/7A)
BLACK WHITE (23)
GREEN BLACK (21B) (OPT)
ORANGE BLACK (59)
WHITE BLACK (16)
MALE
RED BLACK (18)
(NOT USED)
BACK VIEW
7
6
3
4
5
8
(13) ORANGE
(14) BLACK
(07) RED
(8C) BLUE WHITE
(49) GREEN WHITE
(7A) GREEN
91
(02) WHITE
(15) BLUE
2
10
16
13
11
12
15
14
X2
X1
LED-1
09
08
M156955AA
Serial Breakdown
Reference Chart
Model Serial Number
SJ3 3220 60002138 & above
SJ3 3226 27006059 & above
SJ3 46XX 70006694 & above
AC

Table of Contents

Other manuals for Skyjack SJ 4632

Related product manuals