EasyManua.ls Logo

Skyjack SJ 4632 - Electrical Schematic (ANSI;CSA EE Rated - Equipped with no Options)

Skyjack SJ 4632
130 pages
Print Icon
To Next Page IconTo Next Page
To Next Page IconTo Next Page
To Previous Page IconTo Previous Page
To Previous Page IconTo Previous Page
Loading...
SJIII Conventional Series
143911
SKYJACK, Page 40
A B C D E F G H
V
Z
Y
X
W
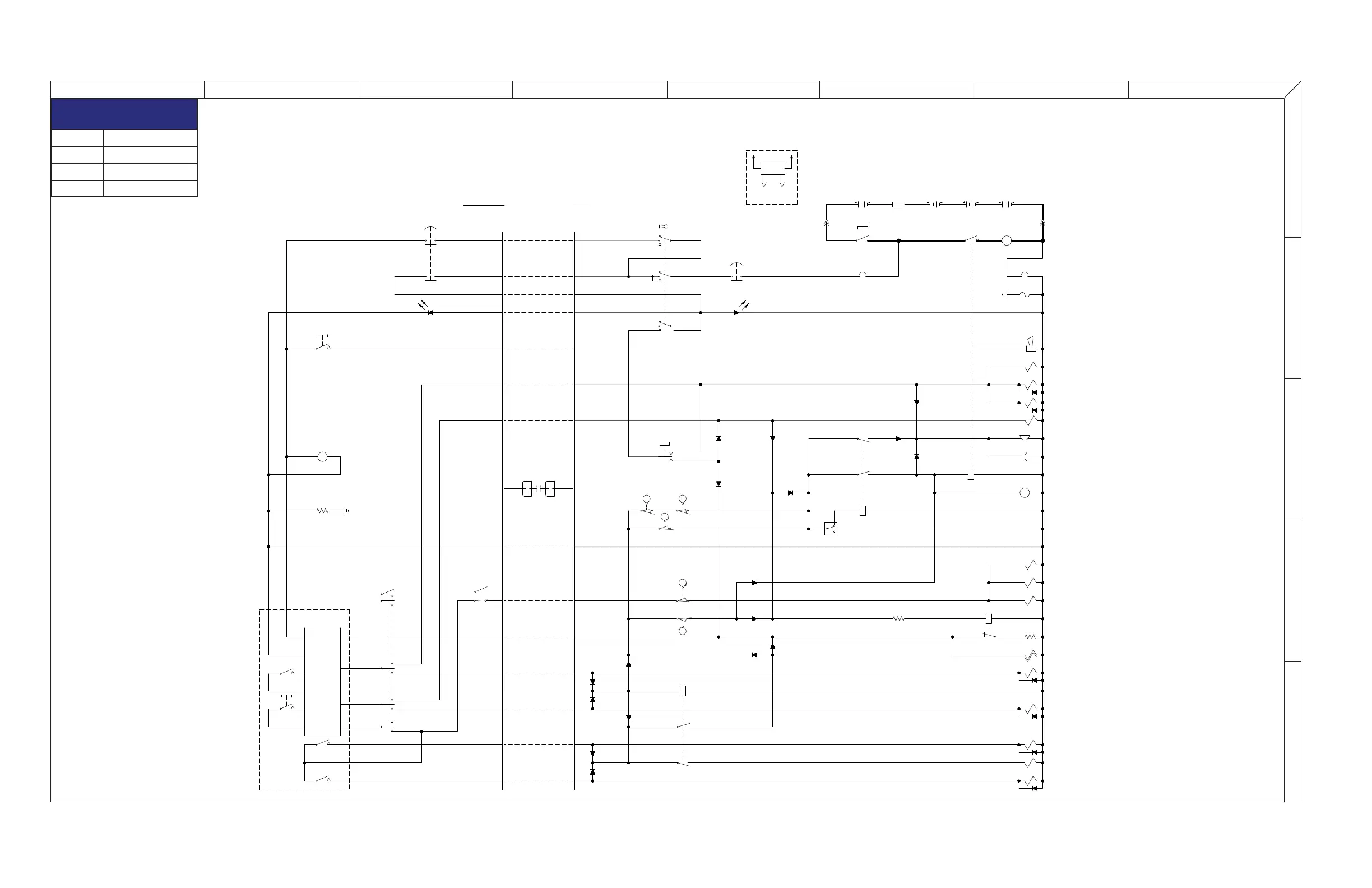
3.27a Electrical Schematic (ANSI/CSA EE Rated - Equipped with no options)
M150851AB-1
AC
Serial Breakdown
Reference Chart
Model Serial Number
SJ3 3220 60002138 & above
SJ3 3226 27006059 & above
SJ3 46XX 70006694 & above
POTHOLE PROTECTION
LIMIT SWITCHES N.C.H.O.
5A
07
NCHO
NO
NCHO
2H-59
60
49
08
ENABLE
02
02
02
CONTROL BOX
BASE
7A
POWER ON LIGHT
LED-2
02
JOYSTICK PCB
08
7A
08
S4
EMERGENCY
STOP
49
7A
07
BATTERY CHARGE
S8
HORN
SWITCH
08
S7
JOYSTICK
PWM
00
2.7K OHMS
RST1
BCI
INDICATOR
V
02
60
59
24
23
RIGHT
12B
S7-2
LEFT
S7-3
07
8C
8C
S7-1
NUETRAL
OUTPUT
7A
GREEN
8C
BLUE/WHITE
05
7A
RED/WHITE
LIMIT SWITCHES N.C.
HIGH SPEED
LIMIT SWITCH N.C.
DRIVE OVERRIDE
SWITCH
UP/DOWN
S2
HORN
H1
BATTERY
B4 6V
FUSE
300A
F1
BATTERY
B3 6V
BATTERY
B2 6V
BATTERY
6VB1
DISCONNECT
MAINS1
CONTACTOR
MOTOR
C1
D13
35
BRAKE SOLENOID
LEFT SOLENOID
4H-24
DO2-6
17A
34
33
RIGHT SOLENOID
31
TRANSFER RELAY
30
REVERSE SOLENOID
32
FORWARD SOLENOID
28
29
SOLENOID
PROPORTIONAL
27
RELAY
26
25
PROPORTIONAL
SPEED B SOLENOID
22
24
DIFF. SOLENOID
23
SPEED A SOLENOID
21
20
TILT RELAY
TILT SWITCH
18
17
MOTOR CONTACTOR
0.47uF CAPACITOR
14
TWO CYLINDERS
16
BEEPER
15
UP SOLENOID
19
HOURMETER
4H-23
DO2-5
DO2-4
4H-15
DO2-3
4H-16
02
18A
3H-18A-2
RST3
21C
21CCR
17C
02
17
17CR
D17C-1
21A
59
21
18A
D21
D17C
3H-18A-1
2H-18A
19A
02
CAP1
02
02
19A
DO2-2
29
3H-14
BP-29
19A
D19A
19A
29
28A
D28A
TT
19 02
28
TS1
D21-1
19
19
LS5
D21A
19
19
13
14E
D14E-1
D14E
14
D14
28CR
3H-17A
13
12
DOWN SOLENOID
HOLDING VALVE
SINGLE CYLINDER
10
9
11
BREAKER
8
15A CIRCUIT
7
4
5 PUMP MOTOR
6
2
CHARGER1
PACK
BATTERY
3
2H-13-2
2H-13
2H-13-1
13
DO2-1
00 02
M
DCM1
13
00
HOLDING VALVE
D24
24
BLUE/BLACK
D23
23
D17
D15
15
D16
16
17
BLACK/WHITE
BLUE
WHITE/BLACK
59
18
ORANGE/BLACK
RED/BLACK
D17-1
02
71
LS6
71
LS4
WHITE
CRD3CRD1 CRD2
10E
14
BLACK
49
13
ORANGE
07
RED
24V
72
71
18
LS1B
LS1A
17B
17B
10E
07
8C
(IN IDLE POSITION)
IDLE/PLTF/BASE
KEY SWITCH
S10
7A
STOP
SWITCH
S28
EMERGENCY
5A
GREEN/WHITE
49
00 02
CB1
03
05
15A CIRCUIT
BREAKER
CB2
POWER ON/LSS
LIGHT
LED-1
02
60
RST2
59 59A
02
S7-6
ENABLE
8A
PROTECTION
LOW VOLTAGE
POWER ON LED
HORN
TO BATTERIES
110 VAC
LINE VOLTAGE
24V CHARGER
110 VAC
BC
24
16
23
15
59
18
02
13
14
S3
LIFT/
OFF/
DRIVE
SWITCH
B
A
14
13
15
8A
12B
16
S27
TORQUE
SWITCH
12B
B
REV/DN
A
FWD/UP

Table of Contents

Other manuals for Skyjack SJ 4632

Related product manuals