EasyManua.ls Logo

Skyjack SJ 4632 - Hydraulic Schematic (Models 46 Xx)

Skyjack SJ 4632
130 pages
Print Icon
To Next Page IconTo Next Page
To Next Page IconTo Next Page
To Previous Page IconTo Previous Page
To Previous Page IconTo Previous Page
Loading...
SJIII Conventional Series
143911
SKYJACK, Page 22
A B C D E F G H
V
Z
Y
X
W
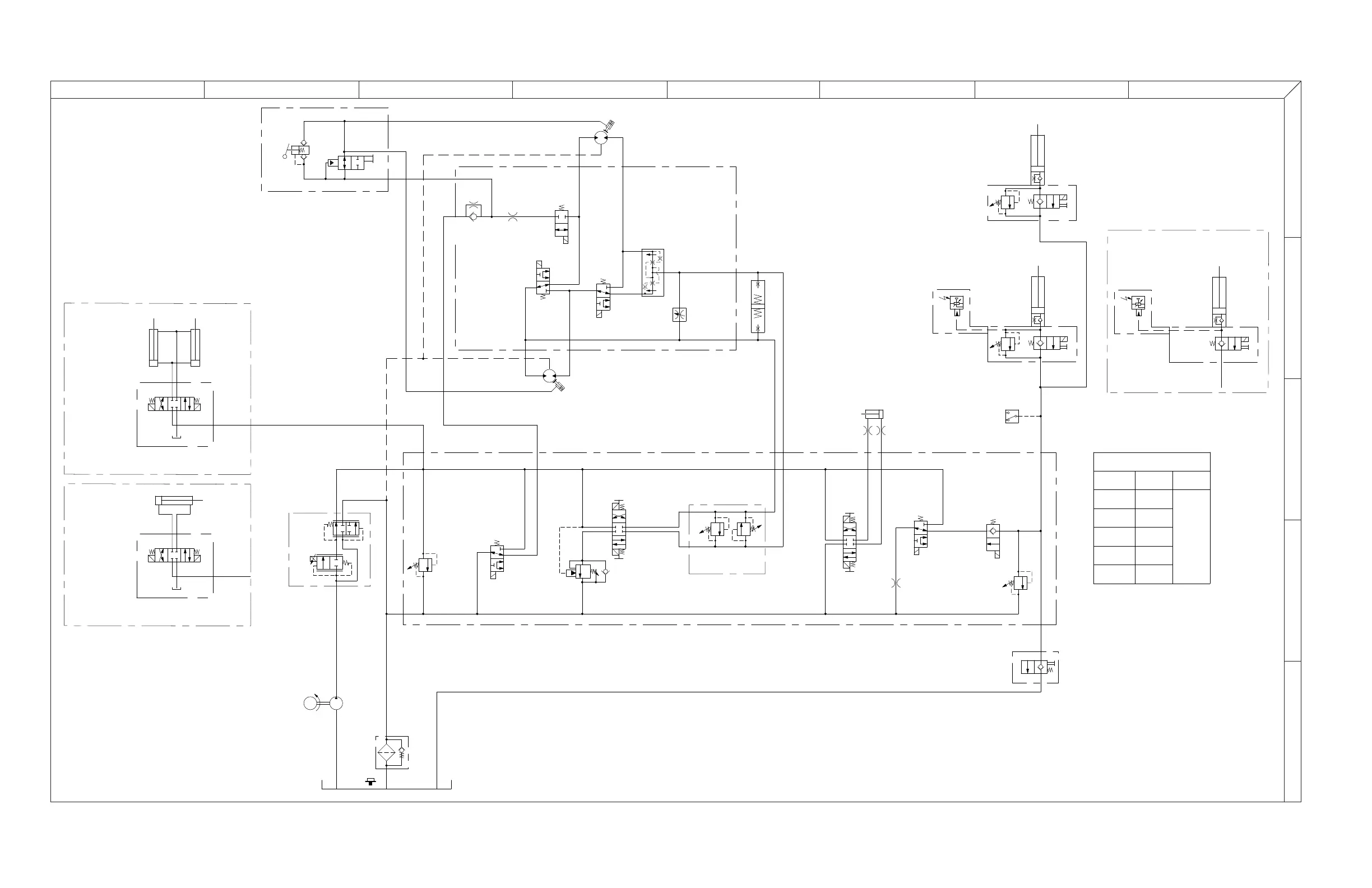
3.13 Hydraulic Schematic (Models 46xx)
M137018AD1
M4
RIGHT DRIVE
MOTOR/BRAKE
CB1
COUNTERBALANCE VALVE
4H-15
REVERSE DRIVE
VALVE
3H-18A-1
SPEED VALVE A
4H-16
FORWARD DRIVE
VALVE
OPTIONAL POWERED
EXTENSION DECK (SJ3D 3220/4620)
MB5 P. DECK
MANIFOLD BLOCK
4H-27
RETRACT
PLATFORM
VALVE
T
B
P
A
DCM1
DC MOTOR
M
RESERVOIR
P1
HYDRAULIC
PUMP
F1
RETURN
FILTER
2H-59
PRESSURE-
COMPENSATED
PROPORTIONAL
VALVE
4H-26
EXTEND
PLATFORM
VALVE
R1
SYSTEM RELIEF
VALVE
T
B
C5 P.DECK
CYLINDER
OPTIONAL POWERED
EXTENSION DECK (SJ3D 4626)
4H-27
RETRACT
PLATFORM
VALVE
MB5 P. DECK
MANIFOLD BLOCK
C5 P.DECK
CYLINDER
B
T
P
A
C5 P.DECK
CYLINDER
O7
BRAKE ONE-WAY
ORIFICE Ø.020
4H-26
EXTEND
PLATFORM
VALVE
MB9
PR0PORTIONAL
MANIFOLD
BLOCK
M3
LEFT DRIVE
MOTOR/BRAKE
3H-17A
BRAKE VALVE
P
A
CASE DRAIN
3H-18A-2
SPEED VALVE B
P2
HAND PUMP
MB7
BRAKE RELEASE
MANIFOLD BLOCK
V3
AUTO RESET
VALVE
O6
DIFFERENTIAL
ORIFICE Ø.040
CASE DRAIN
2H-18A
DIFFERENTIAL
VALVE
P
A
SJ3 3226
NONE
0.081" DIA
NONE
0.073" DIA
SJ3 4626
SJ3 4632
SJ3 4620
NONE
MODEL
SJ3 3220
SJ3D ORIFICE
LIFT
ORIFICEORIFICE
LOWERING
4H-24
LEFT STEER
VALVE
CRV1 CROSS-OVER
RELIEF VALVE OPTION
MB1
MAIN MANIFOLD BLOCK
T
MB2
LOWERING
VALVE
BLOCK
O2
LOWERING ORIFICE
SEE REFERENCE TABLE
B
R2 LIFT
RELIEF
VALVE
V1
EMERGENCY LOWERING
VALVE
(MANUAL)
0.067
REFERENCE TABLE
04
EMERGENCY
LOWERING
ORIFICE
Ø.067
2H-13B-2 (CE)
2H-13-2 (ANSI/CSA)
HOLDING VALVE
2H-13-1
HOLDING VALVE
04
EMERGENCY
LOWERING
ORIFICE
Ø.067
FD1
FLOW DIVIDER
COMBINER
PT1
PRESSURE
OVERLOAD
TRANSDUCER
OPTION
4H-23
RIGHT STEER
VALVE
O3
STEER ORIFICE
Ø.040
V2
FREE-WHEELING
VALVE
C1
CUSHION
CYLINDER
PS1 OPTIONAL
PRESSURE
SWITCH
3H-14
LIFT VALVE
2H-13B (CE)
2H-13 (ANSI/CSA)
LOWERING VALVE
MB3
HOLDING VALVE
MANIFOLD BLOCK
C3 STEERING
CYLINDER
R3
RELIEF VALVE
C2
LOWER LIFT
CYLINDER
3226/4626/4632
MB4
REAR DRIVE
MANIFOLD BLOCK
MB3
HOLDING VALVE
MANIFOLD BLOCK
R3
RELIEF VALVE
C2
UPPER LIFT
CYLINDER
3226/4626/4632
PT1
PRESSURE
OVERLOAD
TRANSDUCER
OPTION
2H-13-1
HOLDING VALVE
04
EMERGENCY
LOWERING
ORIFICE
Ø.067
MB3
HOLDING VALVE
MANIFOLD BLOCK
C2
LOWER LIFT
CYLINDER
3220/4620

Table of Contents

Other manuals for Skyjack SJ 4632

Related product manuals