EasyManua.ls Logo

Skyjack SJ 4632 - Hydraulic Schematic (Models 322 X)

Skyjack SJ 4632
130 pages
Print Icon
To Next Page IconTo Next Page
To Next Page IconTo Next Page
To Previous Page IconTo Previous Page
To Previous Page IconTo Previous Page
Loading...
SKYJACK, Page 21SJIII Conventional Series
143911
A B C D E F G H
V
Z
Y
X
W
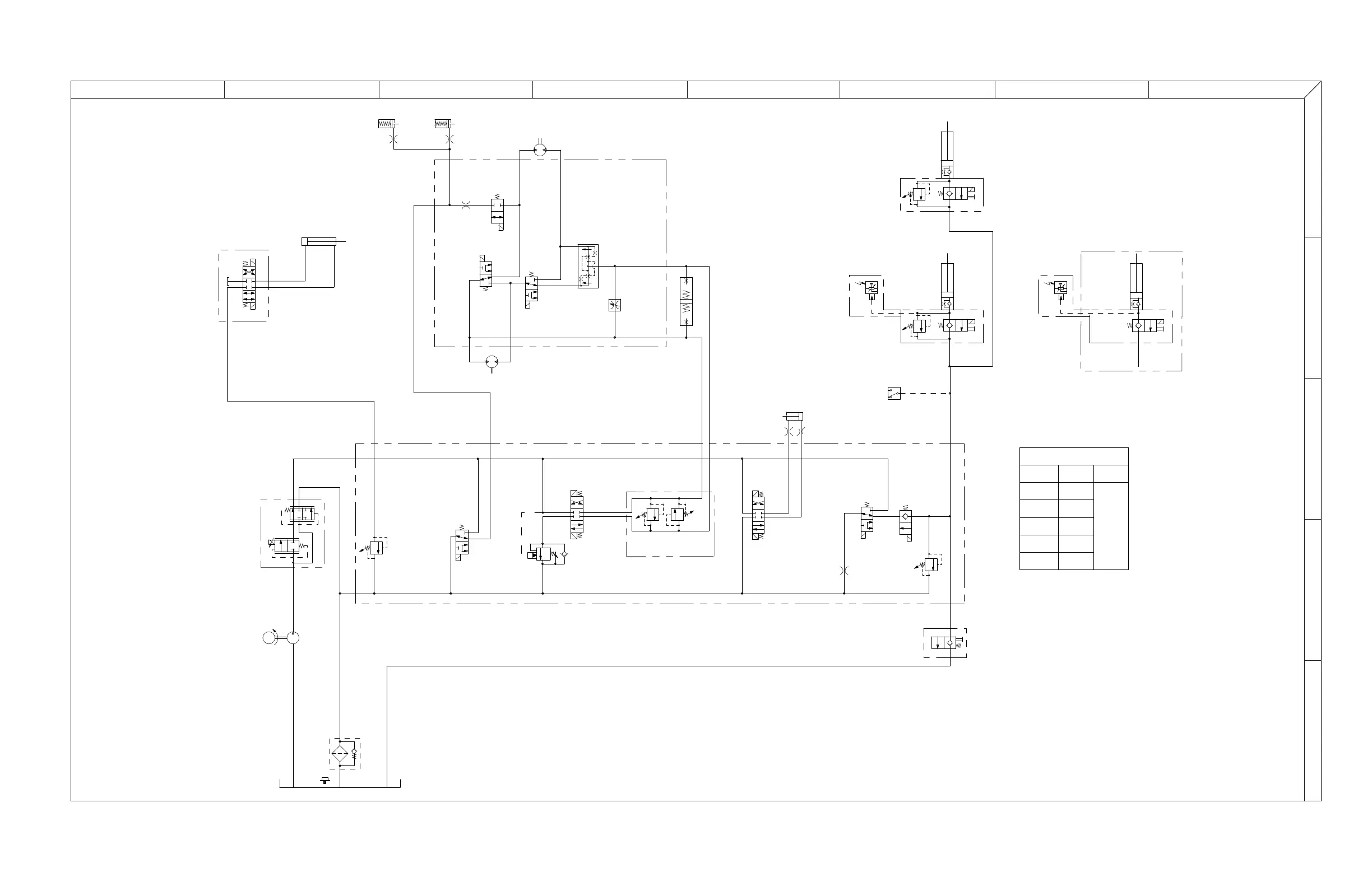
3.12 Hydraulic Schematic (Models 322x)
M132308AD1
OPTIONAL POWERED
EXTENSION DECK SJ3D 3220
T
P
A
B
M
T
P
0.067
SJ3 3226
NONE
NONE
0.073" DIA
0.081" DIA
SJ3 4620
SJ3 4626
SJ3 4632
REFERENCE TABLE
LOWERING
NONE
SJ3D ORIFICE
MODEL
SJ3 3220
LIFT
ORIFICEORIFICE
C3 STEERING
CYLINDER
PS1
OPTIONAL
PRESSURE
SWITCH
B
A
T
P
B
A
C2
UPPER LIFT
CYLINDER
3226
PT1
PRESSURE
OVERLOAD
TRANSDUCER
OPTION
C2
LOWER LIFT
CYLINDER
3226
R3
RELIEF VALVE
PT1
PRESSURE
OVERLOAD
TRANSDUCER
OPTION
C2
LOWER LIFT
CYLINDER
3220
C1
CUSHION
CYLINDER
R3
RELIEF VALVE
MB3
HOLDING VALVE
MANIFOLD BLOCK
04
EMERGENCY
LOWERING
ORIFICE
Ø.067
04
EMERGENCY
LOWERING
ORIFICE
Ø.067
2H-13-2
HOLDING VALVE
2H-13-1
HOLDING VALVE
2H-13B-1 (CE)
2H-13-1 (ANSI/CSA)
HOLDING VALVE
04
EMERGENCY
LOWERING
ORIFICE
Ø.067
MB3
HOLDING VALVE
MANIFOLD BLOCK
2H-13B (CE)
2H-13 (ANSI/CSA)
LOWERING VALVE
R2 LIFT
RELIEF
VALVE
O2
LOWERING ORIFICE
SEE REFERENCE TABLE
3H-14
LIFT VALVE
4H-23
RIGHT STEER
VALVE
4H-24
LEFT STEER
VALVE
O3
STEER ORIFICE
Ø.040
CRV1 CROSS-OVER
RELIEF VALVE OPTION
4H-15
REVERSE DRIVE
VALVE
4H-16
FORWARD DRIVE
VALVE
CB1
COUNTERBALANCE VALVE
3H-17A
BRAKE VALVE
R1
SYSTEM RELIEF
VALVE
2H-59
PRESSURE-
COMPENSATED
PROPORTIONAL
VALVE
MB9
PR0PORTIONAL
MANIFOLD
BLOCK
P1
HYDRAULIC
PUMP
DCM1
DC MOTOR
F1
RETURN
FILTER
RESERVOIR
MB1
MAIN MANIFOLD BLOCK
MB2
LOWERING
VALVE
BLOCK
V1 EMERGENCY
LOWERING
VALVE
(MANUAL)
4H-27
RETRACT
PLATFORM
VALVE
C5 P.DECK
CYLINDER
4H-26
EXTEND
PLATFORM
VALVE
MB5 P. DECK
MANIFOLD BLOCK
MB4
REAR DRIVE
MANIFOLD BLOCK
M4
RIGHT DRIVE
MOTOR
M3
LEFT DRIVE
MOTOR
V2
FREE-WHEELING
VALVE
FD1
FLOW DIVIDER
COMBINER
3H-18A-1
SPEED VALVE A
3H-18A-2
SPEED VALVE B
O7
BRAKE
ORIFICE Ø.040
O6
DIFFERENTIAL
ORIFICE Ø.040
2H-18A
DIFFERENTIAL
VALVE
C4 BRAKE
CYLINDER
C4 BRAKE
CYLINDER

Table of Contents

Other manuals for Skyjack SJ 4632

Related product manuals