EasyManua.ls Logo

Skyjack SJ30AJE - Telescope, Riser & Jib Switch Voltage References

Skyjack SJ30AJE
190 pages
Print Icon
To Next Page IconTo Next Page
To Next Page IconTo Next Page
To Previous Page IconTo Previous Page
To Previous Page IconTo Previous Page
Loading...
140
SJ30AJE, SJ30ARJE196274AF
Section 5 – Procedures Platform
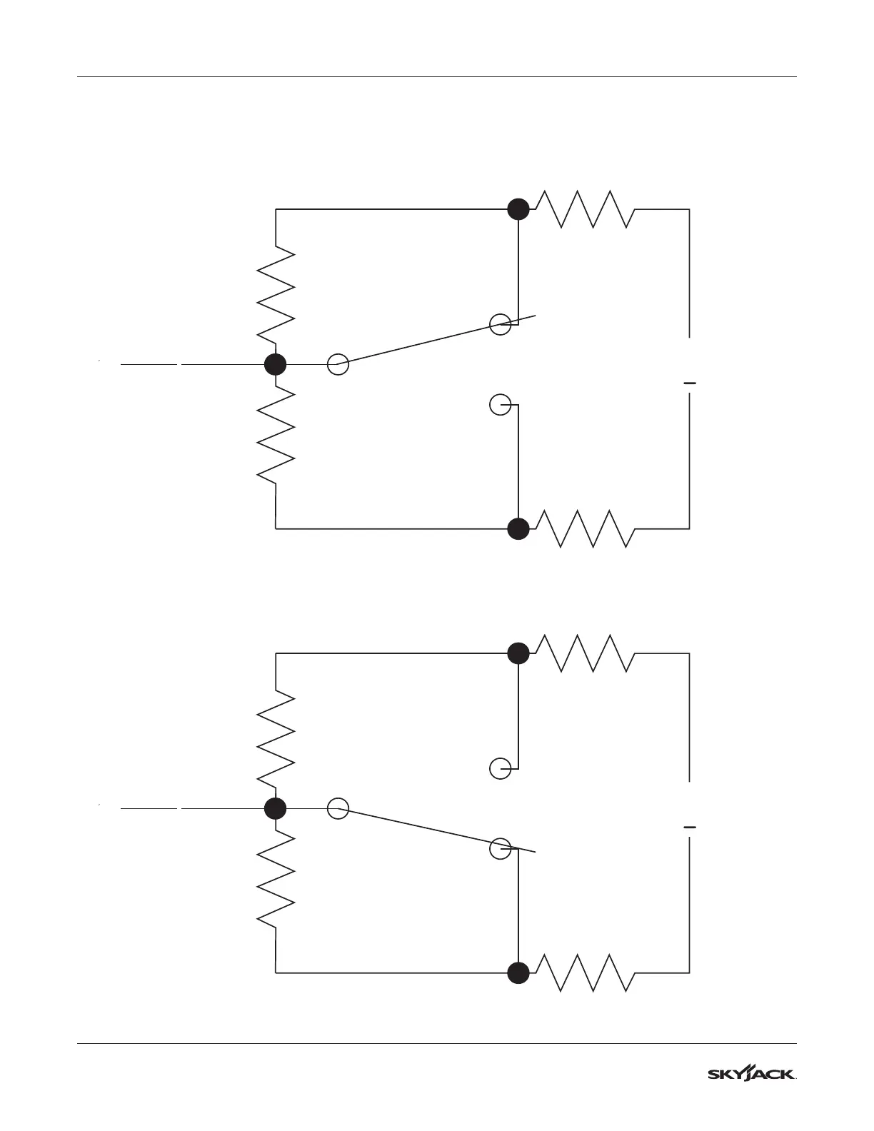
5.2-9 Telescope, Riser & Jib Switch Voltage References
This example shows the Telescopic Switch Voltage Divider Circuit
-
>>
>
+
7.25V
WIRE
L
GND
O2
WIRE
L
GND
O2
TELESCOPE IN
TELESCOPE OUT
-
250 OHMS
250 OHMS
R5
R6
R7
R8
250 OHMS
250 OHMS
P1-32
FLY TOGGLE SWITCH
WIRE#38A
P1-32
WIRE#38A
PIN
32
4.83V
>>
>
+
7.25V
TELESCOPE IN
TELESCOPE OUT
250 OHMS
250 OHMS
R5
R6
R7
R8
250 OHMS
250 OHMS
FLY TOGGLE SWITCH
PIN
32
2.41V

Table of Contents

Related product manuals