EasyManua.ls Logo

SLE SLE4000 - Control & Monitor, Analog Isolated

SLE SLE4000
312 pages
Print Icon
To Next Page IconTo Next Page
To Next Page IconTo Next Page
To Previous Page IconTo Previous Page
To Previous Page IconTo Previous Page
Loading...
(Model K) Page 215
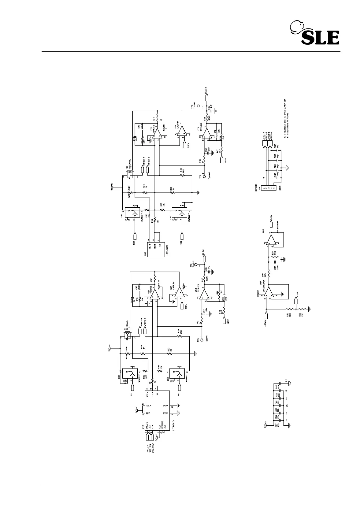
32.10 Control & Monitor, Analog Isolated

Table of Contents

Related product manuals