EasyManua.ls Logo

SLE SLE4000 - Page 93

SLE SLE4000
312 pages
Print Icon
To Next Page IconTo Next Page
To Next Page IconTo Next Page
To Previous Page IconTo Previous Page
To Previous Page IconTo Previous Page
Loading...
(Model K) Page 93
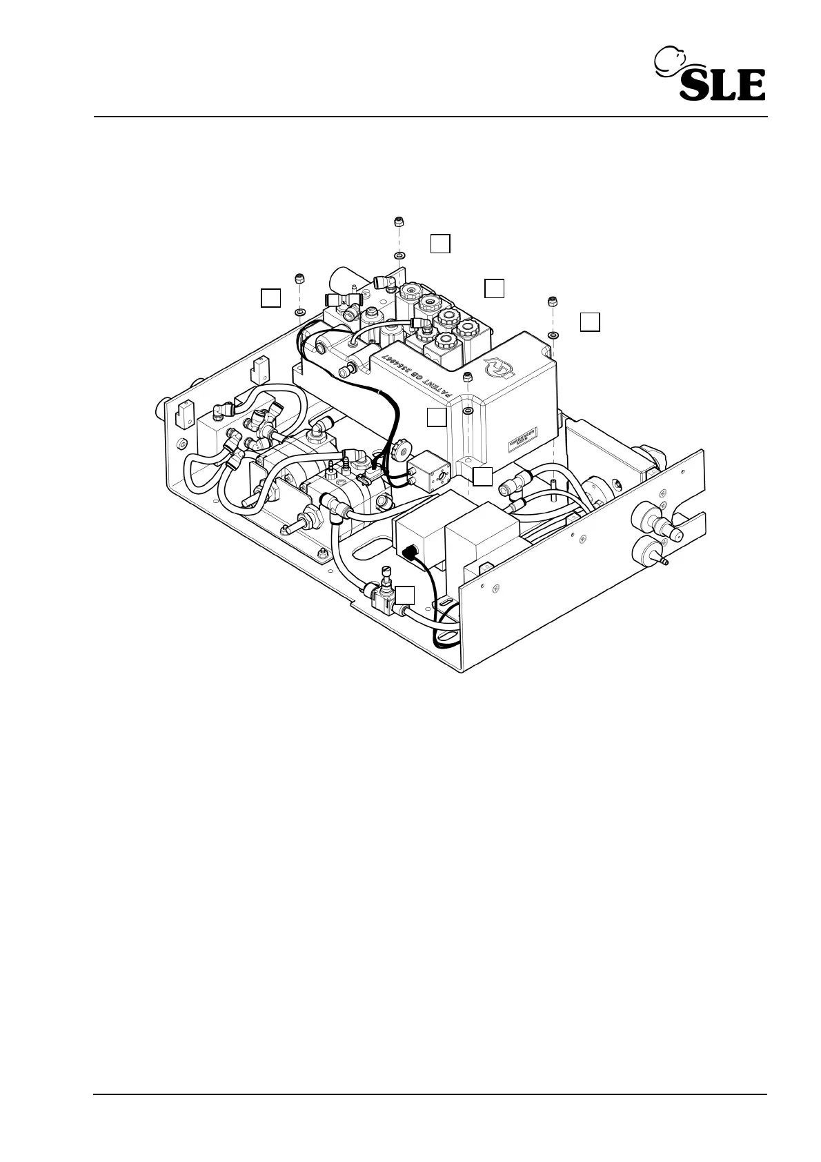
2. Remove the nuts and washers (I) to release the blender manifold assembly (J).
3. Remove the solenoid coil (K) from the solenoid base on the pressure regulator assembly
(L).
4. Lift the manifold assembly (J) off the four chassis studs.
Note: Leave the old oxygen cell fitted to the assembly. This is to stop any debris
entering the oxygen cell manifold.
Note: The blender manifold block is a service exchange item, so should not be
discarded, but returned to SLE as per your service agreement.
5. Fitting the new manifold assembly is the reversal of removal.
6. Fit the new oxygen cell.
16.6.3 Setup
1. Carry out a full system calibration.
2. Reset the time and date.
3. Carry out the two point oxygen calibration.
4. Replace all the covers.
I
I
I
I
J
L
K

Table of Contents

Related product manuals