EasyManua.ls Logo

SM ALFOplus - 7.1.2 Baseband processor

Default Icon
230 pages
Print Icon
To Next Page IconTo Next Page
To Next Page IconTo Next Page
To Previous Page IconTo Previous Page
To Previous Page IconTo Previous Page
Loading...
MN.00273.E - 004 53
.
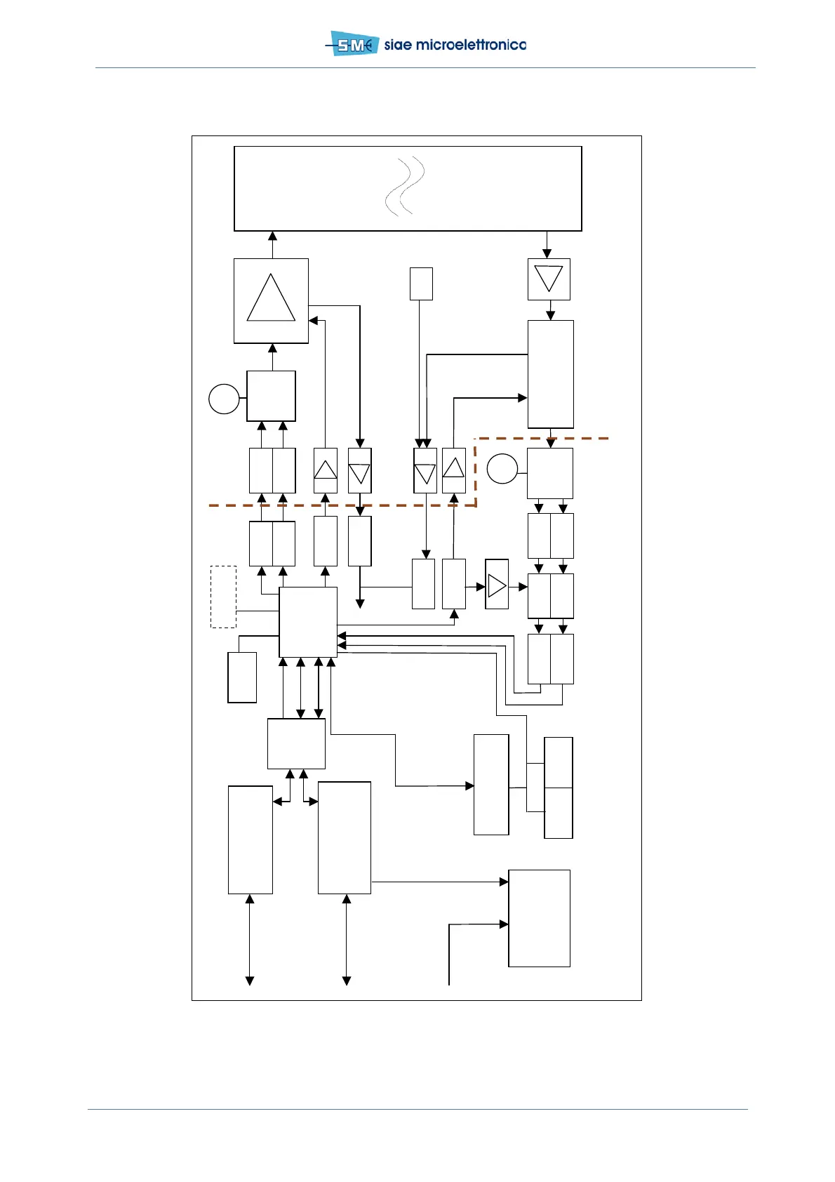
Fig.14 - ALFOplus GE
Ge LAN2
Surge protection
& magnetics
Main DC/DC,
Aux DC/DC
SWD
FPGA
Ge LAN1
DA
DA
PW
ADC
DEM
ADC
ADC
PWM
Microcontroller
Aux Pwr
Supply
Filte
r
RAM
SSD
Vga
Vga
° C
BBP: base band processor
TRX: IF and RF transceiver
RAM
CONN
MII
ADC
Surge protection,
magnetics,
Poe splitter
QSPI
GMII
GMII
2xSync
Filte
r
Filte
r
Filte
r
LO
LO
MOD
Down converter,
Agc

Table of Contents