EasyManua.ls Logo

SM ALFOplus - 7.1.2.3 Alarm system

Default Icon
230 pages
Print Icon
To Next Page IconTo Next Page
To Next Page IconTo Next Page
To Previous Page IconTo Previous Page
To Previous Page IconTo Previous Page
Loading...
54 MN.00273.E - 004
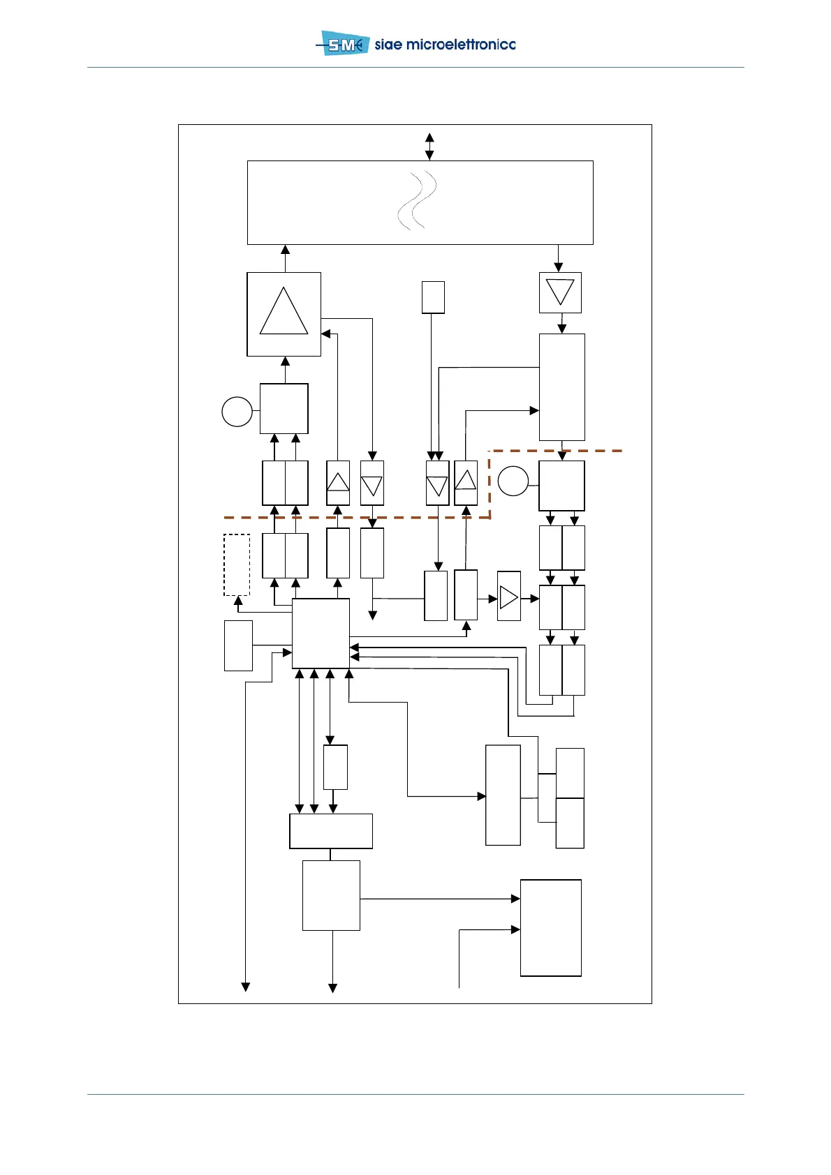
Fig.15 - ALFOplus GO
Main DC/DC,
Aux DC/DC
SWD
FPGA
DAC
MOD
LO
ADC
Down converter,
Agc
DEM
ADC
Microcontroller
Aux Pwr Supply
Filter
RAM
SSD
° C
BBP: base band processor
TRX: IF and RF transceiver
RAM
ADC
Ge LAN1 (SFP 1000BaseX)
GMII
MII
QSPI
PHY
GMII
GMII
ADC
Vga
Vga
PWM
PWM
CONN.
DAC
Filter
Filter
Filter
LO
Ge LAN2
Surge
protection,
magnetics,
PoE splitter

Table of Contents