EasyManua.ls Logo

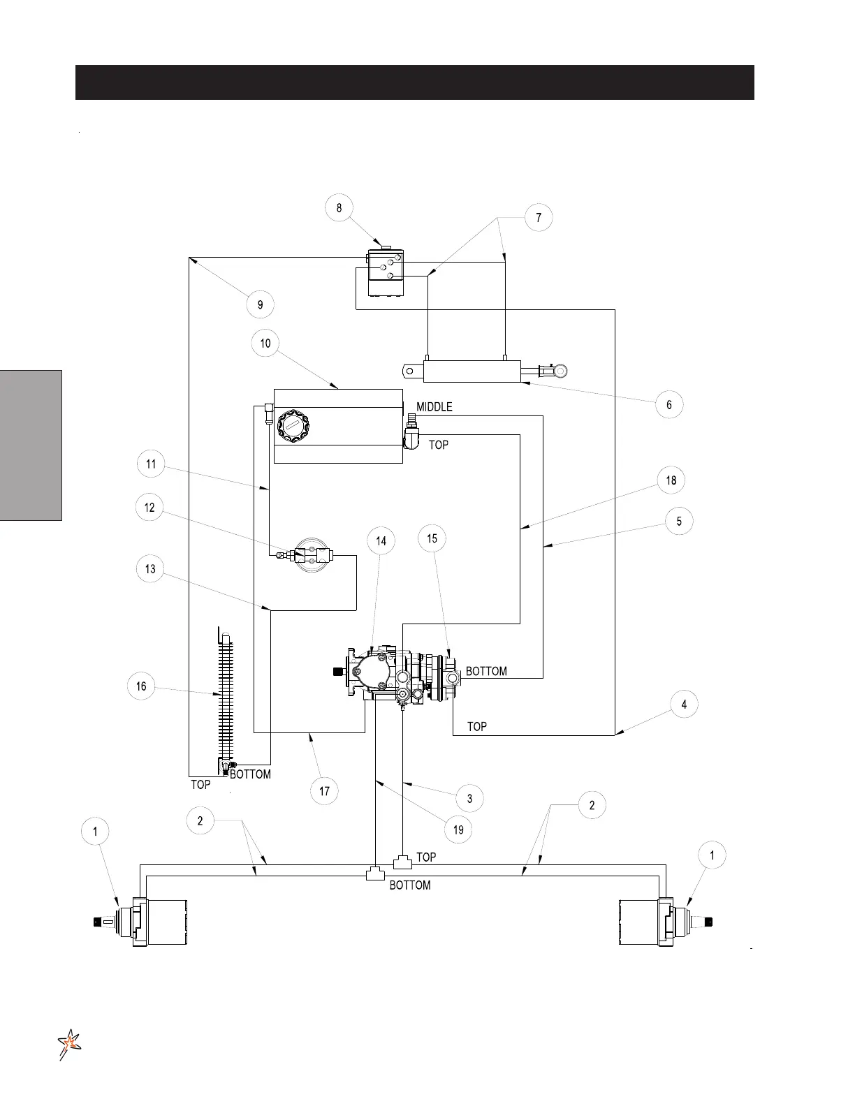
Smithco Spray Star 2000 - HYDRAULIC DIAGRAM

Smithco Spray Star 2000
104 pages
Print Icon
To Next Page IconTo Next Page
To Next Page IconTo Next Page
To Previous Page IconTo Previous Page
To Previous Page IconTo Previous Page
Loading...
12
Diagrams
HYDRAULIC DIAGRAM

Other manuals for Smithco Spray Star 2000

Related product manuals