EasyManua.ls Logo

Smithco Spray Star 2000 - WIRING DIAGRAM; Color Code Chart

Smithco Spray Star 2000
104 pages
Print Icon
To Next Page IconTo Next Page
To Next Page IconTo Next Page
To Previous Page IconTo Previous Page
To Previous Page IconTo Previous Page
Loading...
10
Service
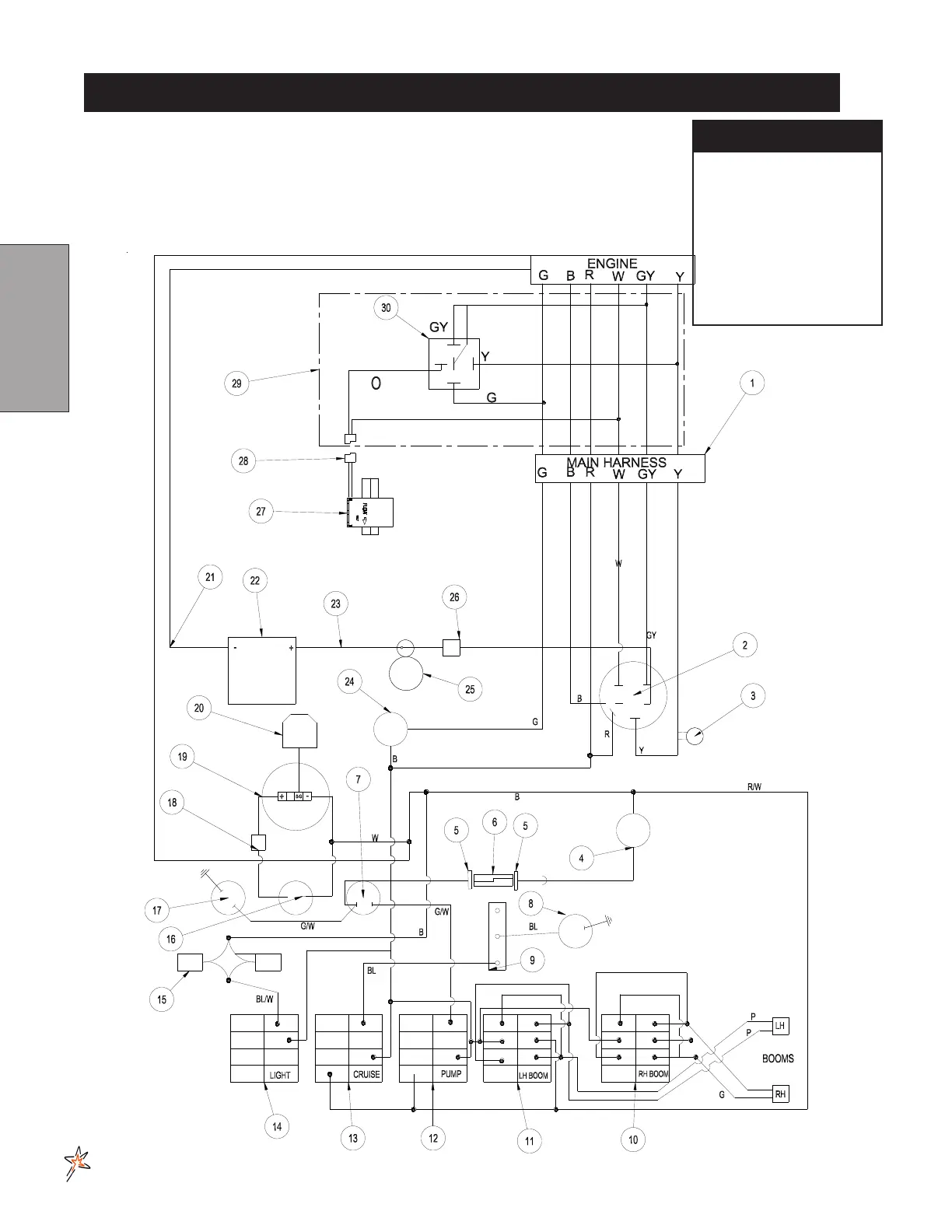
WIRING DIAGRAM
Use dielectric grease on all electrical connections.
Color Code Chart
Bl Blue
Br Brown
Y Yellow
G Green
O Orange
R Red
B Black
GY Gray
W White

Other manuals for Smithco Spray Star 2000

Related product manuals