EasyManua.ls Logo

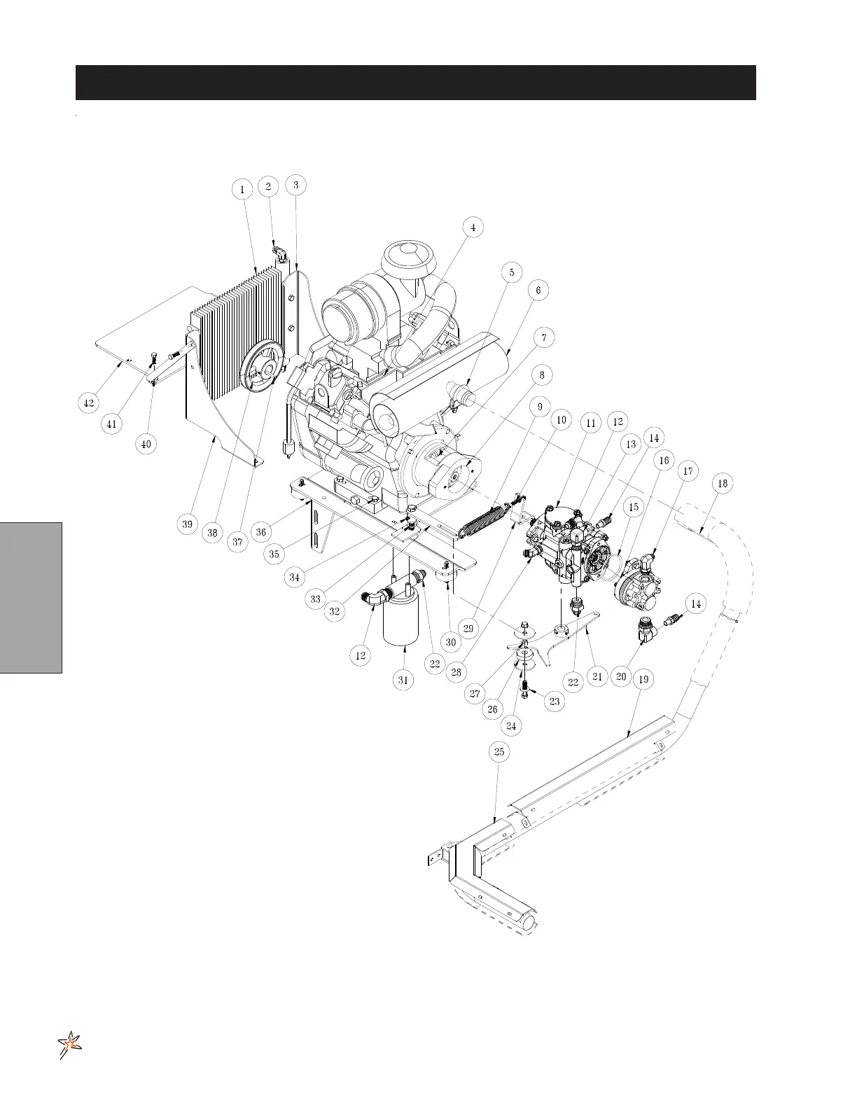
Smithco Spray Star 2000 - ENGINE AND PUMPS DRAWING

Smithco Spray Star 2000
104 pages
Print Icon
To Next Page IconTo Next Page
To Next Page IconTo Next Page
To Previous Page IconTo Previous Page
To Previous Page IconTo Previous Page
Loading...
28
Parts
ENGINE AND PUMPS DRAWING

Other manuals for Smithco Spray Star 2000

Related product manuals