EasyManua.ls Logo

Smithco Spray Star 2000 - Page 32

Smithco Spray Star 2000
104 pages
Print Icon
To Next Page IconTo Next Page
To Next Page IconTo Next Page
To Previous Page IconTo Previous Page
To Previous Page IconTo Previous Page
Loading...
30
Parts
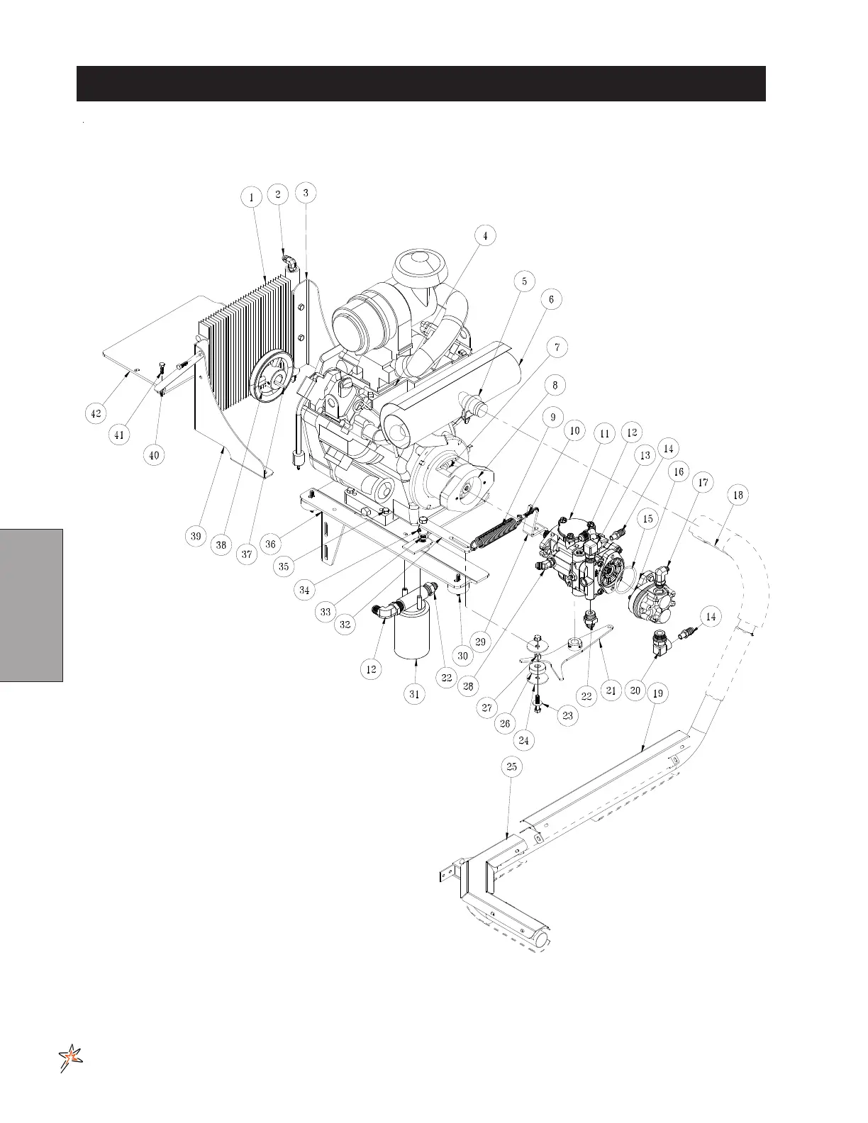
ENGINE AND PUMPS DRAWING

Other manuals for Smithco Spray Star 2000

Related product manuals