EasyManua.ls Logo

sol-ark 5K - Page 45

Default Icon
48 pages
Print Icon
To Next Page IconTo Next Page
To Next Page IconTo Next Page
To Previous Page IconTo Previous Page
To Previous Page IconTo Previous Page
Loading...
April 21, 2021 45
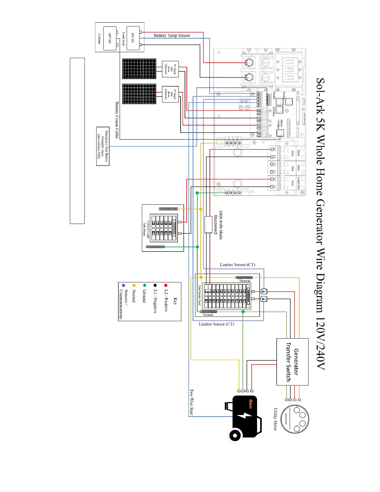
Note: PV fuses are only required for >2 strings per MPPT
Diagram 3

Related product manuals