EasyManua.ls Logo

Sony CDX-2250 - Schematic Diagram -Main Section (2;2)

Sony CDX-2250
42 pages
Print Icon
To Next Page IconTo Next Page
To Next Page IconTo Next Page
To Previous Page IconTo Previous Page
To Previous Page IconTo Previous Page
Loading...
– 35 – – 36 –
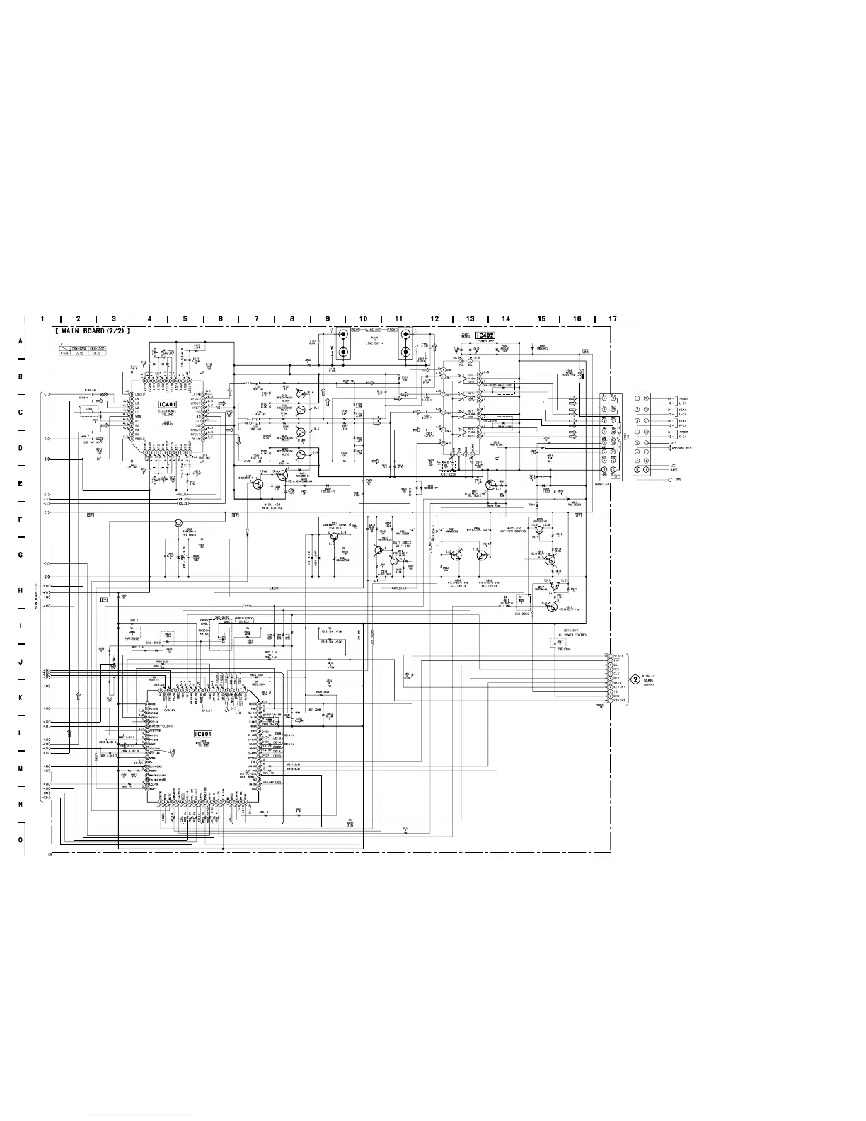
4-8. SCHEMATIC DIAGRAM — MAIN SECTION (2/2) — • Refer to page 37 for IC Block Diagrams.
CDX-2250/3500
(Page 29)

Related product manuals