EasyManua.ls Logo

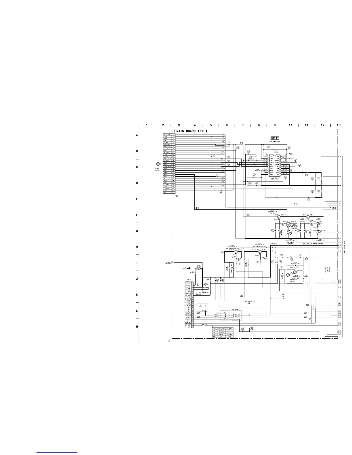
Sony CDX-2250 - Schematic Diagram -Main Section (1;2)

Sony CDX-2250
42 pages
Print Icon
To Next Page IconTo Next Page
To Next Page IconTo Next Page
To Previous Page IconTo Previous Page
To Previous Page IconTo Previous Page
Loading...
Note:
All capacitors are in µF unless otherwise noted. pF: µµF
50 WV or less are not indicated except for electrolytics
and tantalums.
All resistors are in and
1
/
4
W or less unless otherwise
specified.
¢
: internal component.
C : panel designation.
U : B+ Line.
Power voltage is dc 14.4V and fed with regulated dc power
supply from ACC and BATT cords.
Voltage is dc with respect to ground under no-signal
(detuned) condition.
no mark : FM
( ) : AM
< > : CD PLAY
: Impossible to measure
Voltages are taken with a VOM (Input impedance 10 M).
Voltage variations may be noted due to normal production
tolerances.
Signal path.
F : FM
f : AM
J : CD
Abbreviation
CND : Canadian model.
4-8. SCHEMATIC DIAGRAM — MAIN SECTION (1/2) —
– 33 – – 34 –
CDX-2250/3500
(Page 26)

Related product manuals