EasyManua.ls Logo

Sony CDX-CA700 - Tuner Section Block Diagram

Sony CDX-CA700
48 pages
Print Icon
To Next Page IconTo Next Page
To Next Page IconTo Next Page
To Previous Page IconTo Previous Page
To Previous Page IconTo Previous Page
Loading...
1616
CDX-CA700/CA700X
J10
(ANTENNA)
2
10
1
ANTFM
MPX
CDL
8
AM DET
14
S-METER
12
I2C SDA
13
I2C SCL
17
E2PROM SDA
18
9
E2PROM SCL
RDS DET
ANTAM
TUNER UNIT
TU10
2
45
47
70
13
14
19
20
17
9
12
43
4
28
SYSTEM CONTROL
IC501 (2/3)
ELECTRONIC VOLUME
IC331
AUX-LCH
OUT FL
35
ACIN RCH
38
ACOUT LCH
36
ACOUT RCH
27
OUT RL
26
OUT FR
27
OUT RR
35
BEEP
ATT
67
69
AMP ON
66
AMP ATT
40
TEL ATT
38
ACC IN
MD LCH
MPX1
R-CH
AM/MPX2
LEVEL
MPIN
SDA
SCL
EXA-ATT
VOL ATT
7
QUALITY
90
MS MASK
VSM
I2C SIO
I2C CKO
DSTSEL/
FUNCSEL
E2P SIO
E2P CKO
MPTH
DAVN
AUDIO OUT REAR
CD
SECTION
A
LINE MUTE
CONTROL
Q621,622
MUTE
Q181
R-CH
D624
D626
D625
AEP,UK MODEL
MUTE
Q171
22
MUTE
4
STBY
16
AUX
11
12
5
3
9
7
POWER AMP
IC751
1
-5
-6
-1
-2
-3
-4
9
2
10
CNP781
R-CH
PJ151
FL+
FL-
RL+
RL-
4
12
FR+
FR-
3
11
RR+
RR-
16
+B (BATT)
13
ATT
5
AMP R
6
8
19
ANT R
GND
R-CH
BATT
F901
10A
TEL
ATT
Q585
MUTE
Q625
NOISE
SUPPRESSOR
D21,22
BUFFER
Q21
7
ACC
15
TEST
49
50
TUN ON
37
TEST IN
ACC
DETECT
Q571
PW ON
24
SYSRST
25
BUSON
43
UNISI
44
UNICKO
42
UNISO
28
BU IN
9
87
86
BATT DET
Q581,D584,585
BATT
17
18
L
R
AUDIO OUT FRONT
R-CH
L
R
BUS AUDIO IN
R-CH
L
R
Signal path
:
FM
:
AM/MW/LW
:
CD
R-ch is omitted due to same as L-ch.
CDRR-CH
42
MD RCH
R-CH
16
MPX
4
OSCD
5
OSCI
LVIN
SDA
SCL
20
9
10
MPTH
2
DAVN
8
RDS DECODER
IC51
BUS INTERFACE
IC581
8
27
13
RST
12
BUSON
8
DATA OUT
11
CLK IN
9
DATA IN
10
B/U-C
6
DATA I/O
4
CLK
2
RST
3
BATT
8
7
5
6
4
2
3
1
BATT
CNJ581
BUS
CONTROL IN
CA700
BU+5V
NOISE AMP
IC20
MS MASK
SWITCH
Q22
L-CH AMP
IC332
X51
4.332MHz
1
BUSON
DELAY BATT
D621
POWER SUPPLY
IC601
2
TUN-ON SW
BU+5.8V
COM+8V
TU+5V
TU+8.5V
BU+B(5.8V)
COM8.7V
TU+B(5.1V)
TU+B(8.4V)
BATT
4
STB
6
AMP+B
8
ANT+B
11
10
9
5
7
VCC
D613
D612
AEP,UK MODEL
AEP,UK MODEL
MUTE
Q185
MUTE
Q175
AEP,UK
MODEL
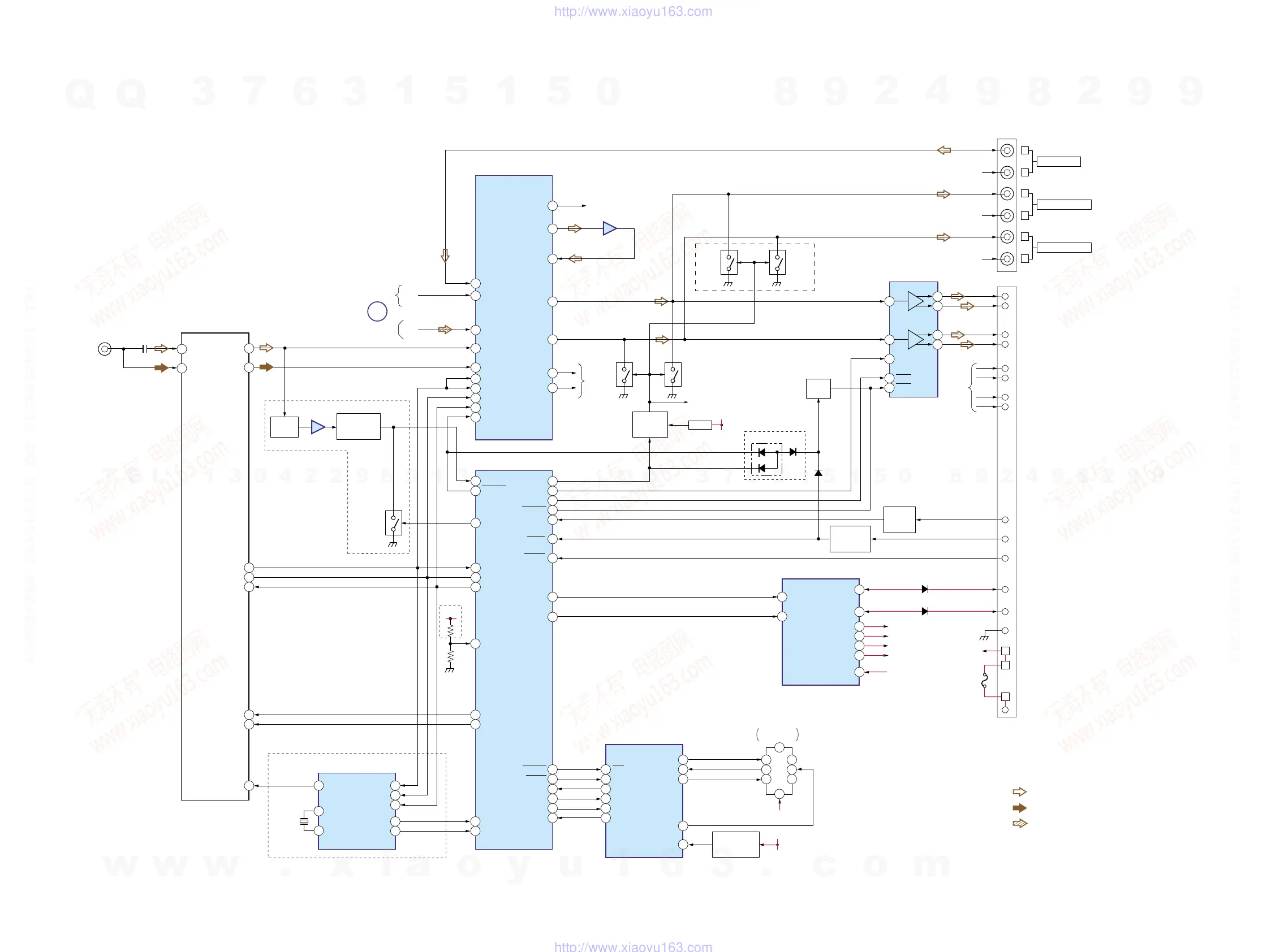
3-3. BLOCK DIAGRAM — TUNER SECTION —
(Page 15)
w
w
w
.
x
i
a
o
y
u
1
6
3
.
c
o
m
Q
Q
3
7
6
3
1
5
1
5
0
9
9
2
8
9
4
2
9
8
T
E
L
1
3
9
4
2
2
9
6
5
1
3
9
9
2
8
9
4
2
9
8
0
5
1
5
1
3
6
7
3
Q
Q
TEL 13942296513 QQ 376315150 892498299
TEL 13942296513 QQ 376315150 892498299
http://www.xiaoyu163.com
http://www.xiaoyu163.com

Other manuals for Sony CDX-CA700

Related product manuals