EasyManua.ls Logo

Sony CDX-CA700 - System Diagrams and Board Layouts; Circuit Boards Location and Waveforms

Sony CDX-CA700
48 pages
Print Icon
To Next Page IconTo Next Page
To Next Page IconTo Next Page
To Previous Page IconTo Previous Page
To Previous Page IconTo Previous Page
Loading...
17 17
CDX-CA700/CA700X
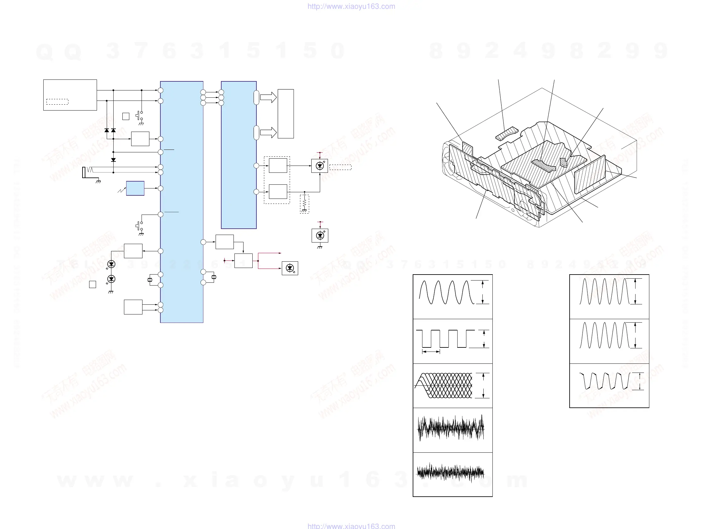
3-4. BLOCK DIAGRAM — DISPLAY SECTION —
MAIN board
LIMIT board
SUB board
DISC IN board
SUB (CD) board
KEY board
SERVO board
tuner uni
t
(TU10)
3-5. CIRCUIT BOARDS LOCATION
LSW902,904,905,907,
911,913,915,916,918,919
S901,903,912,914,917
LSW906,910
CA700/CA700X:AEP,UK MODEL
KEY
ACTIVE
Q551
DOOR IND
SWITCH
Q631
REMOTE
RECEIVE
J561
(REMOTE IN)
IC971
X502
32.768kHz
15
16
12
13
5
18
20
19
4
26
91
98
6
29
SYSTEM CONTROL
IC501 (3/3)
LCD DRIVE
IC901
KEY IN0
DATA
CLK
CE
LCD SO
LCD CKO
LCD CE
ILL ON
SWITCH
Q603
ILL B+
REG
Q601
KEY IN1
KEY ACK
AD ON
RC IN1
RC IN0
SIRCS
92
DOORIND
34
NOSESW
XIN
XOUT
OSC OUT
93
ILL ON
BATT
ILL+5V
OSC IN
X501
18.432MHz
LED931,941
LCD BACK
LIGHT
100
99
98
COM1
COM4
LCD
LCD901
ILL+5V
ILL+5V
LED903,914
D701
LSW801(1/2)
D702
D553
()
KEY
ILLUMINATION
()
KEY
ILLUMINATION
()
90
|
87
|
SEG1
SEG84
3
|
86
|
LCD DATA
LCD CLK
LCD CE
LED
DRIVE
Q902
1
CA700
LED
DRIVE
Q901
2
CA700X
ROTARY
ENCODER
RE901
97
REIN0
96
REIN1
Z
S552
(NOSE)
LED801
(CD WINDOW)
LSW801(2/2)
Z
KEY MATRIX
LSW902,904,905,907,
911,913,915,916,918,919
LED901,912,917
LSW906,910
CA700/CA700X:AEP,UK MODEL
• Waveforms
— Servo Board —
(MODE: CD PLAY)
1
2
3
IC1
ts
(PACK)
IC1
uj
(RFO)
1.5Vp-p
4
Approx. 100mVp-p
IC1
oa
(FEO)
0V
5
Approx. 100mVp-p
IC1
od
(TEO)
1.8Vp-p
16.9344MHz
IC1
wd
(XTAL)
5Vp-p
0V
3.3msec
Main Board
1
2
18.432MHz
IC501
qs
(OSCOUT)
4.332MHz
IC51
4
(OSC O)
3.4Vp-p
1.8Vp-p
3
32.768kHz
IC501
qh
(XOUT)
5.2Vp-p
w
w
w
.
x
i
a
o
y
u
1
6
3
.
c
o
m
Q
Q
3
7
6
3
1
5
1
5
0
9
9
2
8
9
4
2
9
8
T
E
L
1
3
9
4
2
2
9
6
5
1
3
9
9
2
8
9
4
2
9
8
0
5
1
5
1
3
6
7
3
Q
Q
TEL 13942296513 QQ 376315150 892498299
TEL 13942296513 QQ 376315150 892498299
http://www.xiaoyu163.com
http://www.xiaoyu163.com

Other manuals for Sony CDX-CA700

Related product manuals