EasyManua.ls Logo

Sony DCR-DVD110E - SB22100; FP-839; PS26100

Sony DCR-DVD110E
195 pages
Print Icon
To Next Page IconTo Next Page
To Next Page IconTo Next Page
To Previous Page IconTo Previous Page
To Previous Page IconTo Previous Page
Loading...
4-34
DCR-DVD110E/DVD115E/DVD310E/DVD410E/DVD610/
DVD610E/DVD710/DVD710E/DVD810/DVD810E_L2
SB22100, FP-839, PS26100
Refer to page 4-2 (English), 4-3 (Japanese) for mark 0.
Non MEGA model: DCR-DVD110E/DVD115E/DVD610/DVD610E
MEGA model:
DCR-DVD310E/DVD410E/DVD710/DVD710E/DVD810/DVD810E
Non MEGA model
MEGA model
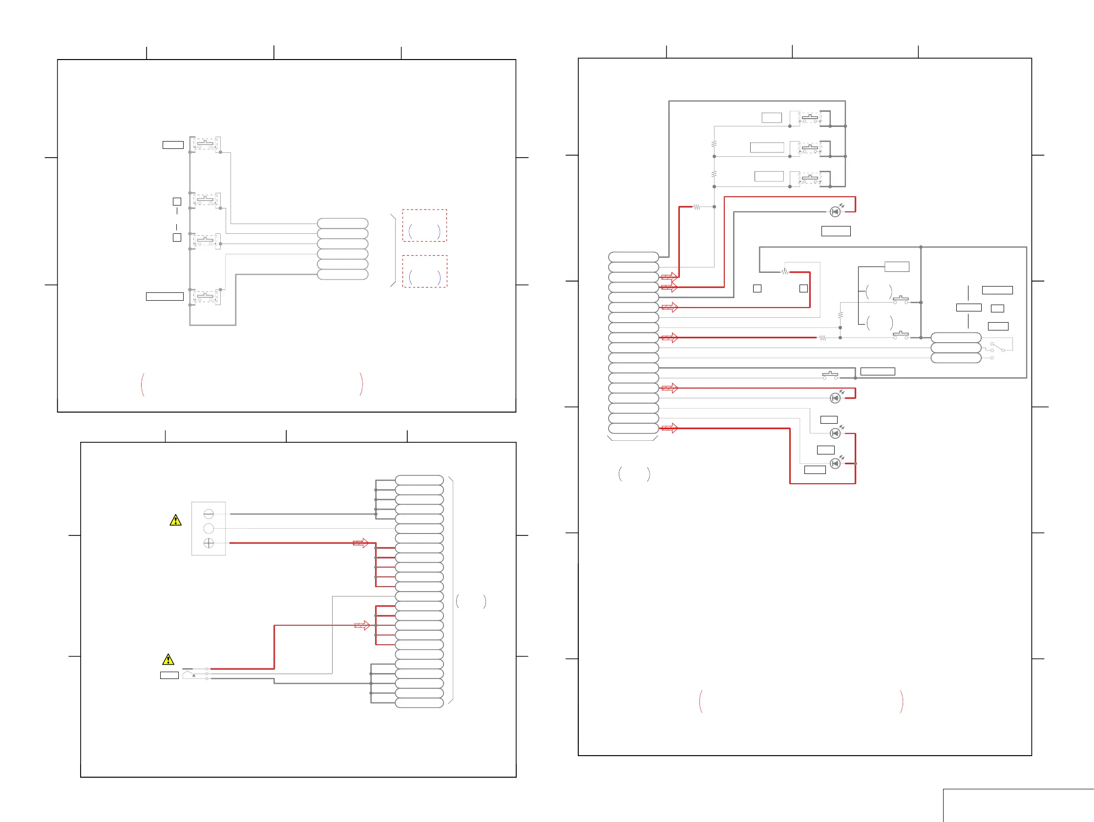
CONTROL SWITCH BLOCK (SB22100) is replaced as block,
so that PRINTED WIRING BOARD is omitted.
CONTROL SWITCH BLOCK (SB22100)
(ZOOM)
T
W
HOME
START/STOP
A
3
C
2
B
1
B
A
C
05
4
LND004
LND005
LND002
LND006
1P
6P
LND001
LND003
S004
S003
S001
S002
REG_GND
2ND_ZOOM(W)
HOME_SW
2ND_SS_SW
N.C
2ND_ZOOM(T)
CN6202
PD-351
Page 4-27
of Level 2
CN6202
PD-352
Page 4-28
of Level 2
Note: BH001 and J001 are not included in FP-839 flexible board.
A
3
C
2
B
1
B
A
C
05
4
J001
HOT
2
SW
3
1
COLD
2
1
4
BATT_SIG
1Pin
BATT_UNREG
BATT_GND
BATT_UNREG
BATT_GND
N.C
BATT_UNREG
BATT_GND
BATT_UNREG
BATT_GND
BATT_GND
BATT_UNREG
24pin
ACV_GND
ACV_GND
ACV_GND
ACV_GND
ACV_GND
BATT_XEXT
ACV_UNREG
ACV_UNREG
ACV_UNREG
ACV_UNREG
ACV_UNREG
N.C
C
DC IN
BH001
BATTERY
TERMINAL
CN1001
VC-520
(20/20)
Page 4-25
of Level 3
DC IN
FP-839 FLEXIBLE BOARD
CONTROL KEY BLOCK (PS26100) is replaced as block,
so that PRINTED WIRING BOARD is omitted.
POWER
t
t
(ZOOM)
T
W
Tt
OFF (CHG)
PHOTO
CAM
CHG
ON
MODE
CONTROL KEY BLOCK (PS26100)
CN1013
VC-520
(20/20)
Page 4-25
of Level 3
PHOTO
A
D
3
F
C
2
E
B
1
E
B
D
F
A
C
05
4
D004
SML-512WWT86
D003
SML-412MWT86
D002
SML-412MWT86
D001
SML-512WWT86
R002
2.7k
R003
10k
R005
10k
R004
2.7k
R001
6.1k
RV001
S002
S001
S003
S005
S006
S004
XMODE_SW
XPOWER_SW
REG_GND
EASY
BACK LIGHT
QUICK ON
REG_GND
KEY_AD1
XPOWER_SW
XMODE_SW
D_2.8V
ZOOM_VR_AD
XCHARGE_LED
CHARGE_LED_VDD
XCAM_LED
XPHOTO_LED
MODE_LED_VDD
S/S
REG_GND
KEY_AD2
D_2.8V
QUICKREC_LED_VDD
REG_GND
D_2.8V
PHOTO
REC
S003
S002
PHOTO
FREEZE
START/STOP
QUICK ON
1
28

Table of Contents