EasyManua.ls Logo

Sony DCR-SR42 - Dubbing to VCR or DVD;HDD Recorders

Sony DCR-SR42
131 pages
Print Icon
To Next Page IconTo Next Page
To Next Page IconTo Next Page
To Previous Page IconTo Previous Page
To Previous Page IconTo Previous Page
Loading...
45
Editing
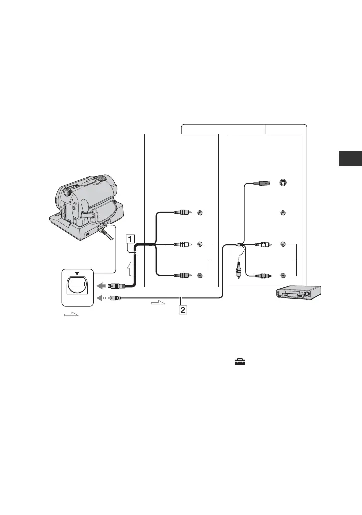
Dubbing to VCR or DVD/HDD recorders
You can dub images played back on your camcorder to other recording devices, such as VCRs
or DVD/HDD recorders. Connect the device in either of the following ways.
Connect your camcorder to the wall socket using the supplied AC Adaptor for this operation
(p. 13). Refer also to the instruction manuals supplied with the devices to be connected.
b Notes
Since dubbing is performed via analog data transfer, the image quality may deteriorate.
A A/V connecting cable (supplied)
The Handycam Station and your camcorder
are both equipped with A/V OUT jacks
(p. 120, 121). Connect the A/V connecting
cable either to the Handycam Station or to
your camcorder, according to your setup.
B A/V connecting cable with S VIDEO
(optional)
When connecting to another device via the S
VIDEO jack, by using an A/V connecting
cable with an S VIDEO cable (optional),
higher quality images can be produced than
with an A/V connecting cable. Connect the
white and red plug (left/right audio) and the S
VIDEO plug (S VIDEO channel) of the A/V
connecting cable with an S VIDEO cable
(optional). The yellow plug connection is not
necessary. S VIDEO connection only will not
output audio.
b Notes
To hide the screen indicators (such as a counter,
etc.) on the screen of the monitor device
connected, set (SETTINGS) t [OUTPUT
SETTINGS] t [DISP OUTPUT] t [LCD
PANEL] (the default setting) on the HOME
MENU (p. 63).
To record the date/time and camera settings
data, display them on the screen (p. 60).
When you are connecting your camcorder to a
monaural device, connect the yellow plug of the
A/V connecting cable to the video input jack,
and the red (right channel) or the white (left
channel) plug to the audio input jack on the
device.
A/V OUT
IN IN
S VIDEO
VIDEO
AUDIOAUDIO
VIDEO
VCRs or DVD/
HDD recorders
: Video/Signal flow
A/V OUT jack
Device without an
S VIDEO jack
Device with an
S VIDEO jack
(Yellow)
(White)
(Red)
(Yellow)
(White)
(Red)

Table of Contents

Other manuals for Sony DCR-SR42

Related product manuals