EasyManua.ls Logo

Sony DXA-WZ8D - Block Diagram

Sony DXA-WZ8D
28 pages
Print Icon
To Next Page IconTo Next Page
To Next Page IconTo Next Page
To Previous Page IconTo Previous Page
To Previous Page IconTo Previous Page
Loading...
1111
DXA-WZ8D
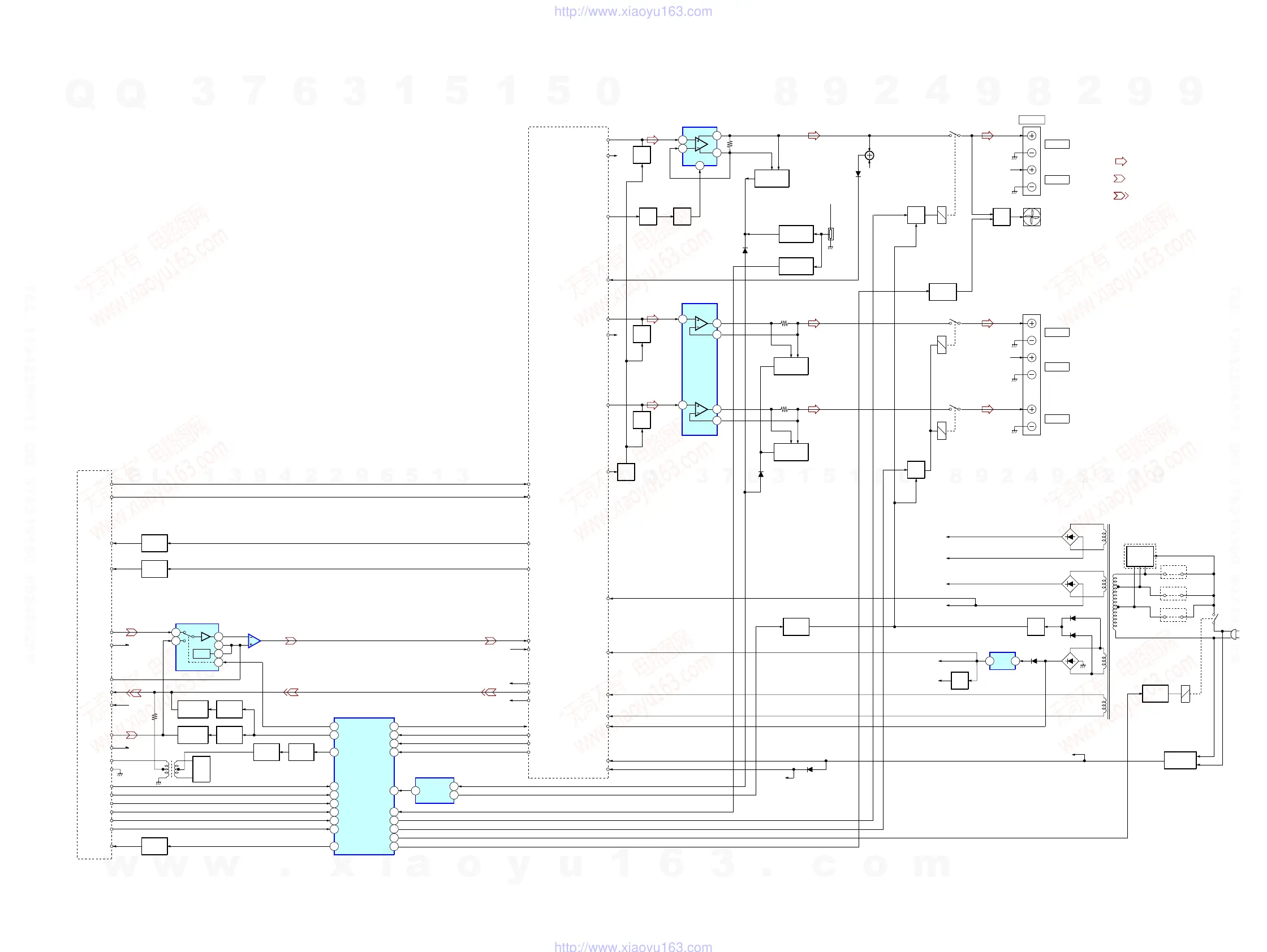
4-1. Block Diagram
: REC (TAPE)
: AUDIO
• Signal Path
• R-CH is omitted due to same as L-CH.
: PB (TAPE)
TAPE DECK
BLOCK
L-PB
TRANSFORMER
POWER
T302
RELAY
DRIVE
Q601
RY601
AC
IN
R-PB
A SHUT
B SHUT
R-CH
L-REC
R-REC
R-CH
GND
MUTE
CONT
JW604
RY402
14
15
12
9
8
POWER AMP
IC501
Q536,537
5
2
IC301
L-PB
R-PB R-CH
1
BIAS
8
7
16
5
6
7
IC303
CNT BIAS
REC SWITCH
Q312,314
REC CONT
Q308-310
PB SWITCH
Q303
PB CONT
Q306,307
BIAS
OSC
Q301
T301
BIAS
E HOT
BIAS
SWITCH
Q304
BIAS
CONT
Q305
BIAS
21
I/O EXP DATA OUT
I/O EXPANDER
I/O EXP DATA IN
I/O EXP CLK
I/O EXP LAT
UNREG
EVER +4V
CN CHECK
AMP+9V AMP+9V
M+9V
REC-L
REC-R
PB-R
PB-L
B SHUT
A SHUT
R-CH
R-CH
IC251
A/B
23
20
FR RY
19
SUR RY
12
TH VACS
11
PROTECT
REC/PB
22
A PLAY
B PLAY
A HALF
B HALF
REC(FWD)
REC (REW)
CAP M+
MOTOR
DRIVE
Q353,356
A TRG
SOLENOID
DRIVE
SOLENOID
DRIVE
Q351,355
B TRG
Q352,354
A PLAY
5
B PLAY
9
A HALF
6
B HALF
8
REC(FWD)
7
REC(REW)
10
CAP-M
24
HCD-WZ8D
3
1
4
IC201
PROTECTOR
25
DO2
26
DI
3
CLK
4
LATCH
A TRG
B TRG
MUTE
Q533
MUTE
CONT
Q204,206
MUTE
Q501
R-CH
FRONT L
FRONT R
SURR L
SURR R
CENTER
TM401(1/2)
SPEAKER
FAN301
FAN
DRIVE
Q209,211,212
FAN
CONTROL
Q213
PROTECT
SWITCH
Q536,537
+VL
TH531
OVER HEAT
DETECTOR
17
PWR RY
18
FAN CNT
D501
D742
Q521
Q534,535
TH
VACS
Q531,532
PROTECT
DETECTOR
Q403
RELAY
DRIVE
D101
+9V
REG
1
3
IC302
+VL
D103
AC3
AC3
AC4
AC4
D301
R-CH
D402
+3.3V
REG
Q101
D+3.3V
Q202
D202
D201
AC
DET
Q203,205
M+9V
-VL
AC2
AUS
E2, E3, E15,EA,
MY, SP, PH
KR, TH
AEP, UK, RU
AC2
+VH
-VH
AC1
AC1
D102
DVD AC
DVD AC
D251
IC251
VCC
DVD MUTE
DBFB FB
STK MUTE
TA MUTE
FRONT-R
FRONT-L
RY401
8
3
9
POWER AMP(SL,SR,C)
IC701
MUTE
Q701
R-CH
TM401(2/2)
Q711
PROTECT
DETECTOR
Q401
RELAY
DRIVE
REAR-R
REAR-L
JW603
JW602
S601
VOLTAGE
SELECTOR
SWITCHING
REGULATOR
EVER+4V
RY403
13
15
14
MUTE
Q731
Q741
PROTECT
DETECTOR
CENTER
w
w
w
.
x
i
a
o
y
u
1
6
3
.
c
o
m
Q
Q
3
7
6
3
1
5
1
5
0
9
9
2
8
9
4
2
9
8
T
E
L
1
3
9
4
2
2
9
6
5
1
3
9
9
2
8
9
4
2
9
8
0
5
1
5
1
3
6
7
3
Q
Q
TEL 13942296513 QQ 376315150 892498299
TEL 13942296513 QQ 376315150 892498299
http://www.xiaoyu163.com
http://www.xiaoyu163.com