EasyManua.ls Logo

Sony DXA-WZ8D - Schematic Diagram - TC MAIN Board (1;2)

Sony DXA-WZ8D
28 pages
Print Icon
To Next Page IconTo Next Page
To Next Page IconTo Next Page
To Previous Page IconTo Previous Page
To Previous Page IconTo Previous Page
Loading...
1313
DXA-WZ8D
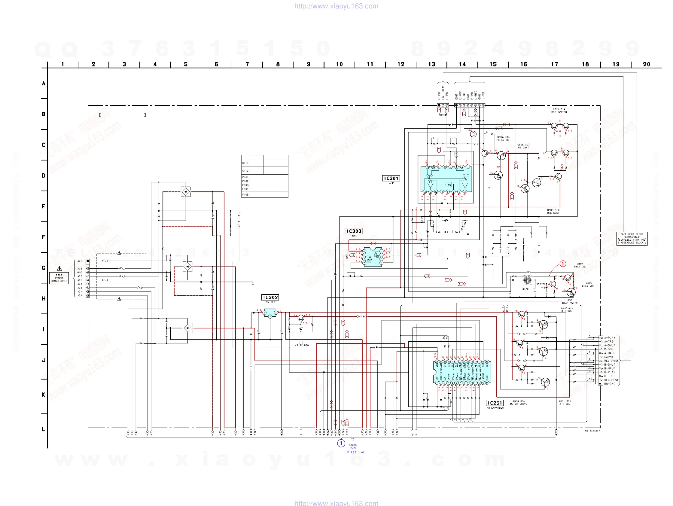
4-3. Schematic Diagram – TC MAIN Board (1/2) –
• See page 10 for Waveforms.
EXCEPT AEP,UK,RUAEP,UK,RU
3300
63V
3300
71V
3300
71V
3300
63V
34
35
36
OSC
TC MAIN BOARD (1 / 2)
TC MAIN
T6.3AL/250V
T4AL/250V
C107
C108
D103
R103
R104
C111
C112
D102
C251
C32
0
C
319
R315
C312
C302
C351
R352
C352
R351
R353
R358
R359
R360
R366
R365
R364
R363
R362
R361
R367
R368
D351
D352
C305
C318
C308
C118
C120
C303
C317
R
2
63
R
26
4
R328
R329
R369
R370
C114
IC302
R330
C327 C328
L302
100uH
L
303
L
304
C
3
30
C
30
4
C315
F102
F101
F103
F104
F105
R308
C309
C333
C334
C337
R
343
R344
R204
R201
R203
R
2
5
4
R
2
52
R
25
1
R
25
3
R
25
6
R
25
7
R
25
8
R
2
59
R
26
0
C252
R
316
R322
R324
R321 R323
C322C321
R311
R307
R305
R320
R318
R314
T301
R354
R355
R357
R356
C316
C307
C311
R319R317
R
26
1
R
2
6
2
R
25
5
R128
D111
R325
C
3
23
C353
C354
C324
C2
5
3
R334
IC301
R
303
R
3
04
R306
R
31
0
R309
R335
R338
R336
C313
C
25
5
R
34
0
C326
R341
C
331
CN351
C301
C
314
R312
R302
R
31
3
C3
2
9
C332
R
32
7
R
326
R331
CN302
CN301
C105
C106
C338
C
32
5
R
3
39
R337
Q312
Q314
Q313
Q311
Q
310
Q
30
8
Q3
09
Q306
Q307
Q303
Q302
Q304
Q305
C306
Q352
Q301
Q354
Q355
Q356
Q
35
3
Q
35
1
IC251
Q101
C113
4700
D301
CN102
D101
C103
0.01
0.01
C104
C109
3300
3300
C110
IC303
D251
0.01
0.01
D3SBA20
100k
R232
22k
R231
100k
100k
D5SBA20
0.01
220
0p
220
0p
4.7k
0.01
0.0047
0.0047
680
0.0047
680
47k
3.3k
3.3k
3.3k
10k
10k
10k
10k
10k
10k
10k
10k
1SS355
1SS355
680p
680p
22
50V
10
50V
10
50V
680p
680p
1
0k
10k
2.2k
2.2k
100
100
0.01
BA09T
22k
680p 680p
27
M
H
2
7M
H
100
p
0.01
C
3
10
0
.1
0.01
100
100
10V
4700p
4700p
330p
33
k
33k
100k
4.7k
4.7k
1
K
10
0
1
00
1
0
0
1
00
100
100
100
100
10
50V
8.2k
1k
1k
1k 1k
0.0010.001
10
10k
47
4.7k
4.7k
47k
2.2k
2.2k
2.2k
2.2k
0.47
50V
0.47
50V
220
10V
10k10k
1
00
100
100
1k
UDZSTE-173.9B
10k
1
5
0V
470
16V
10
50V
10
50V
0.1
6.8k
BA3402
33
0
k
12
k
100
1
2k
330k
33k
33k
100
22
50V
47
0p
22
0
100 10V
220
4.7
5
0V
13P
0.01
0.0068
33
3.3k
8.2k
10
0p
4.7
50V
100
15
k
22k
8P
3P
0.1
0.1
330p
10
5
0V
10
0
6.8k
2SC3624A -T1L15L16
2SC3624A -T1L15L16
2SC3624A
-T1L15L16
2SC3624A
-T1L15L16
2S
A
812
-T1
-M
5M
6
D
TC
114
EK
A-T
146
D
TC1
14EK
A
-T14
6
DT
C
11
4EKA
-T1
46
DTA114EKA-T146
2SC3624A
-T1L15L16
2SC3624A
-T1L15L16
RT1P137L-TP
DTC114EKA-T146
47
16V
2SB1116-TP-LK
2SC2001-TP-LK
DTC114EKA
-T146
DTC114EKA
-T146
DTC114EKA
-T146
2S
B1
116-TP-L
K
2S
B1
116-T
P-L
K
PT8300R-TP
2SC1623-T1-L5L6
25V
10EDB40-TB3
9P
D5SBA20
50V
50V
22
C232
50V
22
C231
50V
NJM4580V(TE2)
1SS355
TE-17
*
*
*
*
*
*
*
*
w
w
w
.
x
i
a
o
y
u
1
6
3
.
c
o
m
Q
Q
3
7
6
3
1
5
1
5
0
9
9
2
8
9
4
2
9
8
T
E
L
1
3
9
4
2
2
9
6
5
1
3
9
9
2
8
9
4
2
9
8
0
5
1
5
1
3
6
7
3
Q
Q
TEL 13942296513 QQ 376315150 892498299
TEL 13942296513 QQ 376315150 892498299
http://www.xiaoyu163.com
http://www.xiaoyu163.com

Related product manuals