EasyManua.ls Logo

Sony HCD-101 - Mechanism Deck Section-1 (CDM50)

Sony HCD-101
42 pages
Print Icon
To Next Page IconTo Next Page
To Next Page IconTo Next Page
To Previous Page IconTo Previous Page
To Previous Page IconTo Previous Page
Loading...
— 49 —
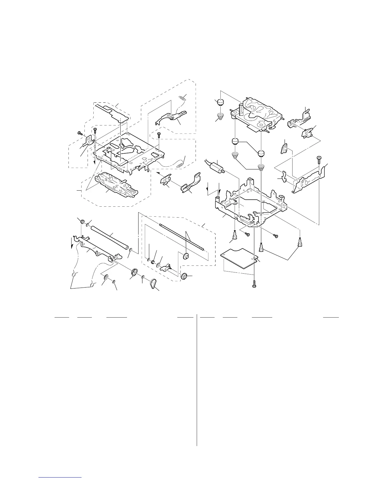
101 3-387-776-01 BELT (L)
102 3-578-242-11 WASHER
103 3-384-894-01 GEAR (R1)
104 3-384-895-01 GEAR (R2)
105 3-384-900-01 SPRING (PRESS)
* 106 X-3366-857-1 ARM ASSY, ROLLER
107 3-384-896-01 GEAR (DOWN)
108 A-3252-591-A GEAR ASSY, ROLLER
109 X-3366-858-4 ARM ASSY, FRICTION
110 3-384-899-01 SPRING (FRICTION)
111 3-384-892-01 BEARING (ROLLER)
112 3-386-150-01 RING (ROLLER), RETAINING
113 3-701-438-11 WASHER, 2.5
114 3-909-408-01 ROLLER (T2)
116 3-384-888-01 SLIDER (L)
117 3-384-887-01 LEVER (L)
* 118 X-3371-324-3 CHASSIS (T2) ASSY
119 3-906-923-11 GUIDE (DISK 2)
#5
#4
B
C
D
D
B
C
118
137
S002
122
121
#5
120
127
126
136
123
135
129
128
108
130
131
116
117
107
103
104
113
111
106
105
114
112
111
109
110
119
M103
#8
not supplied
not supplied
124
125
103
102
101
102
132
#5
#5
#10
131
120 3-906-921-01 SPRING, TENSION
121 3-906-924-01 SPRING, TENSION
* 122 1-653-378-51 SENSOR BOARD
123 3-907-588-11 SPRING (FL2)
124 X-3366-102-1 SLIDER (R) ASSY
125 3-384-889-01 LEVER (R)
126 3-906-939-11 GEAR (RACK 2)
* 127 X-3366-853-1 CHASSIS (R) ASSY
128 3-906-940-01 LEVER (ST2)
129 3-384-916-01 SPRING (FL)
* 130 X-3373-302-2 CHASSIS (M) ASSY
131 3-384-923-01 SHAFT (DAMPER)
* 132 A-4699-821-A BD BOARD, COMPLETE
135 3-384-914-01 DAMPER
136 3-384-914-12 DAMPER
137 1-658-806-11 SENSOR FLEXIBLE BOARD
M103 A-3252-580-A MOTOR (L) ASSY (LOADING)
S002 1-692-441-11 SWITCH, MICROPHONE (DISC DET)
Ref. No. Part No. Description Remarks Ref. No. Part No. Description Remarks
6-3. MECHANISM DECK SECTION-1
(CDM50)

Related product manuals