EasyManua.ls Logo

Sony HCD-CX5iP - Schematic Diagram - Main Section (2;4)

Sony HCD-CX5iP
56 pages
Print Icon
To Next Page IconTo Next Page
To Next Page IconTo Next Page
To Previous Page IconTo Previous Page
To Previous Page IconTo Previous Page
Loading...
HCD-CX4iP/CX5iP
HCD-CX4iP/CX5iP
2323
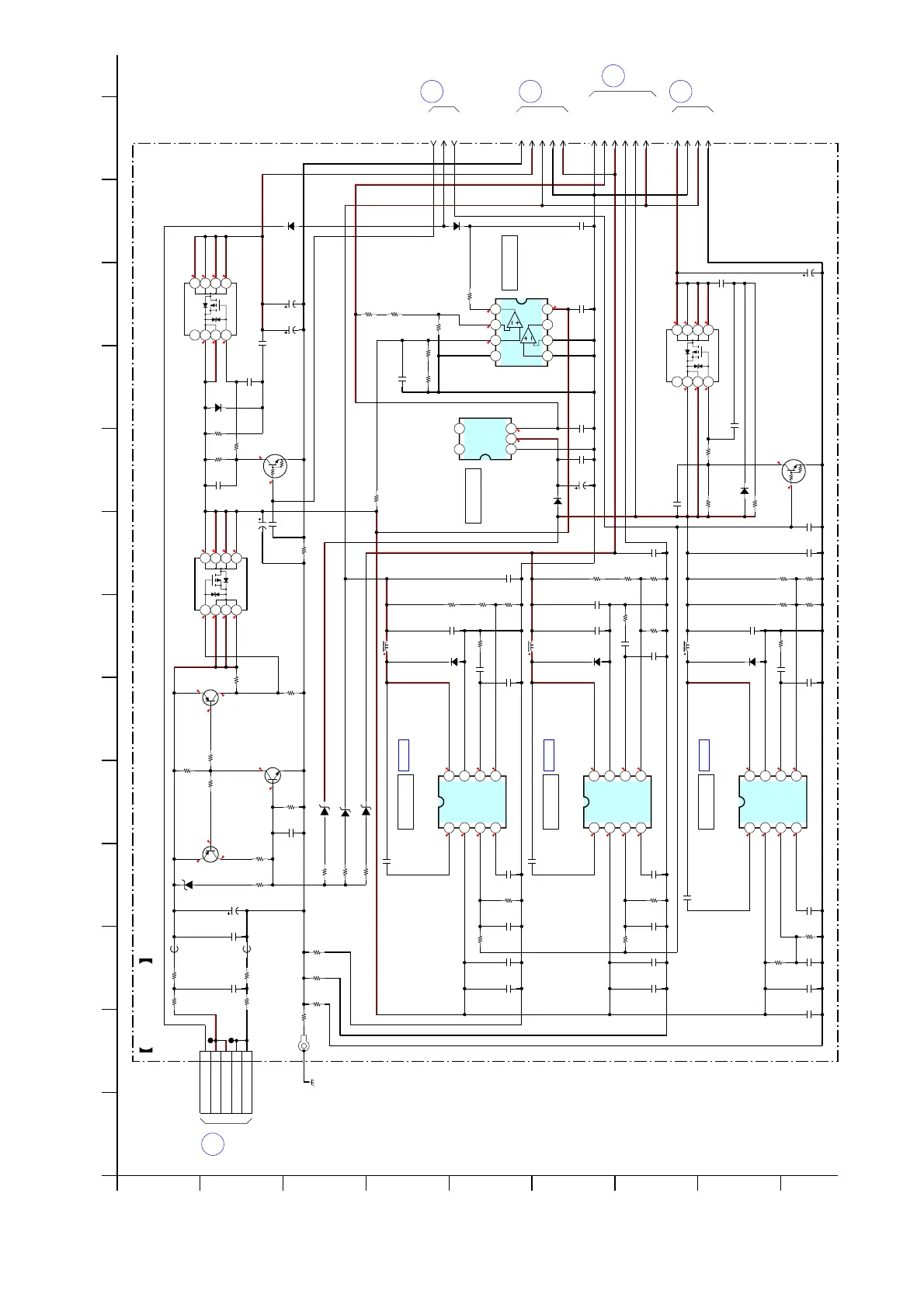
4-8. SCHEMATIC DIAGRAM - MAIN Section (2/4) -
• See page 30 for IC Block Diagrams.
CN1702
F
BOARD
DC-JACK
IC B/D
IC B/D
IC B/D
3
BOARD
(1/4)
MAIN
7
BOARD
(4/4)
MAIN
2
BOARD
(1/4)
MAIN
6
BOARD
(3/4)
MAIN
19.5
19.5
19.5
19.5
19.5
19.5
0.2
19.5
19.5
19.5
19.5
19.5
19.5
3.6
19.5
3.3
0
19.5
19.4
19.5
19.4
0 3.6
19.4
0
9.4
19.5
2.8
1.8
3.3
0.6
0.8
0.6
7
0.8
13.8
19.5
2.8
1.7
0.6
5
0.8
11.1
19.5
3.5
1.7
5
3.3
2.4
2.1
3.3
19.5
5
0
5
5
5
5
5
0
2.8
CL301
CL302
10k
R311
10k
R310
47k
R309
47k
R312
100k
R315
10k
R313
22k
R314
4.7k
R308
8
7
6
54
3
2
1
LSS040P03FP8TB1
Q306
100k
R322
10k
R321
25V
330
C305
ISA1235AC1-T112-1EF
Q302
2SC3052EF-T1-LEF
Q301
ISA1235AC1-T112-1EF
Q303
C307
1000p
0.1
C306
DZ2J06800L
D305
C303
1
4.7k
R305
RT1N431M-TP-1
Q305
DZ2J27000L
D302
DA2J10100L
D306
0.1
C309
100k
R323
0.1
C308
FB301
FB302
DZ2J130M0L
D304
4.7k
R307
NJM2903V(TE2)
IC314
1234
G
5
6
78
V
1
C359
3.9k
R363
8
7
6
54
3
2
1
S1 S2 S3 G
D1D2D3D4
LSS050P03FP8TB1
Q304
10k
R362
100k
R361
3.3k
R357
22k
R358
10k
R356
25V
330
C302
0.1
C360
100
R360
3.3V_EVER
0.1
C361
AC-CUT
25V
330
C310
25V
330
C312
0
R301
0
R302
0
R303
0
R304
E
ET302
0
R316
0.1
C301
DAMP-ON
5P
CN301
1SW_PLUG
2ADP_19.5V
3ADP_19.5V
4ADP_GND
5ADP_GND
C350
0.1
RB521CS-30T2R
D311
RB521CS-30T2R
D312
19V_AMP
PGND
DGND
0.1
C328
S-812C33AMC-C2NT2G
IC303
1
VSS
2
VIN
3
VOUT
4
NC
5
NC
P-ON
RT1N431M-TP-1
Q310
6.3V
220
C323
22uH
L303
5.2V_ST-LED
22uH
L305
TPS54331DR
IC301
1
BOOT
2
VIN
3
EN
4
SS
5
VSENSE
6
COMP
7
GND
8
PH
7V_VMFL
22uH
L304
220k
R324
DA2J10100L
D313
TPS54331DR
IC306
1
BOOT
2
VIN
3
EN
4
SS
5
VSENSE
6
COMP
7
GND
8
PH
MGND
8
7
6
54
3
2
1
LSS040P03FP8TB1
Q311
TPS54331DR
IC304
1
BOOT
2
VIN
3
EN
4
SS
5
VSENSE
6
COMP
7
GND
8
PH
0.1
C337
22p
C319
SJPJ-L3VL
D309
DZ2J130M0L
D303
D+3.3V
SJPJ-L3VL
D307
SJPJ-L3VL
D308
VBUS+5V
VGND
RR264M-400
D310
0.01
C349
0.01
C348
0.01
C347
0.1
C322
6.3V
C346
330
1
C325
1
C324
1k
R341
0
R318
0
R319
0
R320
4.7k
R306
0
R317
10
C358
10
C357
0.01
C315
0.1
C314
10
C313
47k
R325
2.2k
R328
R329
10k
1
C321
0.1
C326
0.01
C327
100k
R333
1k
R331
0.1
C335
0.01
C336
100k
R343
0.1
C316
1
C333
3.3k
R336
330
R370
10k
R335
C329
100
22p
C331
1000p
C332
10k
R334
10k
R345
100
R372
1.5k
R347
8.2k
R346
10k
R344
1
C343
1000p
C342
22p
C341
47
C339
47
C338
330k
R371
10k
R327
10k
R326
1000p
C320
10
C317
C334
1000p
10k
R338
100k
R339
100k
R340
0.1
C345
0.1
C344
D+3.3V
DGND
DGND
7V_VMFL
D+3.3V
(CHASSIS)
IC304
+7V REGULATOR
IC306
+3.3V REGULATOR
IC301
+5.2V REGULATOR
IC303
+3.3V REGULATOR
VOLTAGE DETECT
IC314
(2/4)MAIN BOARD
Q305, 306
B+ SWITCH
B+ SWITCH
S
S
G
D
D
D
D
Q301-303
PROTECT DETECT
B+ SWITCH
Q310, 311
D
D
D
D
S
S
G
13
A
E
D
C
4 148
G
B
1 113 10
I
9
F
H
6257 12
(Page 28)
(Page 22)
(Page 25)
(Page 22)
(Page 24)

Related product manuals