EasyManua.ls Logo

Sony HCD-DP800AV - Block Diagrams

Sony HCD-DP800AV
84 pages
Print Icon
To Next Page IconTo Next Page
To Next Page IconTo Next Page
To Previous Page IconTo Previous Page
To Previous Page IconTo Previous Page
Loading...
HCD-DP800AV
2424
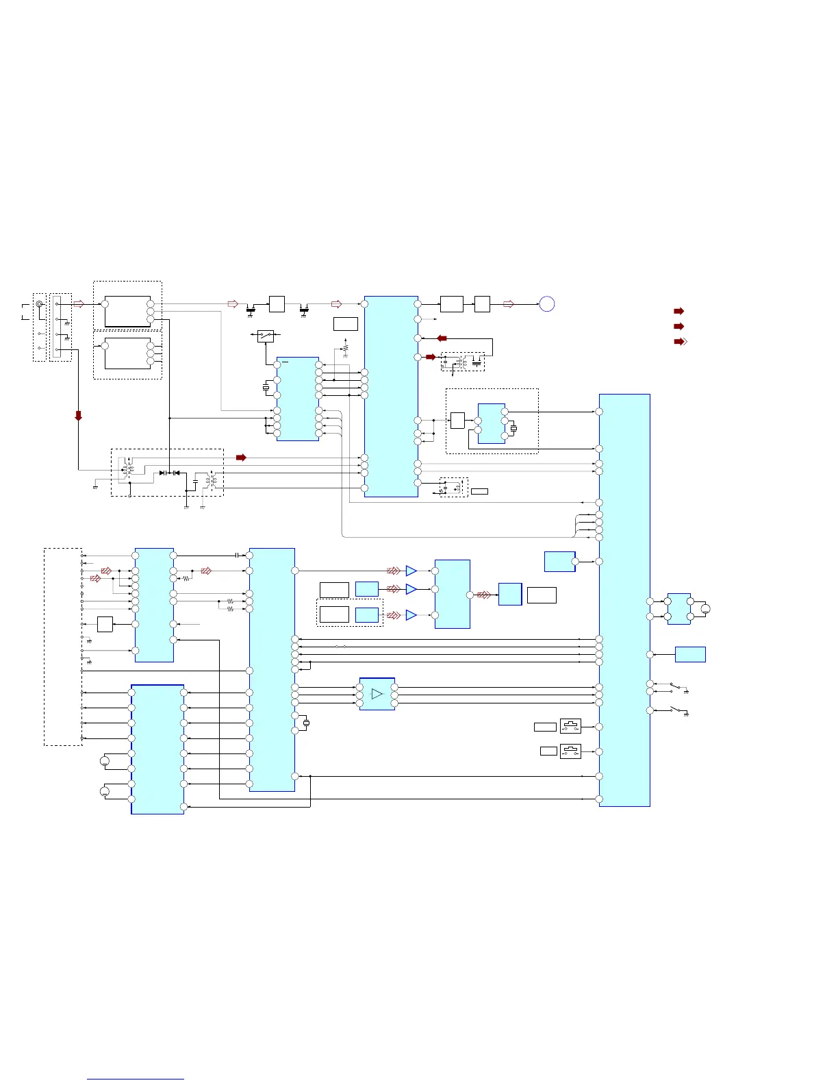
6-2. BLOCK DIAGRAMS
TUNER/CD SECTION –
• Signal Path
• RCH is omitted
FM 75
G
AM
TM1
( AR, AUS, CND, MX)
TM1
(AEP, KR)
ANT IN
1
7
IF OUT
8
OSC OUT
5
VT
FE1(AR, AUS, KR, MX)
FE3(AEP)
ANT IN
8
1
IF OUT
3
F OUT
4
VT
FE2(CND)
+B
(FE1-3)
A+12V
A+12V
Q2
FM
10
FM OSC
16
AOUT
20
AIN
19
PD
18
PLL
IC51
12
IF IN
7
FM
15
AM OSC
9VCO STOP
8IF REQ
6DO
4DI
5
CL
3
CE
XIN
1
XOUT
22
X51
4.5MHz
X801
4.332MHz
RF IF
AMP
FM TUNED
LEVEL
Q1
CF1 CF2
DO
DI
CL
CE
2
11
49
10
2
AM MIX OUT
AM/FM
DATA
11
OSC FM
24
VCO STOP
12
IF REQ MUTE
10
AM RF IN
21
AM OSC
23
VCC
9
AFC
22
FM IF
1
AM/FM IF MPX
IC11
13
L OUT
14
R OUT
BUFFER
Q11
LPF11
LPF
4
AM IF IN
IFT11
R-CH
18
4
2
16
DECORDER
INT
13
14
AMP
Q81
17
PLL IN OUT
16
DECORDER
IN
A
MAIN
SECTION
6
TUNED
7
8
STEREO
FM-DET
RV11
ST MUTE
21
RDS-INT
18
RDS-DATA
20
22
27
25
ST-DOUT
ST-DIN
ST-CLK
CE
4
SIRCS
23
STEREO
87
TUNED
88
MASTER CONTROL
IC401(1/2)
1
DO
CL
CE
DI
DI
OPTICAL PICK-UP
BLOCK
(A-MAX.3)
+5V
LD
DRIVE
Q101
RF AMP
IC103
VC
27
A
6
B
7
C
VCC
8
D
9
E
10
F
11
LD
1
PD
2
IC102
MOTOR/COIL DRIVE
CH1OUTR
13
CH1OUTF
14
CH2OUTR
11
CH2OUTF
12
CH3OUTR
18
CH4OUTF
15
M
M102
SLED
MOTOR
CH3OUTF
17
CH4OUTR
16
M
M101
SPINDLE
MOTOR
2
CH1FIN
3
CH1RIN
5
CH2FIN
6
CH2RIN
23
CH3RIN
24CH3FIN
25CH4INSIN
20
MUTE
MDP
26
SFDR
28
SRDR
29
TRDR
31
TFDR
30
FRDR
33
FFDR
32
SSTP
27
DIGITAL SERVO
DIGITAL SIGNAL PROC.
D/A CONV.
IC101
60
D OUT
29
RFDCI
28
RFDCO
16
FE
18
TE
22VCC
12SW
RFDC
43
FE
39
TE
41
SE
40
RFAC
51
15
OUT
DIGITAL OUT
OPTICAL
DIGITAL IN
OPTICAL
DIGITAL IN
OPTICAL
IC609
5DATA
L-CH
7CLOK
6XLAT
2SQCK
9
SCLK
20
SCOR
1
SQSO
SENS
66
XTAI
67
XTAO
3XRST
X101
16.9344MHz
CD DATA
35
CD CLK
37
XLT
42
SQ CLK
33
SCOR
19
SQ DATA
SENS
32
34
XRST
43
DISPLAY KEY
73
LDON
40
TBL ADDRESS
SENSOR
49
T SENS
IC711
48
BU UP/DOWN SW
46OPEN SW
47CLOSE SW
44
LOAD IN
OPEN/CLOSE
S701
BU UP/
DOWN
S711
45LOAD OUT
MOTOR
DRIVE
9
7
4
2
M
IC701
TURN
MOTOR
M721
(Page 25)
IC81
DECODER
RB41
6
7
8
3
1
OPTICAL
DIGITAL
OUT
13
11
2
4
9 6
8
REMOTE
SENSOR
IC1102
LDON
S1135
DISPLAY
POWER KEY
74
S1115
IC551
LEVEL SHIFT
SQ-DATA
4
2
3
DIGITAL AUDIO
INTERFACE
IC604(2/2)
DIGITAL
IN
IC1195
5
DIGITAL
IN
IC801
AR, AUS, KR, MX
IC608
IC608
IC608
10
8
12
3
5
1
DIN0
DIN1
SPDIF
DIN2
AEP
A+12V
JW1002
T11
NULL
A+12V
_/1
: FM
: CD
: DIGITAL OUT

Related product manuals